HOME
ASK A QUESTION
REPAIR GUIDES
BECOME A MEMBER
LOG IN
Login with Facebook
OR
Remember me
NOT A MEMBER?
FORGOT PASSWORD?
CONTACT US
PRIVACY POLICY
TERMS AND CONDITIONS
☰
Home
Toyota
Corolla
Interior
Instrument Cluster
Wiring
Instrument cluster pin wiring diagram needed?
ABDUL SABITH
MEMBER
2011 TOYOTA COROLLA
1.6L
4 CYL
2WD
AUTOMATIC
8 MILES
Can I please get the instrument cluster wiring diagram for this car listed above?
Tuesday, July 4th, 2023 AT 9:05 AM
1 Reply
KEN L
MASTER CERTIFIED MECHANIC
54,371 POSTS
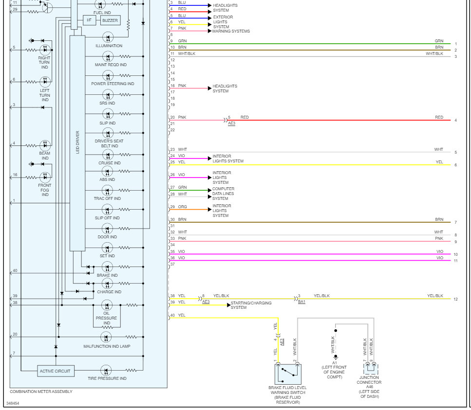
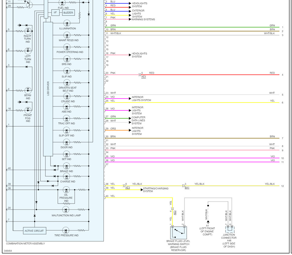
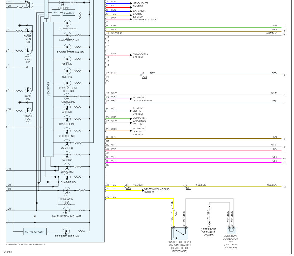
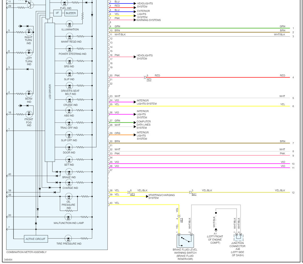
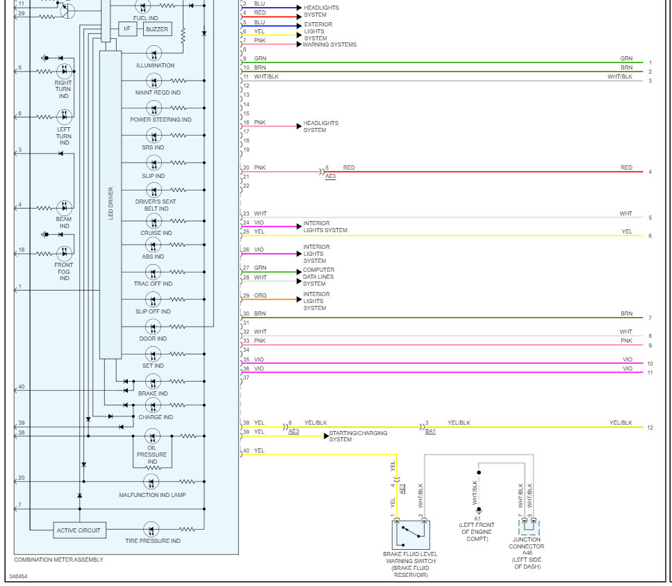
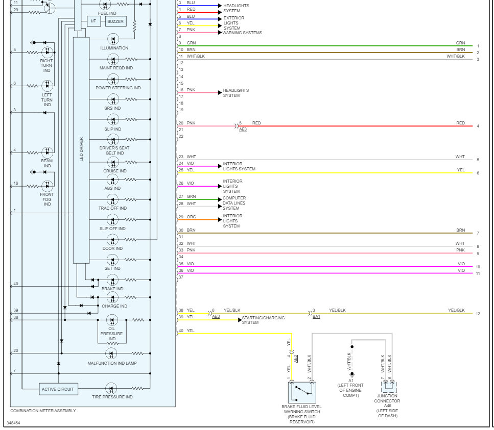
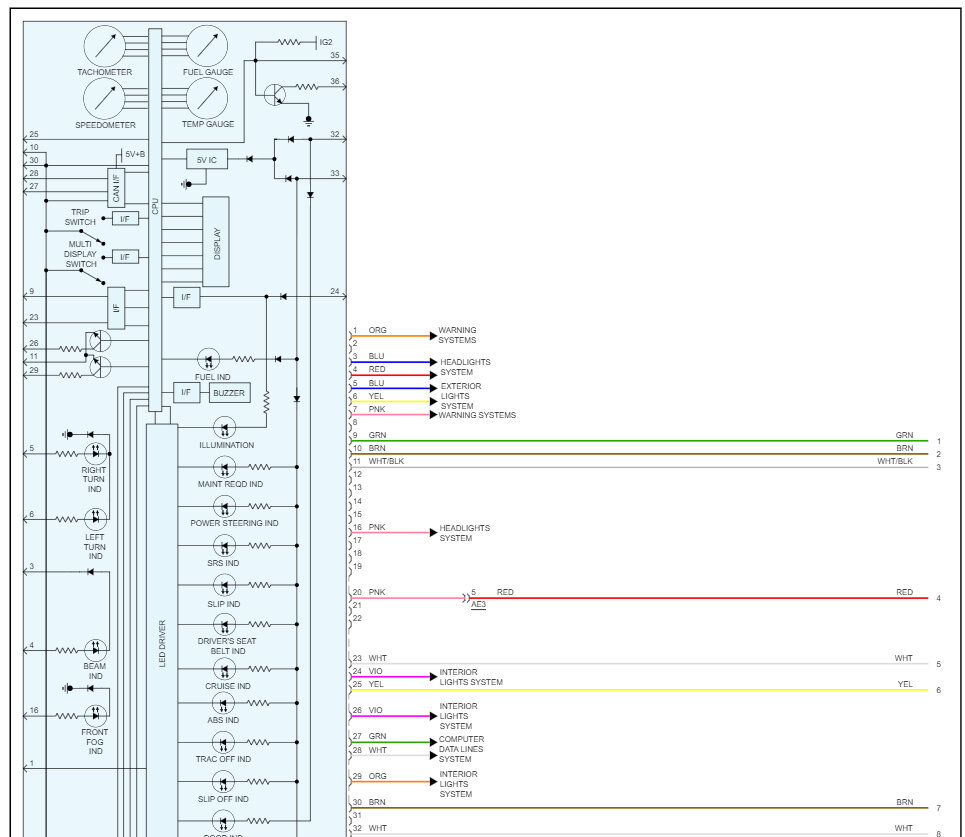
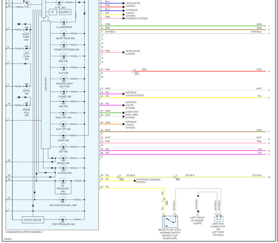
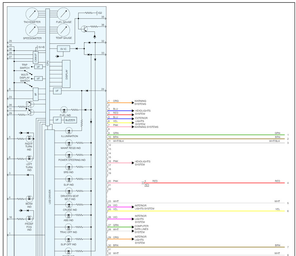
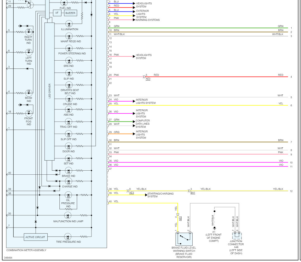
Sure, here is the instrument cluster wiring diagrams and a guide to help you test the connections:
https://www.2carpros.com/articles/how-to-check-wiring
Check out the images (below). Please let us know if you need anything else to get the problem fixed.
Images (Click to make bigger)
Was this
answer
helpful?
Yes
No
-3
Tuesday, July 4th, 2023 AT 12:57 PM
Please
login
or
register
to post a reply.
Related Instrument Cluster Wiring Content
Instrument Cluster Lights
I Need To Replace The Bulbs Behind The Intrument Cluster In My 1991 Corolla Wagon. I Can Not Figure Out How To Get To Them Once I Get The...
Asked by
lbritton
·
1 ANSWER
TOYOTA COROLLA
Cluster Lights Out?
Dash Lights Have Gone Out So I Can Not See Anything At Night. At First My Radio Was Also Out But After Checking Every Fuse In The Car It Is...
Asked by
jazek
·
2 ANSWERS
2 IMAGES
2006
TOYOTA COROLLA
2005 Corolla Electrical System
Plugged Accessory Into Cig Lighter Now Will Not Go Into Gear, Pw's And Gauges Don't Work. Fuses Good. What Could The Problem Be?
Asked by
Bluej1
·
4 ANSWERS
2 IMAGES
2005
TOYOTA COROLLA
What Can Cause The Tempreture Guage To Go From Cold To...
What Can Cause The Tempreture Guage To Go From Cold To Hot As Soon As You Switch The Car On. We Have Already Replaced The Tempreture Guage...
Asked by
du toit
·
4 ANSWERS
2 IMAGES
1992
TOYOTA COROLLA
Wipers, Lights, Heater Fan And Instrument Cluster...
Wipers, Lights, Heater Fan And Instrument Cluster Went Out. What Would Be The Most Obvious Cause Fuse Or Fuse Box Wise?
Asked by
mikelaco
·
3 ANSWERS
1984
TOYOTA COROLLA
VIEW MORE
Ask a Car Question. It's Free!
Instrument Cluster Replacement
How to Use a Test Light
Airbag Removal - Drivers Side