My instrument cluster works just not reading right

Tiny
SCOOBY99
  • MEMBER
  • 2008 FORD TAURUS
  • 3.5L
  • V6
  • 2WD
  • AUTOMATIC
  • 219,000 MILES
My instrument cluster works just not reading right and I have check everything. Help
Monday, September 20th, 2021 AT 3:05 PM

15 Replies

Tiny
JACOBANDNICKOLAS
  • MECHANIC
  • 110,192 POSTS
Hi,

Could you let me know what is actually happening? For example, gauges are not working.

Let me know the specifics so I know where to start looking.

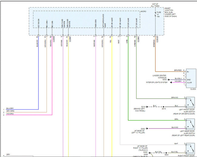
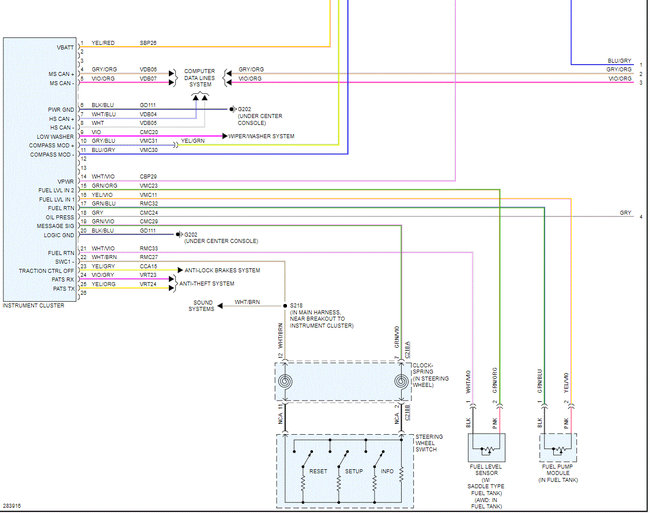
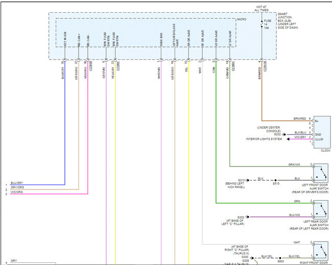
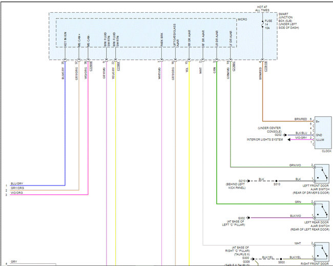
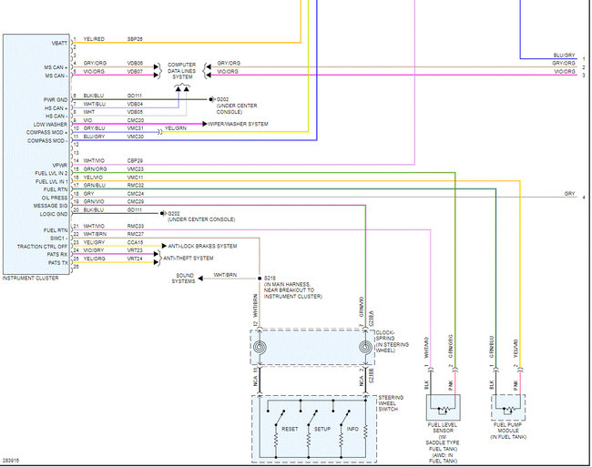
As a reference, I attached the wiring schematic for the instrument panel below. It was two pages long, but I had to cut them in half to make them readable. I did overlap them so you can follow from one to the next.

Additionally, here is a link you may find helpful when testing.

https://www.2carpros.com/articles/how-to-check-wiring

Let me know.

Joe

See pics below.
Was this
answer
helpful?
Yes
No
Monday, September 20th, 2021 AT 5:50 PM
Tiny
SCOOBY99
  • MEMBER
  • 12 POSTS
The gauges move they are just off by like 15 or so MPH. Here is a couple picture I took earlier today:
Was this
answer
helpful?
Yes
No
Monday, September 20th, 2021 AT 6:20 PM
Tiny
JACOBANDNICKOLAS
  • MECHANIC
  • 110,192 POSTS
Do you mean they are below 0?

Joe
Was this
answer
helpful?
Yes
No
Monday, September 20th, 2021 AT 6:39 PM
Tiny
SCOOBY99
  • MEMBER
  • 12 POSTS
Yes.
Was this
answer
helpful?
Yes
No
Monday, September 20th, 2021 AT 6:50 PM
Tiny
JACOBANDNICKOLAS
  • MECHANIC
  • 110,192 POSTS
Hi,

I did notice that. By any chance, do you have a live data scan tool? If so, can you compare the gauges with what is listed on the scan tool? The idea that both are down almost seems as though there is power going through in the wrong direction. However, that wouldn't be from a sensor because they work on different circuits. That makes me question the cluster itself or a bad ground using them as a ground path.

Let me know if you have a live data scanner. If you do, try what I suggested and let me know the results. If you don't have them, let me know if you have tried having a parts store or someone with a scanner check for codes.

Let me know.

Joe
Was this
answer
helpful?
Yes
No
Monday, September 20th, 2021 AT 7:47 PM
Tiny
SCOOBY99
  • MEMBER
  • 12 POSTS
No, I don't have one sadly. But I have tried to do a code reader on it but it wouldn't work. So I guess I am going to a part store tomorrow and have them do a code reader on it. And when I remove the instrument cluster it's just one plug thing up top.
Was this
answer
helpful?
Yes
No
Monday, September 20th, 2021 AT 7:59 PM
Tiny
JACOBANDNICKOLAS
  • MECHANIC
  • 110,192 POSTS
Hi,

When you say the code reader wouldn't work, do you mean it wouldn't power on or there was no communication with the vehicle?

As far as the codes, let me know if any are found. I have a feeling the codes will be "U" codes and not the traditional "P" codes if any are stored.

If we get to the point that the cluster needs removed, I attached the directions below. And yes, there is one connector at the top.

Let me know what you find or if you need help with anything.

Joe

See pics below.
Was this
answer
helpful?
Yes
No
Monday, September 20th, 2021 AT 8:27 PM
Tiny
SCOOBY99
  • MEMBER
  • 12 POSTS
I guess he couldn't get it to work it was a family member who has one. And what's the difference between the codes?
Was this
answer
helpful?
Yes
No
Monday, September 20th, 2021 AT 8:33 PM
Tiny
JACOBANDNICKOLAS
  • MECHANIC
  • 110,192 POSTS
Hi,

There are actually P, B, C, and U codes. Each one is for a different part of the car.

A "P" code is specific to the powertrain (engine, sensors, transmission, and so on).

A "U" code is specific to the vehicle's user network (computers, modules).

I hope that helps.

Take care,

Joe
Was this
answer
helpful?
Yes
No
+1
Monday, September 20th, 2021 AT 8:39 PM
Tiny
SCOOBY99
  • MEMBER
  • 12 POSTS
Yes it does. Thank you.
Was this
answer
helpful?
Yes
No
Monday, September 20th, 2021 AT 8:49 PM
Tiny
JACOBANDNICKOLAS
  • MECHANIC
  • 110,192 POSTS
You are very welcome. Let me know what you find or if there is something I can do to help.

Take care,

Joe
Was this
answer
helpful?
Yes
No
Tuesday, September 21st, 2021 AT 3:35 PM
Tiny
SCOOBY99
  • MEMBER
  • 12 POSTS
Well, I haven't done a code read yet, but my dad has a voltage meter tester. And I have noticed that when cut the car off the speedometer and RPM needle bounce a little bit. Do you think there is a way to find a factory service manual free downloadable?
Was this
answer
helpful?
Yes
No
Tuesday, September 21st, 2021 AT 4:08 PM
Tiny
JACOBANDNICKOLAS
  • MECHANIC
  • 110,192 POSTS
Hi,

Chances are you won't find one online without a fee involved. If you let me know what exactly you need, I should be able to get it for you.

Let me know.

Joe
Was this
answer
helpful?
Yes
No
Tuesday, September 21st, 2021 AT 4:23 PM
Tiny
SCOOBY99
  • MEMBER
  • 12 POSTS
Okay, thank you. Also this is what it does when it's started and what number is for the instrument cluster?
Was this
answer
helpful?
Yes
No
Tuesday, September 21st, 2021 AT 5:34 PM
Tiny
JACOBANDNICKOLAS
  • MECHANIC
  • 110,192 POSTS
Hi,

You are very welcome. Let me know what you need or if there is anything I can do to help.

Take care,

Joe
Was this
answer
helpful?
Yes
No
Tuesday, September 21st, 2021 AT 6:38 PM

Please login or register to post a reply.