The illumination lights on my instrument cluster/panel are not working at all?

Tiny
OLDSMARU44X2
  • MEMBER
  • 1999 GMC SUBURBAN
  • 5.7L
  • V8
  • 2WD
  • AUTOMATIC
  • 335,400 MILES
The vehicle listed above is a C1500, 2WD, 5.7L V8: All of the caution and warning and the turn signal indicator lights on the panel work fine; just the background lights are out.

I pulled the instrument cluster and put battery power directly to the lighting circuit on the back of the cluster and all of the illumination lights light up and work fine. I also changed out the 11-terminal headlamp/instrument panel dimmer/dome Lamp switch (AC Delco Part Number D1523H, see the photo attached) that is on the left side of the dash but that did not fix the problem.

The radio/clock and the shift indicator lights work but when I rotate the dimmer control there is no dim control. They only work when the dim knob is rotated almost fully and just short of turning on the dome and interior lights, which also work when I rotate the dimmer all the way past the detent or click. The dome override works as well.

I searched YouTube for a video on this problem but they only address checking the instrument cluster and/or replacing the D1532H switch.

I am thinking that maybe the wire between the dimmer switch and the instrument cluster may be broken somehow but from what I can see of the harness without tearing things apart, it appears okay. I am still searching online for the correct wiring diagrams but have not as yet been successful. If you can provide a link to the correct diagrams that would be most helpful, and can you otherwise shed any light on the subject? No pun intended. Thanks much in advance.
M.
Saturday, April 15th, 2023 AT 8:29 PM

3 Replies

Tiny
JACOBANDNICKOLAS
  • MECHANIC
  • 110,194 POSTS
Hi,

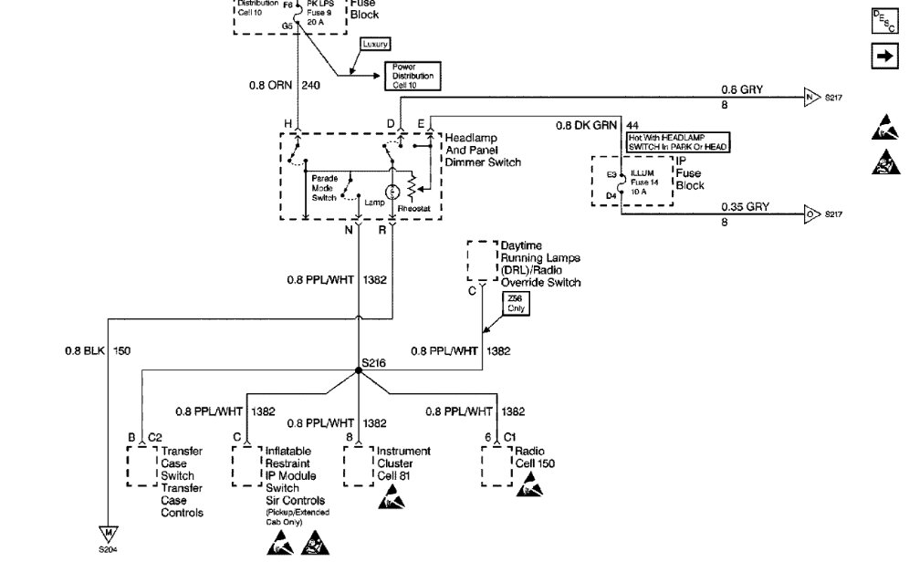
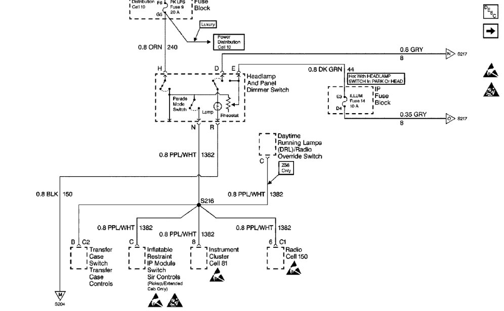
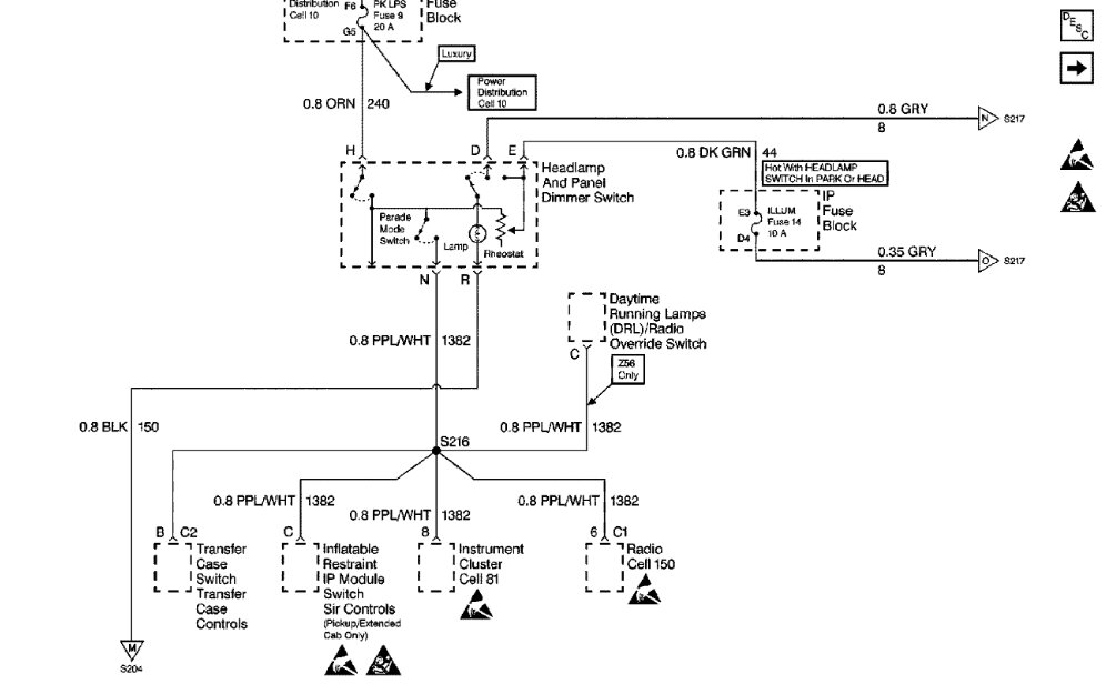
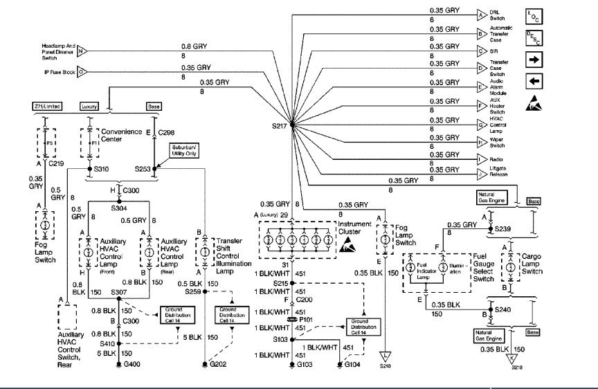
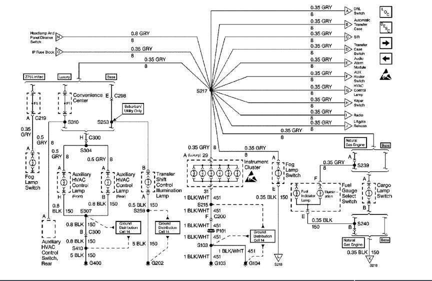
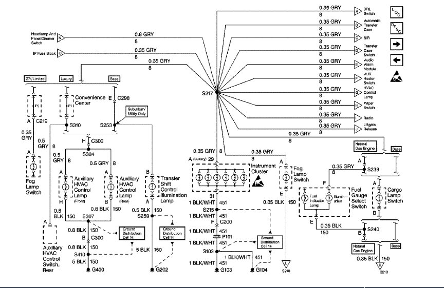
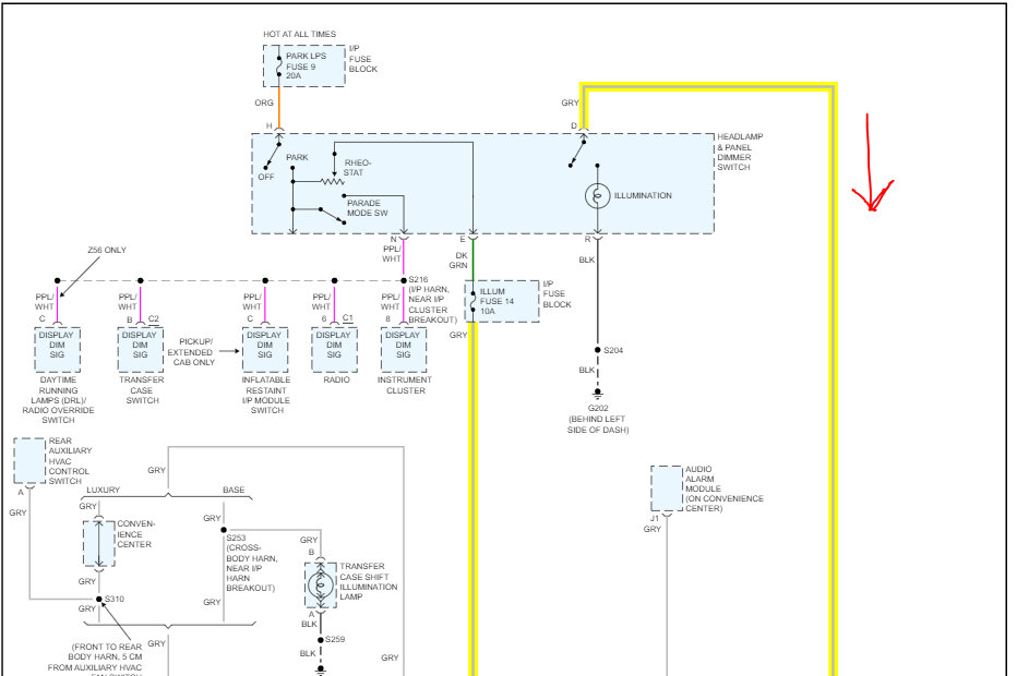
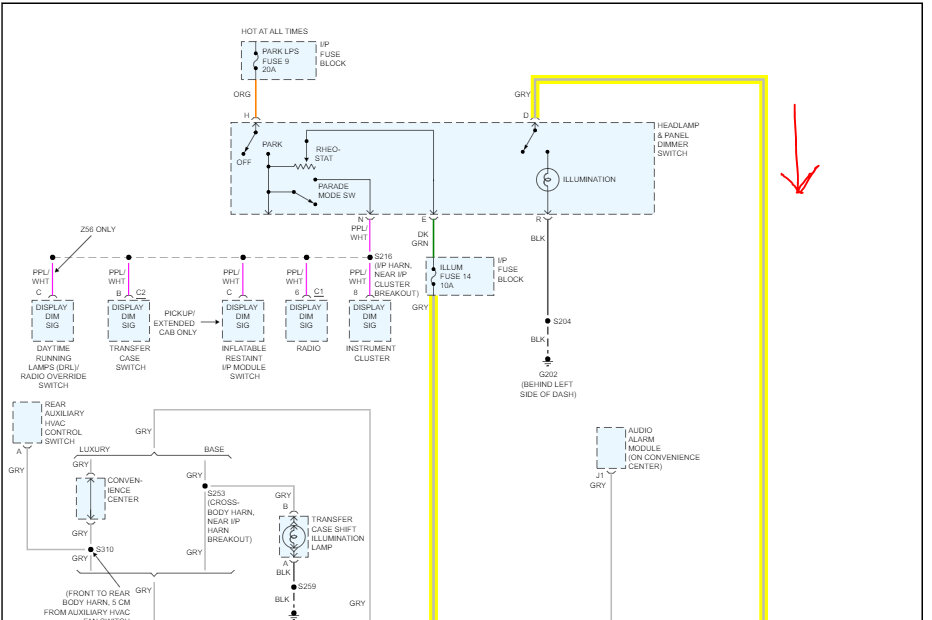
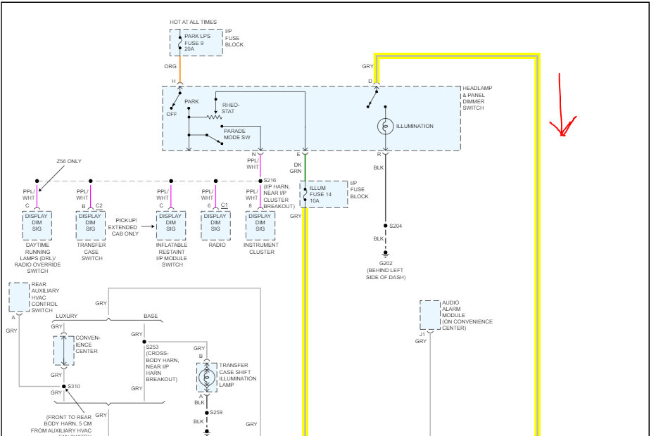
I attached the schematic related to the bulbs you indicate as an issue. First, looking at the schematic, I noticed that the radio/clock has a different power source from the headlamp/dimmer switch. Next, the 6 cluster backlights are different and receive power differently. Note that it also has a different grounding location.

The pics I attached came from one picture. I cut it in half to make it readable for you, but I did overlap the two. Take a look through the pics and let me know if they are helpful or if you have other questions. Note: Remember, a solid wire on the schematic indicates it carries a current. A dashed line does not carry a current.

Here is a link you may find helpful:

https://www.2carpros.com/articles/how-to-check-wiring

Take care,

Joe

See pics below.
Was this
answer
helpful?
Yes
No
+1
Sunday, April 16th, 2023 AT 7:59 PM
Tiny
OLDSMARU44X2
  • MEMBER
  • 4 POSTS
Joe,

Thanks for the help and the wiring diagram. The wiring diagram was most helpful, problem solved! Some feedback about the issue follows.

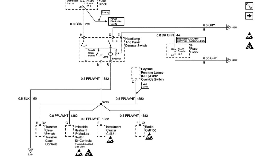
Originally, the first thing I did was check the fuses in the manual and came across Fuse #4, which was good, for the Instrument cluster, DRL Relay (I had disconnected the DRL to kill the Daytime Running Lights, fuse 15 is also for the DRL relay), Lamp Switch, Keyless Entry, Low Coolant Module, Illuminated Entry Mode, and DRAC (Diesel Engine). I also checked Fuse #9 for various lights but not the instrument cluster lights just in case. It was also good. Fuse #9 also supplies power directly to the Headlight Headlamp & Panel Dimmer Switch (HPDS) itself [presumably this is the "Lamp Switch" label in the manual on page 6-62, copy attached], which in turn provides power to the various lights via the headlamp/parking light switch on the HPDS and to the Dimmer Rheostat and Parade Mode Switch but without having the wiring diagram in hand, one would not know for sure that "Lamp Switch" is actually "the HPDS" itself and is powered through this fuse, which is the key to the whole problem. Since Fuse #4 included the "Instrument Cluster" and Fuse #9 powered the HPDS, I stopped there and missed Fuse #14 on the next page, which I found out later after having the wiring diagram in hand, includes simply "Cluster" and "Radio Illumination" among other items, which in the end were the culprits I was trying to track down. There is an additional wrinkle to all of this as well.

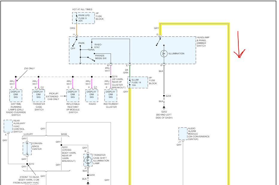
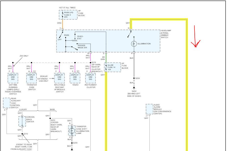
In checking the diagram you sent in addition to the yellow highlighted line tracings and red markups you had put on it, I studied the diagram and noticed on the upper left side just below the rectangle of the HPDS, of which I had sent you an actual picture, the Display Dim Sig(nal) [Radio] and Display Dim Sig(nal) [Instrument Cluster] boxes. These are fed via the combined thumbwheel for the Rheostat and Parade Mode Switch on the HPDS with the rheostat controlling the Radio Illumination and Instrument Cluster Dim Signals and the Parade Mode Switch directly feeding both to full brightness and overriding, if you will, the Dim signals, which is exactly how everything actually works and I am presuming then that the Dim signals are controlled possibly via the Body Control Module (BCM) or there is a current line missing from the drawing, which I have drawn in by hand in blue in the photo of the marked up wiring diagram attached (if you can shed any light on this [no pun intended], I would appreciate it). The reason I say this is that once I had the wiring diagram you sent in hand, I checked Fuse #14 and found it was blown and then went back and looked at page 6-63 in the manual (copy attached) to discover what it fed and discovered the "Cluster" and "Radio Illumination" labels. I replaced the fuse, and the lights were still out so I then replaced the HPDS altogether and everything worked as it should. Puzzled, I did some more trouble shooting and found that both Fuses # 9 and #14 must be good for the Radio Display and Instrument Cluster lights to be working either in dim mode or on full bright. So, I am thinking I had a dual failure in that the Rheostat shorted and failed and blew Fuse #14 in the process. Go figure.

I look forward to your reply on the BCM vs. Missing current line question above.

Thanks much again,
M.
Was this
answer
helpful?
Yes
No
Friday, April 21st, 2023 AT 1:41 PM
Tiny
JACOBANDNICKOLAS
  • MECHANIC
  • 110,194 POSTS
Hi,

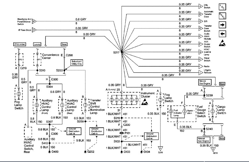
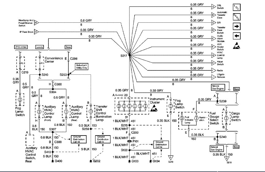
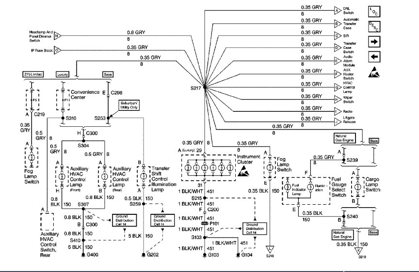
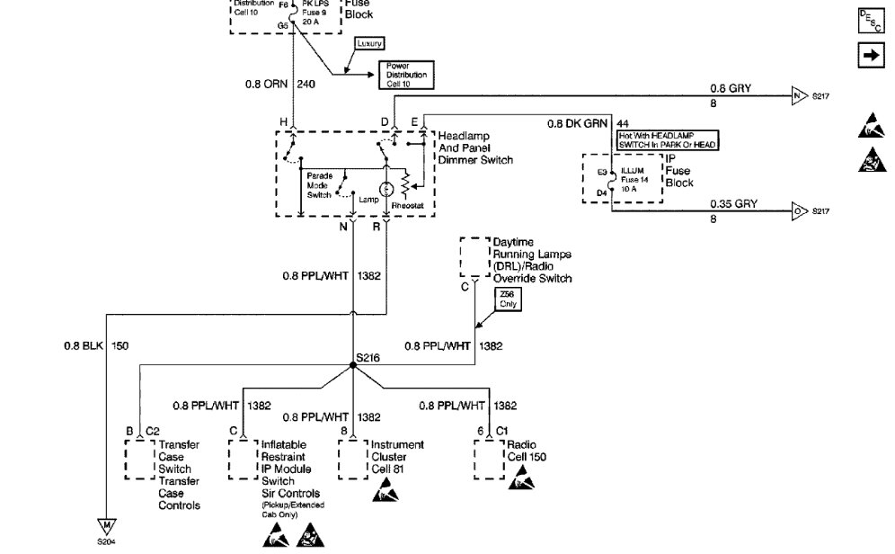
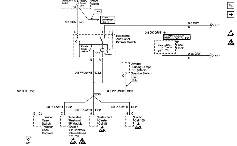
I went to the manufacturer's schematics and see what you are referring to. I attached two pics below. The wire in question is seen in both pics. It leads to a very large splice (S217). There could be an issue there.

Let me know if this helps.

Joe

See pics below.
Was this
answer
helpful?
Yes
No
Friday, April 21st, 2023 AT 10:21 PM

Please login or register to post a reply.