Tuesday, February 12th, 2019 AT 1:41 PM
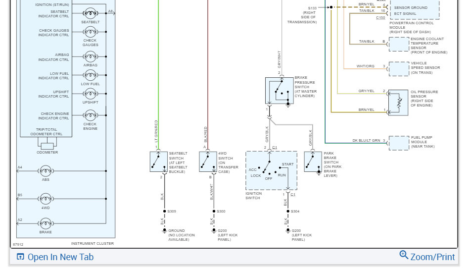
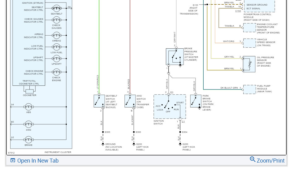
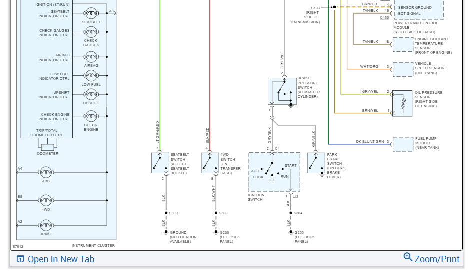
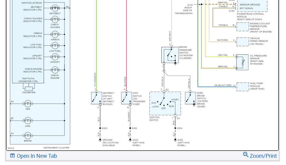
The instrument cluster gauges are not working but all the indicators lights still work. Fuses seem okay, non blown, pins on the dash connector seem fine and I swapped out a second cluster and it has the same issues.











