Instrument cluster wiring diagrams needed?

Tiny
QAQA
  • MEMBER
  • 2004 HYUNDAI ACCENT
  • 1.5L
  • 4 CYL
  • 2WD
  • MANUAL
  • 250,000 MILES
Hi,
I need the pin out connector for the instrument cluster to matching it with my new instrument cluster.
Thursday, May 1st, 2025 AT 3:51 AM

3 Replies

Tiny
KEN L
  • MASTER CERTIFIED MECHANIC
  • 55,322 POSTS
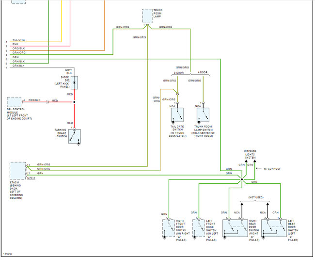
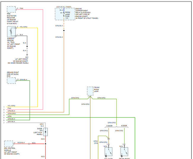
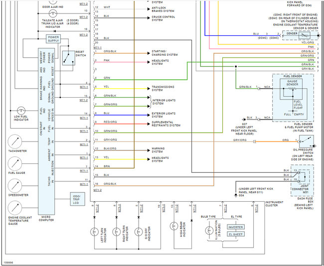
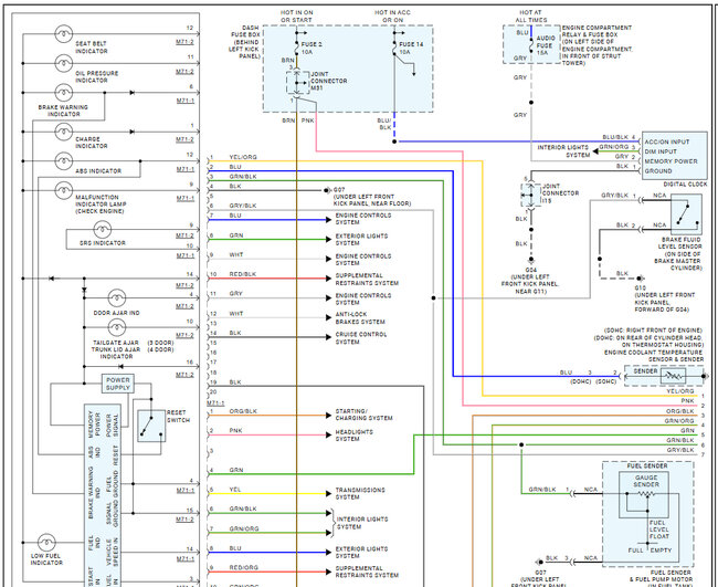
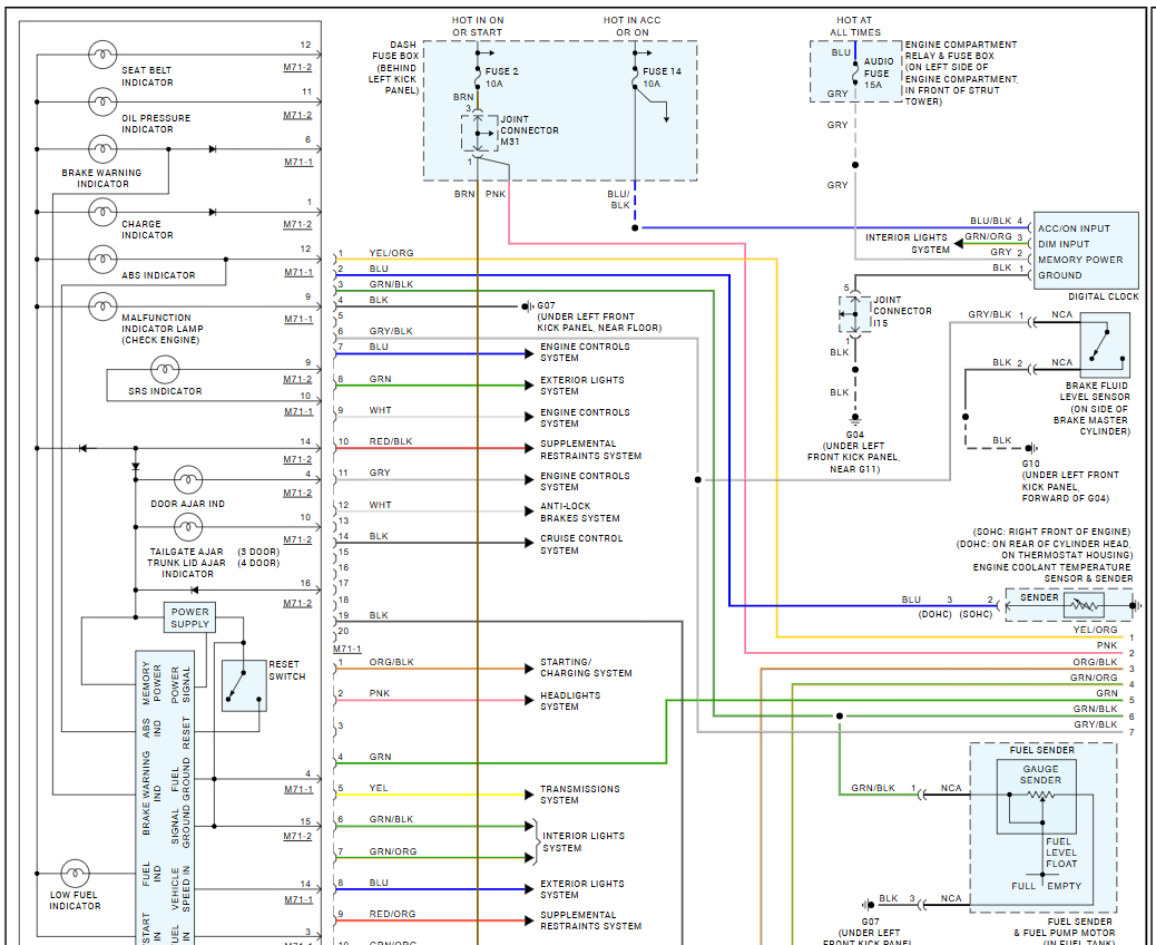
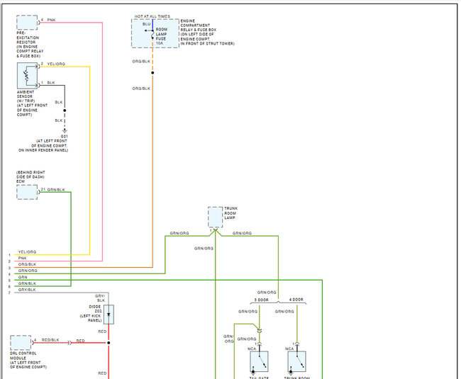
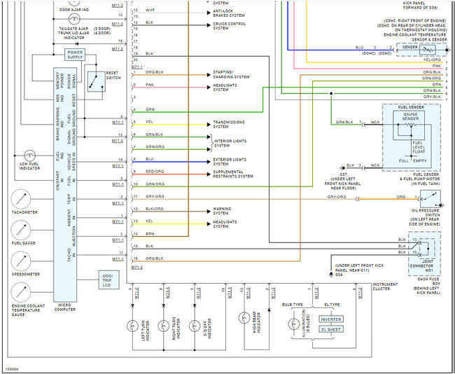
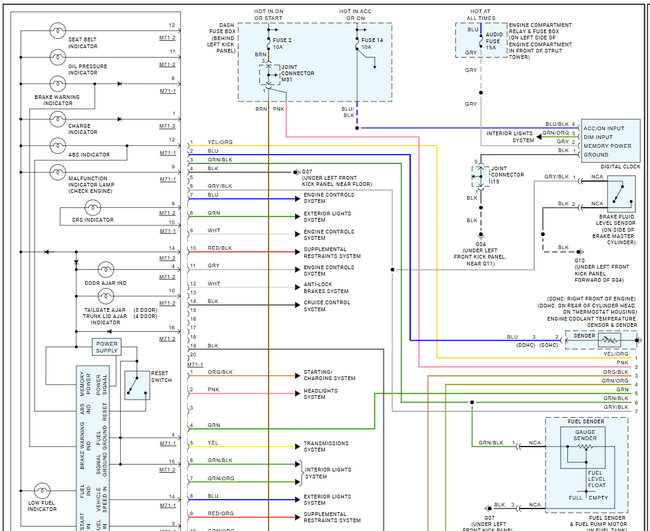
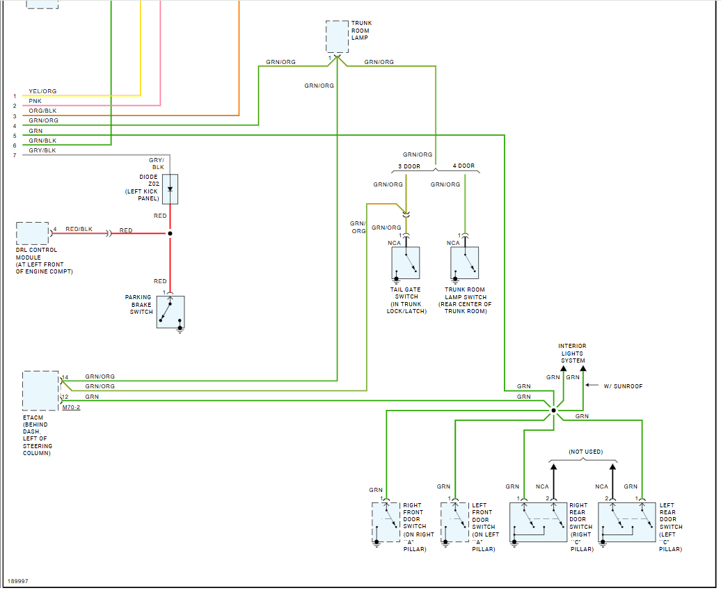
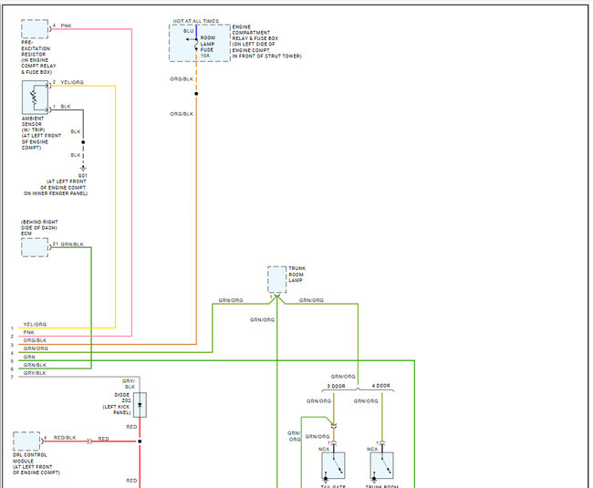
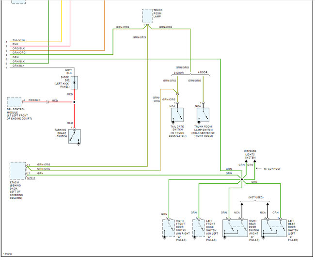
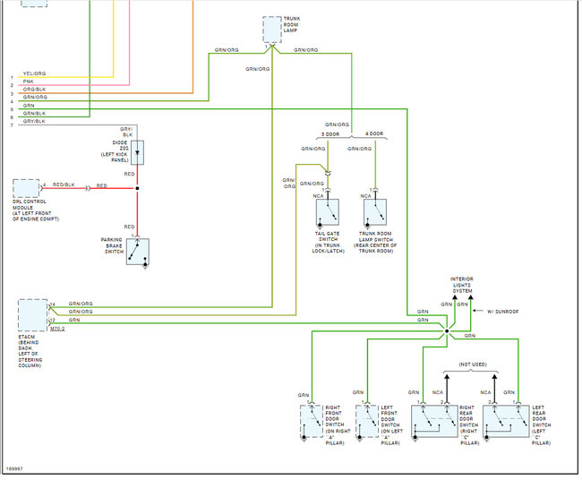
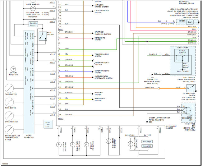
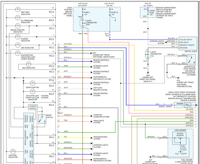
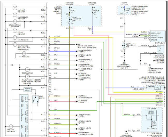
Sure, here is the connector view and the wiring diagrams so you can do the repair needed. Check out the images (below). Let us know if you need anything else.
Was this
answer
helpful?
Yes
No
+2
Thursday, May 1st, 2025 AT 11:34 AM
Tiny
QAQA
  • MEMBER
  • 2 POSTS
Thank you so much.
I want to swap my 2004 accent instrument cluster to 2002, becouse because I didn't find tlike the factory one in my cuntry and it's to expensive to import one. So I'm facing some problems to match some wiring.
Was this
answer
helpful?
Yes
No
Tuesday, May 13th, 2025 AT 3:04 AM
Tiny
KEN L
  • MASTER CERTIFIED MECHANIC
  • 55,322 POSTS
Hmm. I don't think you can do that, these systems are integrated into the CAN system which talk to other modules in the car so I cant recommend it. I would get the correct cluster or look the circuit board of something burnt and try to fix the failure.
Was this
answer
helpful?
Yes
No
+1
Wednesday, May 14th, 2025 AT 10:30 AM

Please login or register to post a reply.