Instrument cluster stopped working

Tiny
CADYFRANK
  • MEMBER
  • 1994 CADILLAC FLEETWOOD
  • V8
  • 2WD
  • AUTOMATIC
  • 128,000 MILES
Instrument cluster not working, went dark cant see anything.
Tuesday, October 15th, 2019 AT 3:00 AM

7 Replies

Tiny
ASEMASTER6371
  • MECHANIC
  • 52,796 POSTS
Good morning.

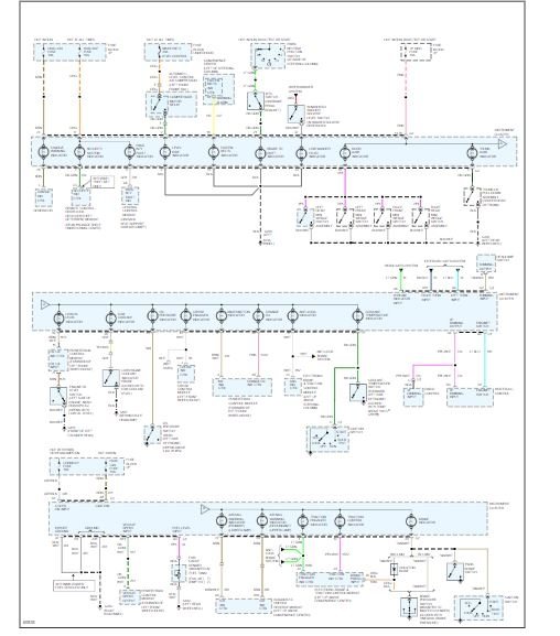
I attached a diagram of the cluster. I showed 2 fuses that power the cluster. Check the fuses listed for power on both sides with the key on. This is not a visual test, this is a voltage test at the fuse itself.

Roy
Was this
answer
helpful?
Yes
No
+1
Tuesday, October 15th, 2019 AT 3:08 AM
Tiny
CADYFRANK
  • MEMBER
  • 12 POSTS
Okay, so I did the check the fuses with the key on at the HVAC fuse. I have 12
at the corner fuse nothing.
Was this
answer
helpful?
Yes
No
Tuesday, October 15th, 2019 AT 6:12 AM
Tiny
ASEMASTER6371
  • MECHANIC
  • 52,796 POSTS
The headlights need to be on for the corner light fuse to get power.

Did you check both sides of the fuse for power to be sure th fuse is good?

If you did, then chances are the cluster is dead.

Roy

1. Remove instrument panel left sound insulator assembly.
2. Remove instrument panel driver knee bolster deflector.
3. Remove steering column tilt lever assembly.
4. Remove cluster trim plate.
5. Disconnect transmission shift indicator cable.
6. Remove instrument cluster attaching screws, Fig. 16 then remove cluster.
7. Reverse procedure to install.
Was this
answer
helpful?
Yes
No
+2
Tuesday, October 15th, 2019 AT 6:46 AM
Tiny
CADYFRANK
  • MEMBER
  • 12 POSTS
Yes, I did check with the lights on and have power then so if the cluster is dead can it be fixed?
Was this
answer
helpful?
Yes
No
Tuesday, October 15th, 2019 AT 8:27 AM
Tiny
ASEMASTER6371
  • MECHANIC
  • 52,796 POSTS
Yes, there are places that advertise if you send them your cluster they will repair it and send it back to you.

I have used them before and it works great. That way you keep the mileage the same. Replacing with used or new either starts from the beginning again or is much higher than the old one.

Roy
Was this
answer
helpful?
Yes
No
+1
Tuesday, October 15th, 2019 AT 8:29 AM
Tiny
CADYFRANK
  • MEMBER
  • 12 POSTS
Thank you for all your help.
Was this
answer
helpful?
Yes
No
Tuesday, October 15th, 2019 AT 8:33 AM
Tiny
ASEMASTER6371
  • MECHANIC
  • 52,796 POSTS
You are welcome.

Always glad to help.

Roy
Was this
answer
helpful?
Yes
No
Tuesday, October 15th, 2019 AT 8:38 AM

Please login or register to post a reply.