Instrument cluster not working properly

Tiny
TREEMAN002
  • MEMBER
  • 2012 MITSUBISHI GALANT
  • 4 CYL
  • 2WD
  • AUTOMATIC
  • 152,000 MILES
When starting car all lights blink on dash, no gauge operation or tachometer, no speedometer, no cluster lights once warm it warms up starts to work normal but will set check light for fuel level sensor.
Thursday, November 11th, 2021 AT 8:12 AM

6 Replies

Tiny
JACOBANDNICKOLAS
  • MECHANIC
  • 110,192 POSTS
Hi,

When you say they blink, do you mean the flicker on and then turn off? Have you checked the connector to the rear of the instrument panel for loose or damaged wiring?

Also, there could be an issue with one of the two grounds from the IP. Check them as well.

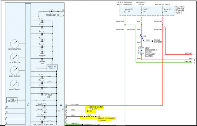
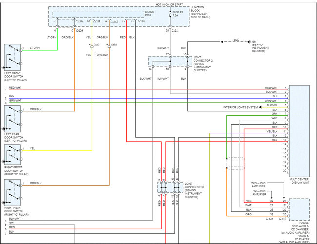
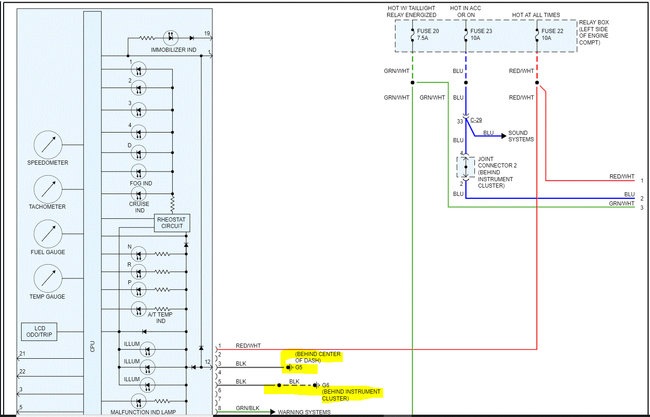
I attached the wiring schematic below of the circuit. I highlighted the grounds. Confirm they are good, clean, tight, and not corroded.

Here is a link you may find helpful:

https://www.2carpros.com/articles/how-to-check-wiring

Let me know what you find or if you have other questions. Also, if you find no issues, you should consider having the can-bus scanned for codes. CAN stands for controller area network. Basically, all the modules and computers are tied together via a few wires. This type of scan will provide codes regardless of the module storing them. Here is a quick video showing how it's done.

https://youtu.be/InIlnsjOVFA

Take care,

Joe

See pics below. Note: I had to cut the schematics in half to make them readable. I did overlap them so you can follow from one to the next.
Was this
answer
helpful?
Yes
No
Thursday, November 11th, 2021 AT 8:27 PM
Tiny
TREEMAN002
  • MEMBER
  • 3 POSTS
Thank you for the info, I’ll will check ASAP and reply.
Was this
answer
helpful?
Yes
No
Saturday, November 20th, 2021 AT 11:00 AM
Tiny
TREEMAN002
  • MEMBER
  • 3 POSTS
The car is still at the repair shop where I bought it, they can’t find the problem, after a while it goes away. I bought the car as is, so I think I’m going to pick it up and check myself. I still may need help as I work on Toyota’s all my life. Thanks
Was this
answer
helpful?
Yes
No
Sunday, November 21st, 2021 AT 5:41 AM
Tiny
JACOBANDNICKOLAS
  • MECHANIC
  • 110,192 POSTS
Hi,

I totally understand. You will end up with more in labor than the cost of the car. Regardless, I am here. I'll help as much as I can.

Take care and let me know what you plan to do.

Joe
Was this
answer
helpful?
Yes
No
+1
Sunday, November 21st, 2021 AT 5:56 PM
Tiny
TREEMAN002
  • MEMBER
  • 3 POSTS
Thank you. Most likely I have no choice and probably will need some help. Talk with you soon.
Was this
answer
helpful?
Yes
No
Sunday, November 21st, 2021 AT 6:57 PM
Tiny
JACOBANDNICKOLAS
  • MECHANIC
  • 110,192 POSTS
No problem. Let me know what I can do to help.

Joe
Was this
answer
helpful?
Yes
No
Sunday, November 21st, 2021 AT 8:17 PM

Please login or register to post a reply.