Thursday, May 26th, 2022 AT 9:09 PM
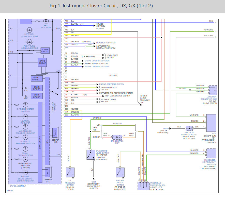
A while back I took my car to a mechanic shop to replace the light bulbs in the dashboard gauges. But when I got it back my car didn't sound the same. Later I came to find out the dimmer switch next to steering wheel taken out and none of the gauges work at all. It used to work fine, the only thing was at night I could not see the speedometer etc. I've tried to get them to work or at least to read the temperature and fuel level without luck. I've gotten the wiring schematic for the cluster and rearranged the pins how the schematic shows without success. Recently I went to junk yard and got another cluster from same year model but different model now it was the best I was able to find, I connected to the harness still won't turn on or show any sign of function.








