Installing Chrysler infinity stereo system?

2002 CHEVROLET CAVALIER
30,000 MILES • 2.4L • 4 CYL • 2WD • MANUAL
Avatar
MECHANICALGENIUS
  • MEMBER
  • 26 POSTS
Actually, I am looking for a wiring diagram to install a P05091507AD (Chrysler) head to an Infinity 36670 main amp, and speakers 4 corners. These came out of 2004 Sebring, I believe. This Cavalier is a Z24 with 263,000 showing on the odometer, however, the engine, 5 speed transmission, drivetrain, front end, etc. has been rebuilt about 20,000 miles ago. (Original motor, etc.) No oil leaks, runs sweet. Picked it up at an auction. I think I stole it out from under the guy who did the rebuild, as it cost me 2 grand. And only one person was bidding against me for the last $1,200.00. I am thrilled - now it's turbo time.
Aug 31, 2023 at 2:57 PM
Advertisement
Avatar
CARADIODOC
  • CAR REPAIR CONTRIBUTOR
  • 34,308 POSTS
Chrysler radios are my specialty, but a 2004 model is a bit too new for my expertise. Let me share what I know, then what I don't know.

With GM and Ford radios, when they are used with a remote amplifier, they must be used with that amplifier. When they don't use a remote amp, they can't be used with a remote amp. To say that a different way, the audio amplifier stage lives inside the radio itself, or it is a separate unit mounted somewhere else, but never both. The story is quite different with Chrysler radios. All Chrysler radios put out speaker-level output and can be used with a remote amp or without it. The amp does not add volume or power. It is only used for tone conditioning for the shape of the body. GM and Ford handle the different car and truck shapes with different radio model numbers that can look identical to each other.

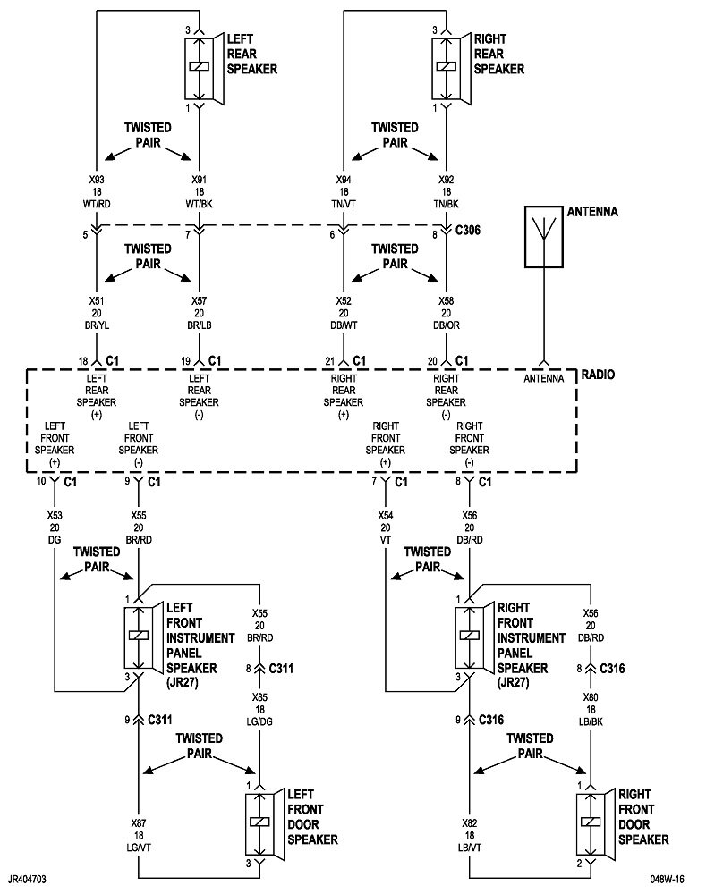
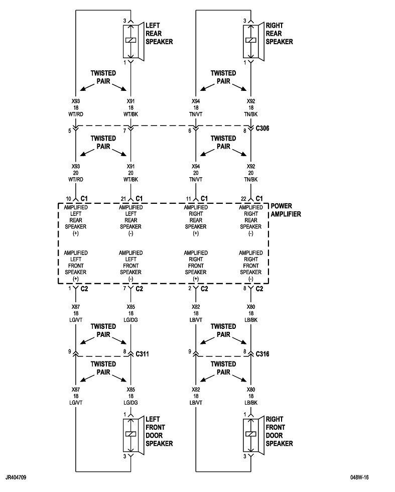
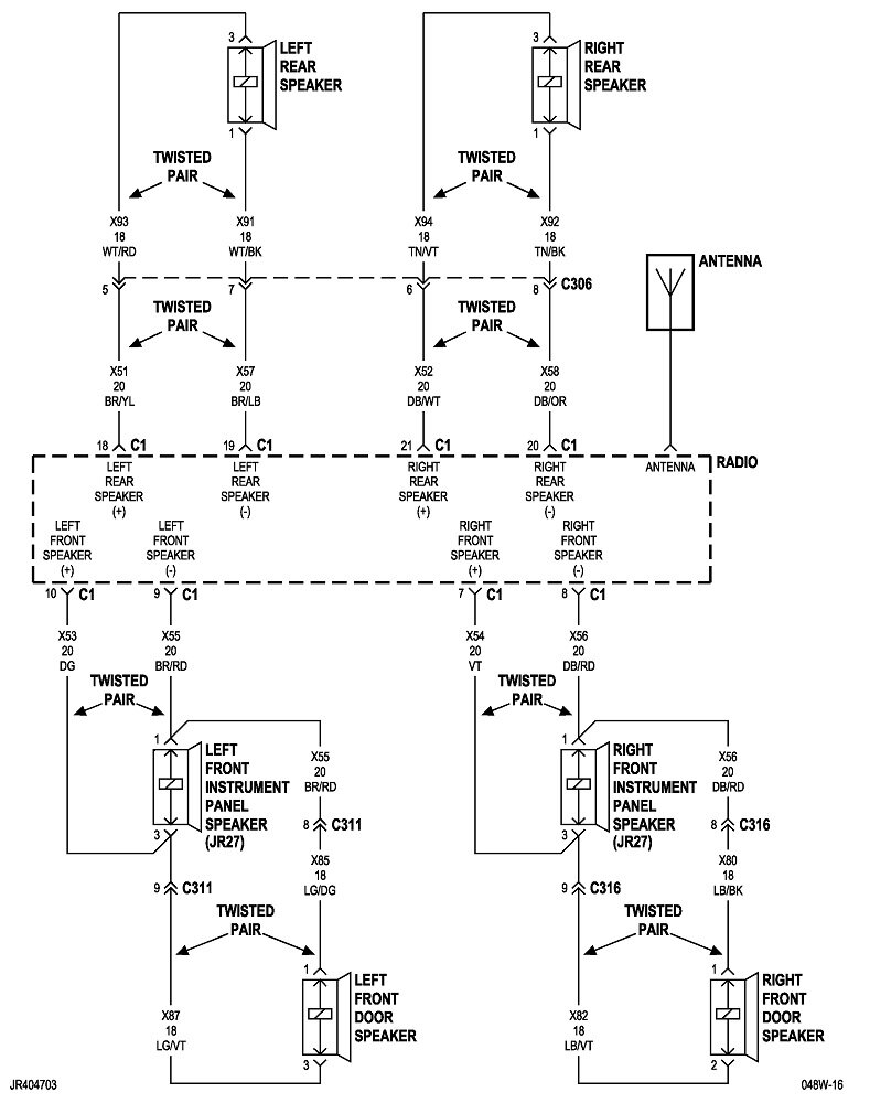
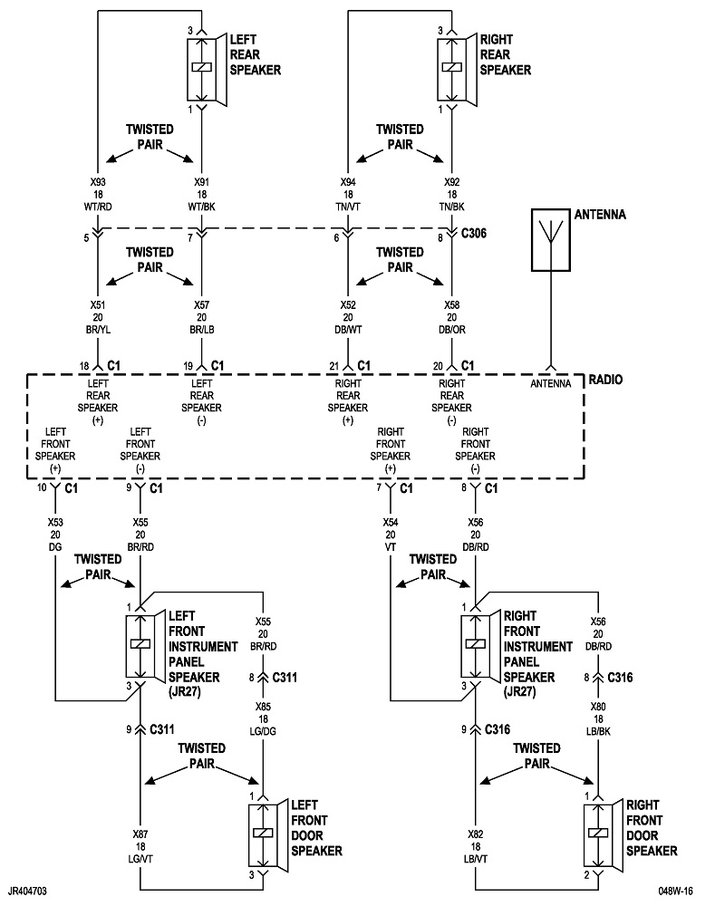
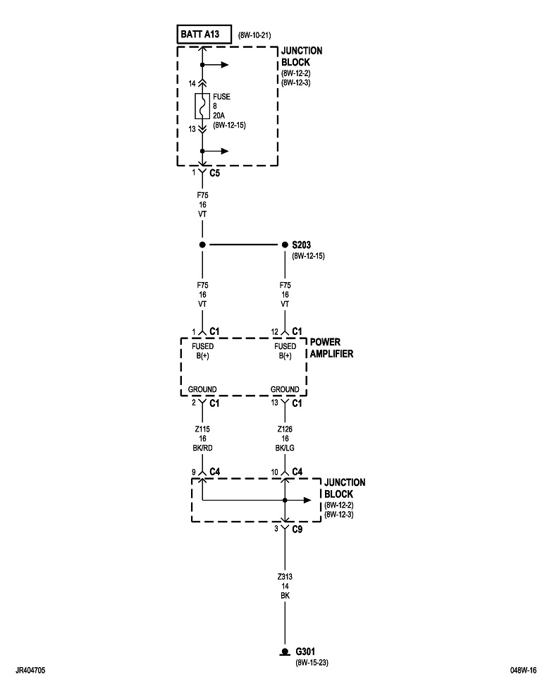
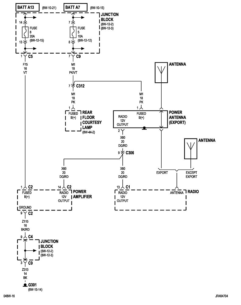
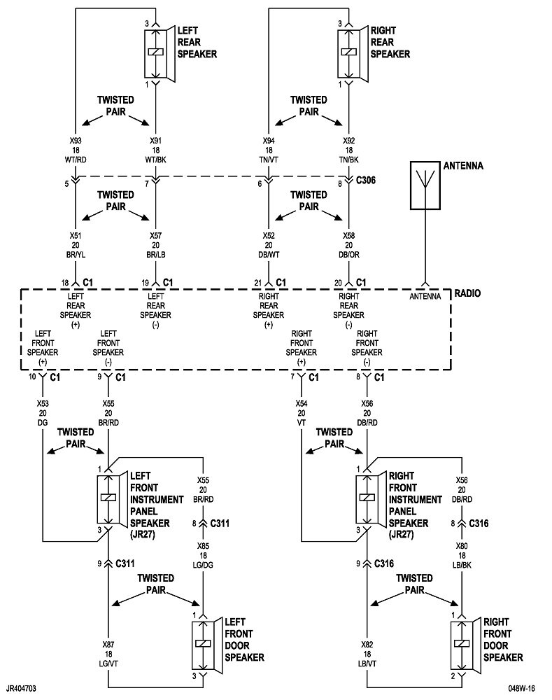
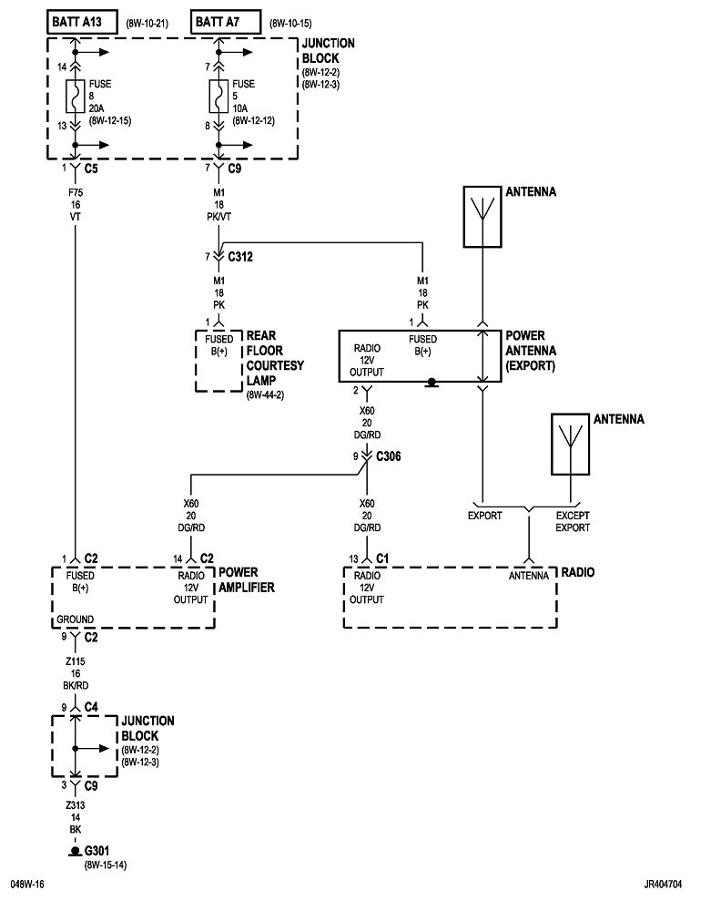
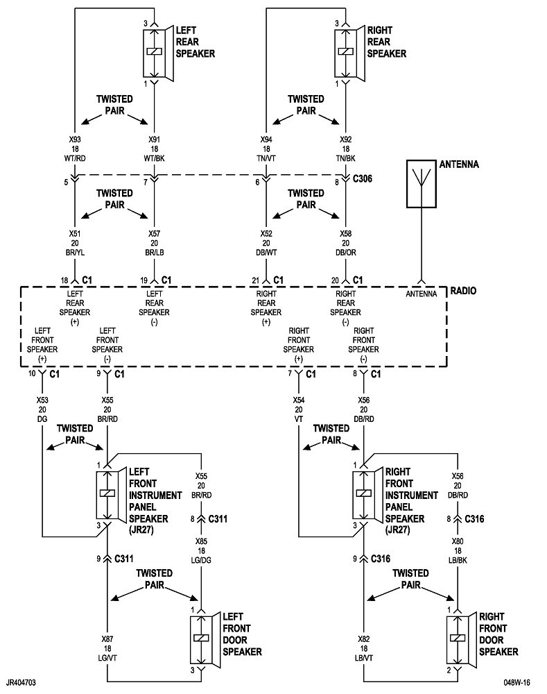
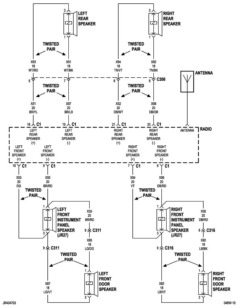
All through the late '80s and into the early 2000s, you could have a base system with no amplifier, or the Infinity system with either a remote amplifier under a seat or in the trunk, or a different version of the Infinity system with small amplifiers bolted to each speaker. Those Infinity speakers had four wires, two for the speaker, and a 12-volt and ground wire. Those were two-way speakers with a tweeter in the middle.

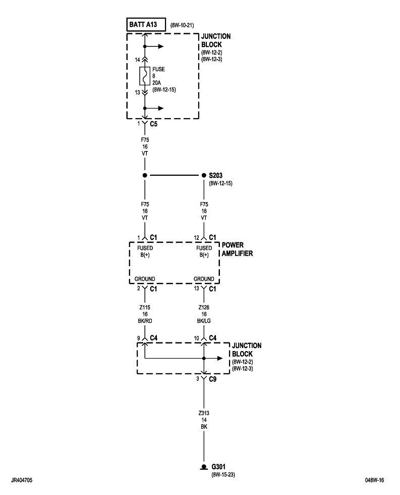
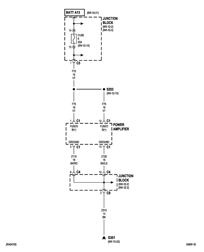
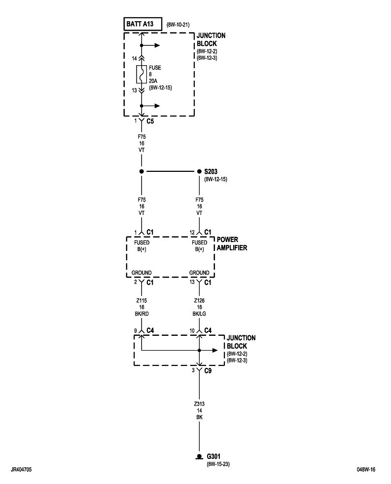
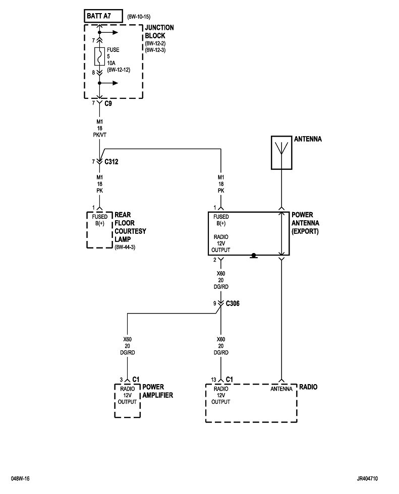
The 12 volts for either type of amp came from a relay that was turned on by the same wire leaving the radio that turned on the power antenna, when one was used. With a separate single amplifier, it has a very fat ground wire and a red 12-volt wire that was hot all the time. The smaller 12-volt wire from the relay was just the turn-on signal for the amp. In later years they did it the same way, but instead of the relay, turn-on circuitry was built into the amp.

Infinity radios put out less bass than the base radio. It is made up in the amplifier. If you run an Infinity radio without the amp, it will sound tinny unless you turn the bass control all the way up. Similarly, if you add an amp to a base radio, you'll have too much bass unless you turn it way down. Either system sounds pleasing when run with or without the amp, as it was designed. You might consider trying the radio without the amp first. Speakers in doors will sound different than if the same speaker is mounted on the rear shelf or in the dash. You might be happy without the amp.

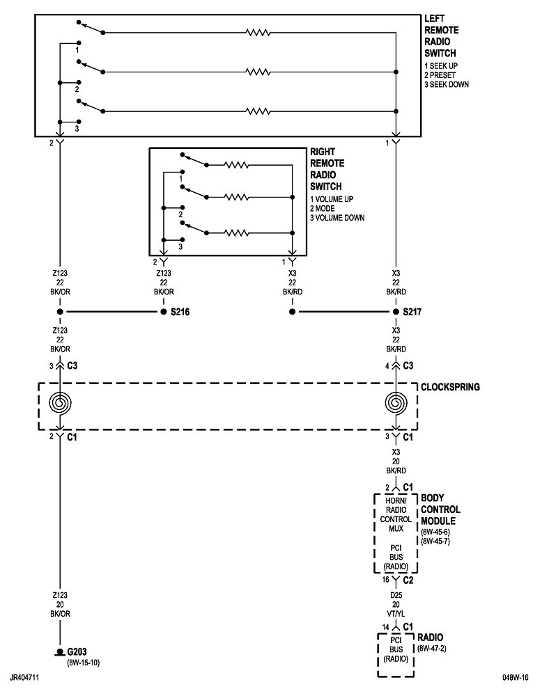
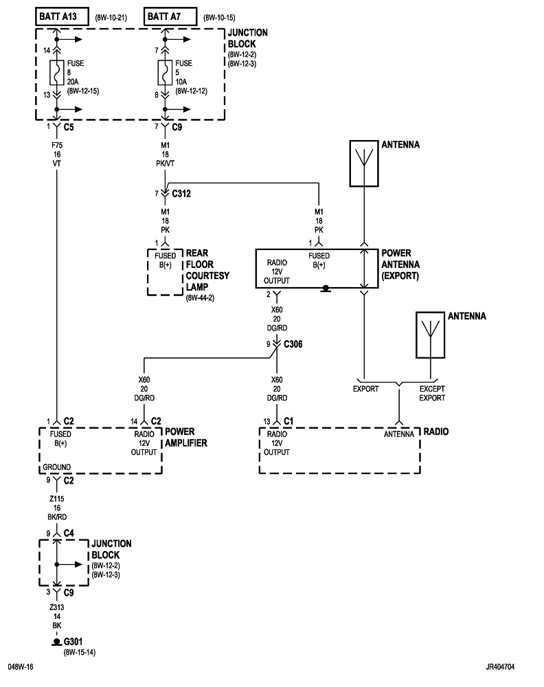
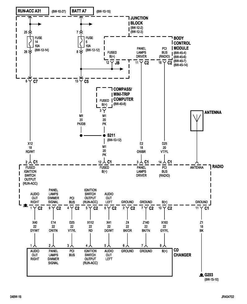
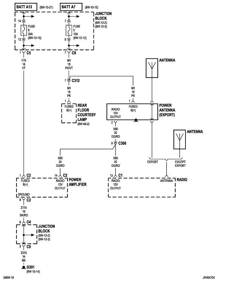
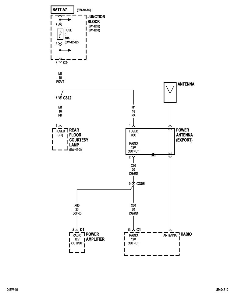
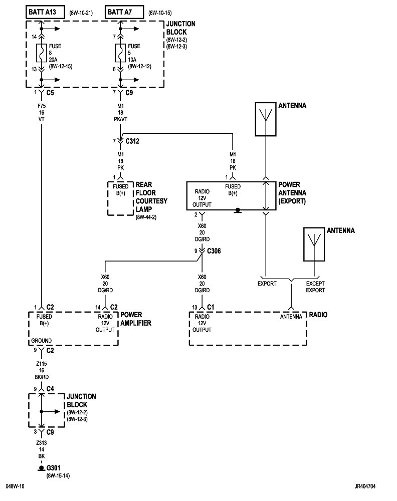
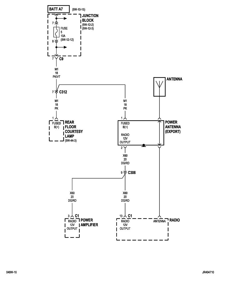
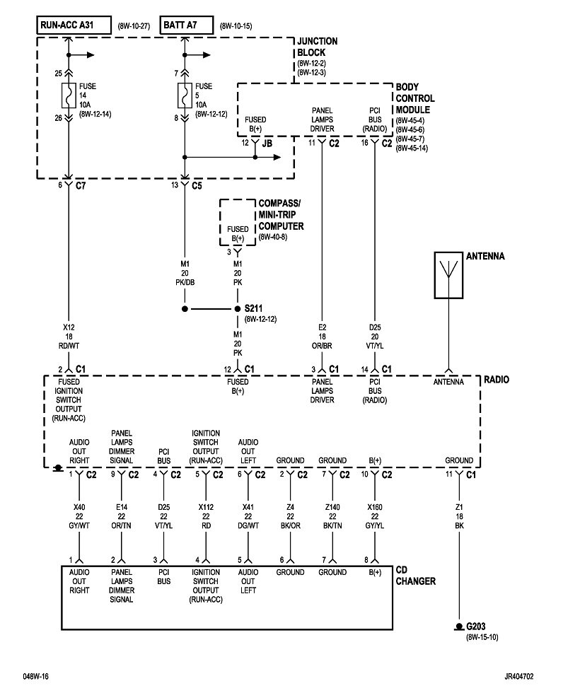
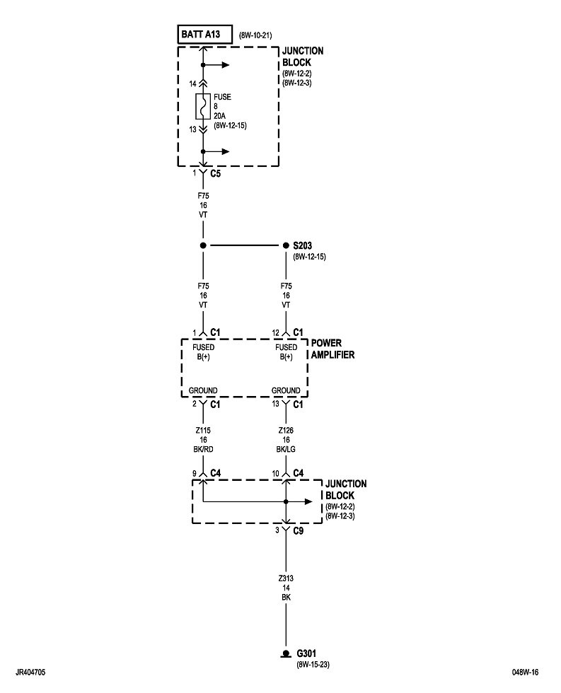
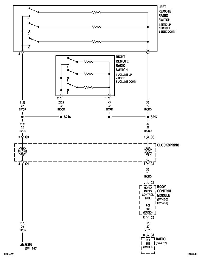
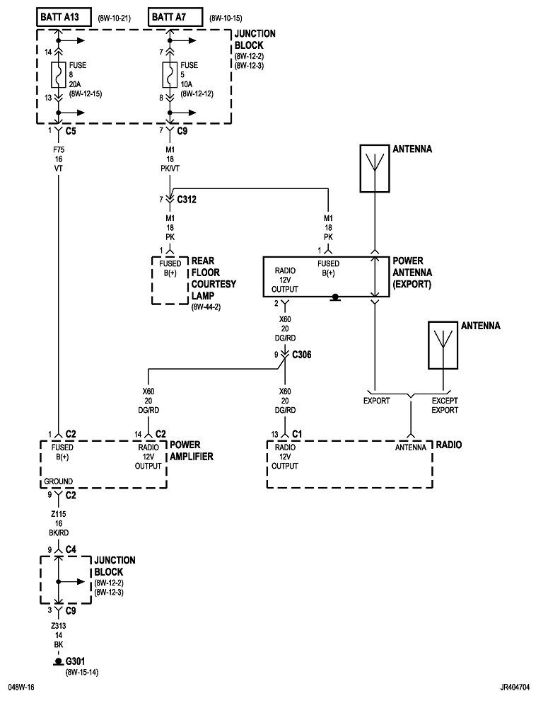
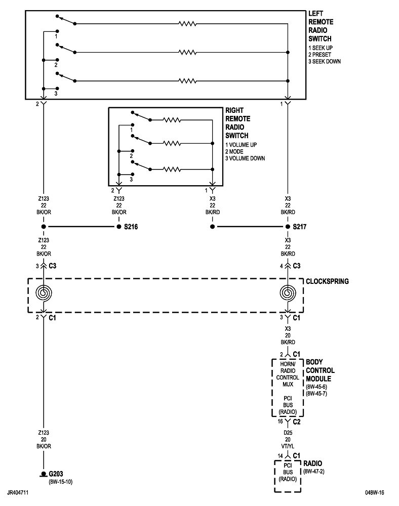
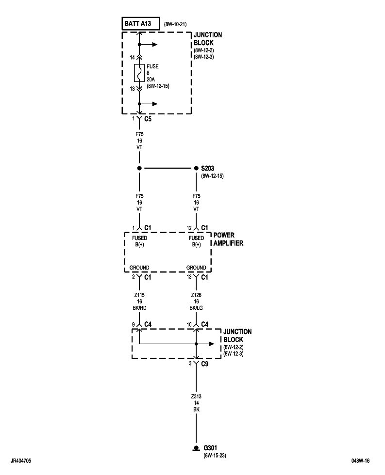
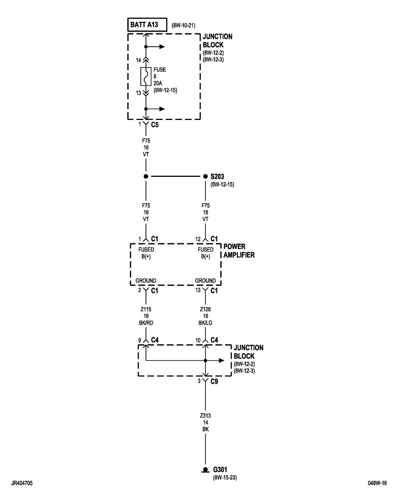
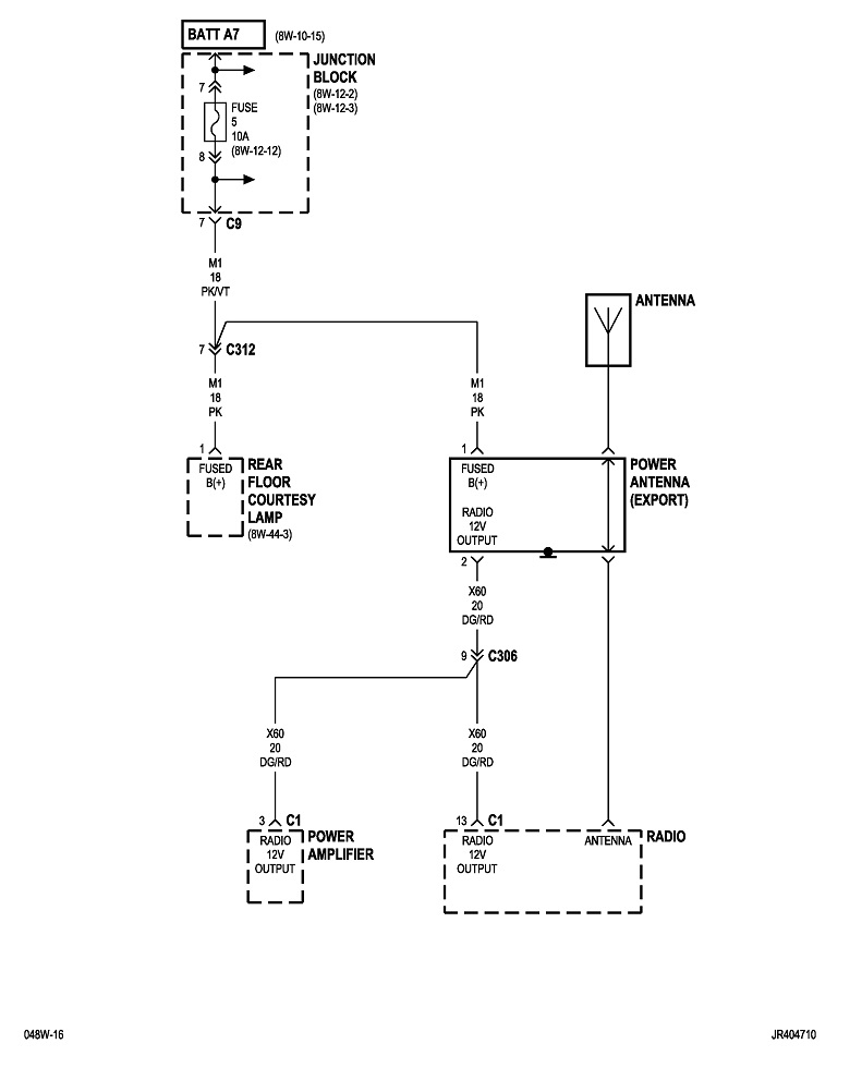
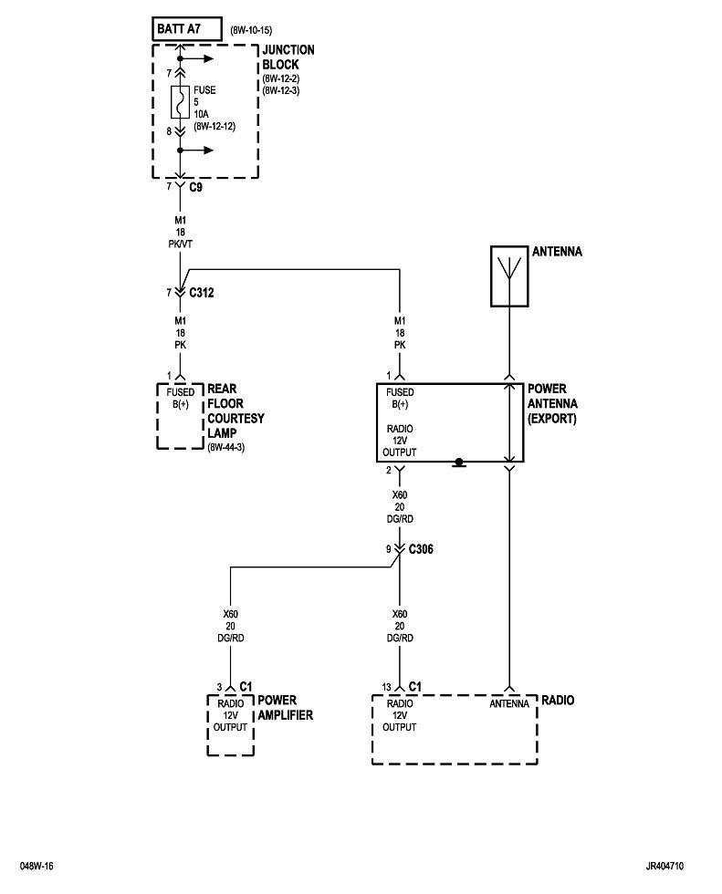
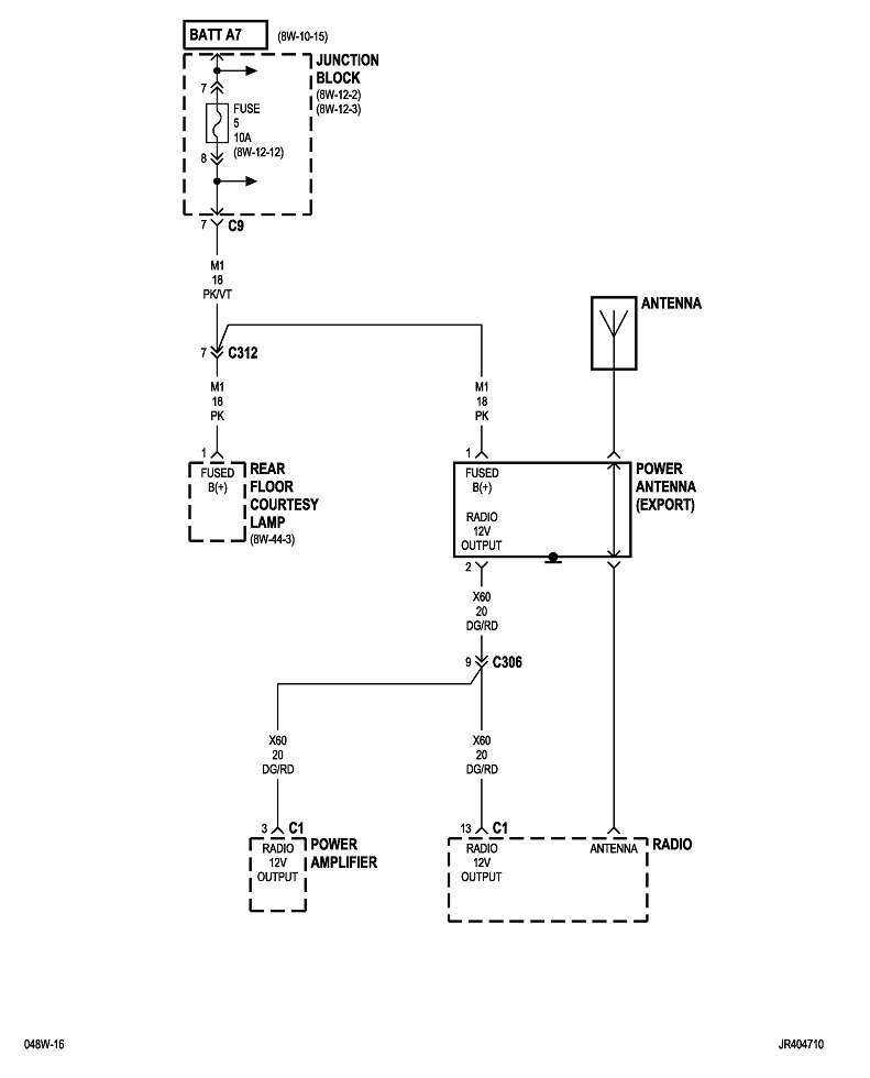
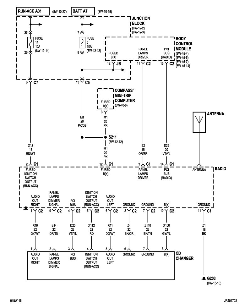
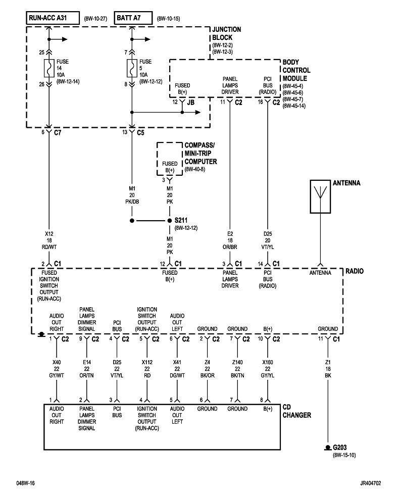
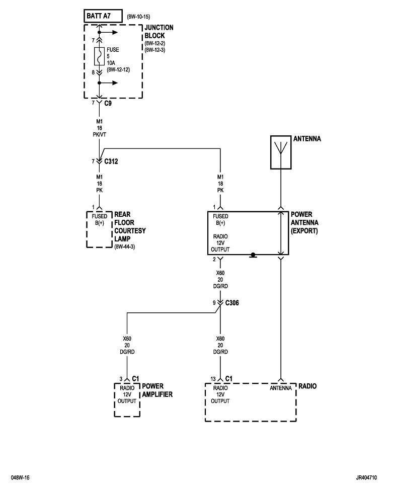
I didn't study these diagrams closely. It looks like the first ones might be for the no-amp version and the later ones are with an amp. There were no titles or headings for me to copy that would indicate the type of system.

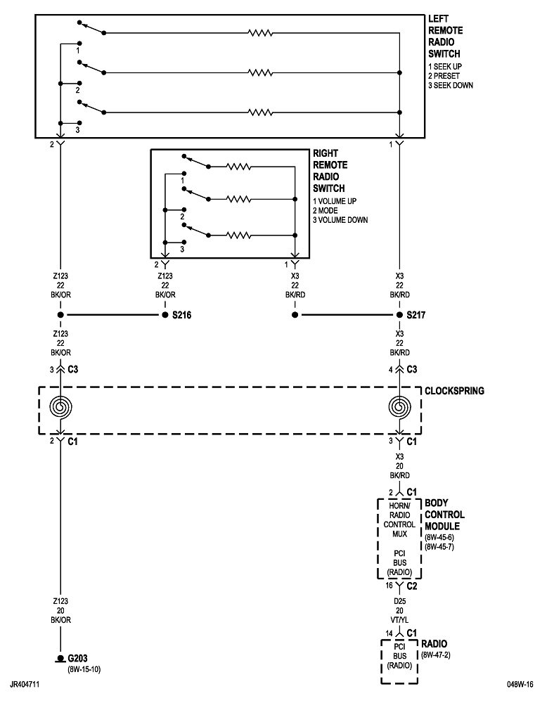
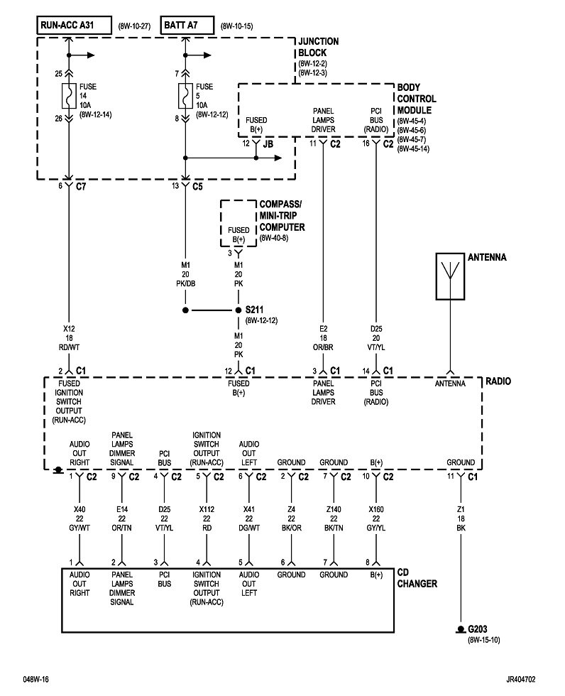
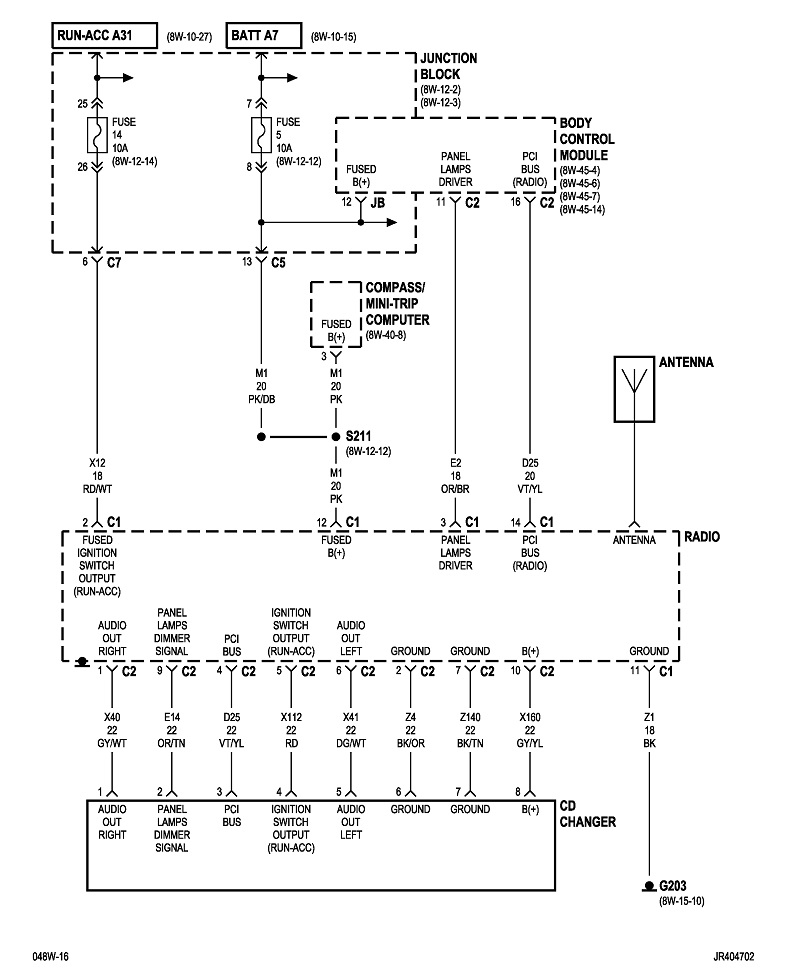
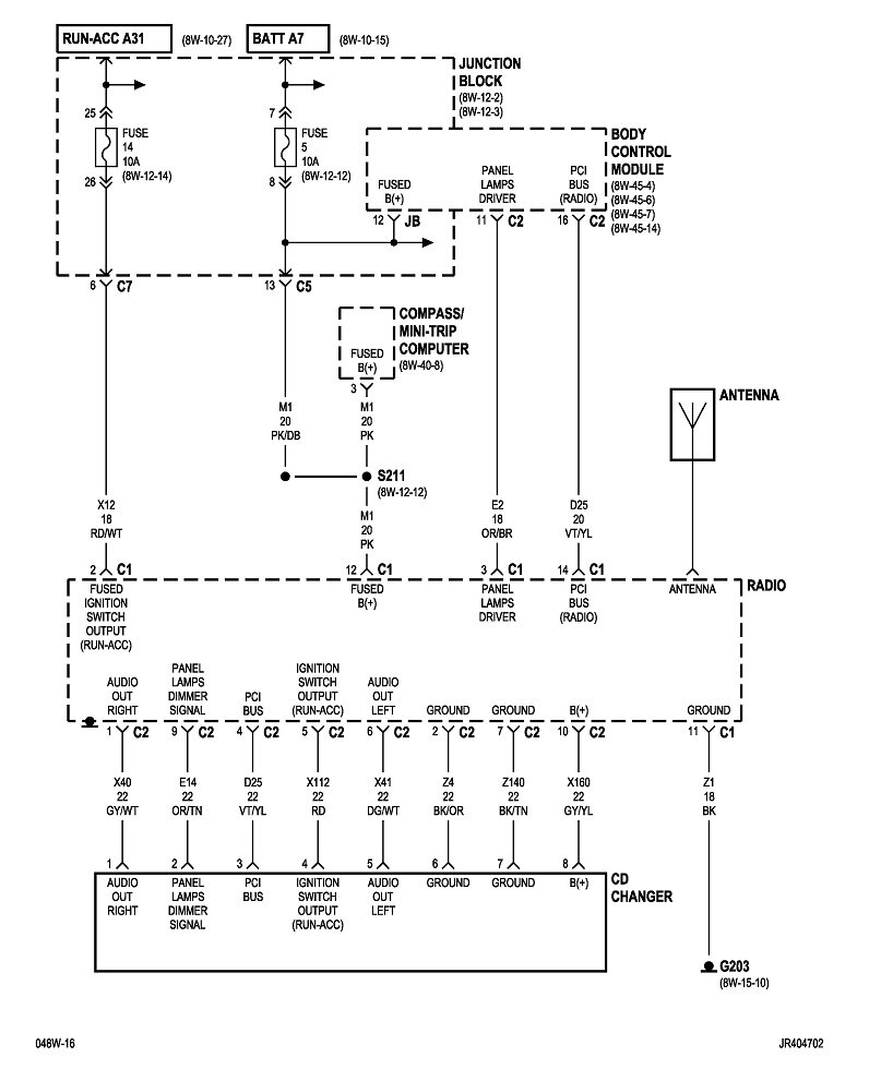
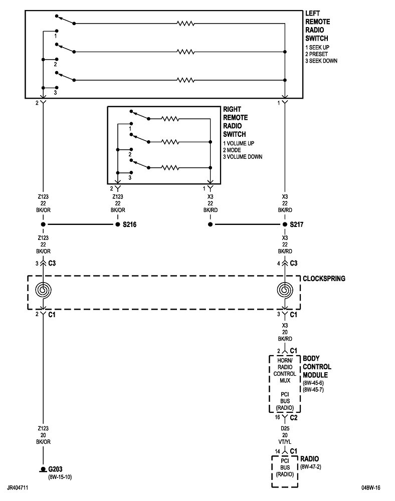
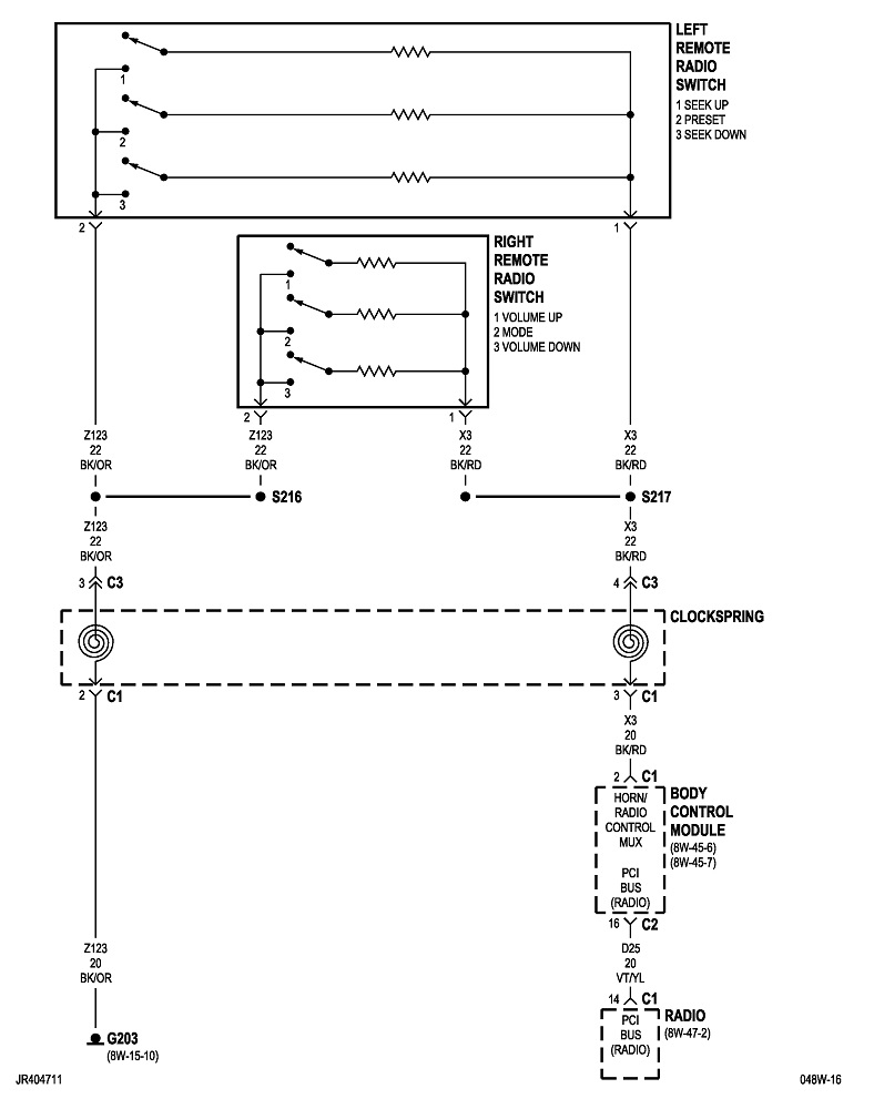
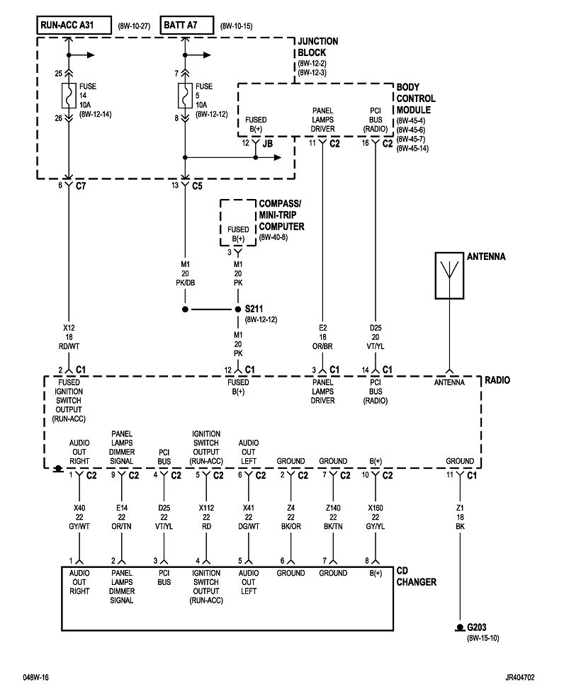
Now I'm going to share more than I know. When you see a reference to a "PCI Bus", that is a data line that connects all the modules on the vehicle together. In the '90s, that was a single-wire data bus that was not needed by the radio. It was in a two-pin connector and served two functions. If you had steering wheel controls, those functions were sent through the Body Computer out on the bus for all the computers to see, but only the radio cared about those signals. All the other computers ignored them. The radio also received road speed from the Body Computer for the speed-sensitive volume system. I don't plug in anything to the PCI bus connector on my test bench. Those radios had two 12-volt feed wires. One was hot all the time for clock and station preset memory. The other was switched on by the ignition switch to turn the radio on.

By the mid 2000s, there was just one 12-volt feed and it was constant. When you turn on the ignition switch, you're just turning on the Body Computer. It sends out data pulses over the data bus to tell everyone else to turn on, including the radio. If that is the system you have, the radio will not turn on without the Body Computer in the system. Looking at the first diagram, I see there are indeed two 12-volt feeds, one constant from the battery and one switched from the ignition switch, so you may not have this problem with the Body Computer.

This is a good time to point out one potential source of frustration that's easily avoided. Chrysler wiring diagrams can be very confusing at first, but once you get used to them, they're fairly easy to follow, but you need to be aware of one shortcoming. Looking again at the first diagram, two thirds of the way down, the box labeled, "radio" shows a wire at the top left. The "C1" stands for "connector 1", and the "2" at the left is for wire number two in that connector. That part is easy. Right under that, they list that wire's function, in this case, "fused ignition switch output". In all tv and vcr service literature, that means that module or I.C. is producing the output and sending it somewhere. The engineers at Chrysler didn't understand that. Here it means the ignition switch produced the output, (12 volts), and sent it to the radio. This is exactly backward and can get you "wrapped around the axle" if you dwell on it too long. In this case, the designation means this is where something is coming from, not going to.

Connector C2 is only used if you add a remote CD changer.

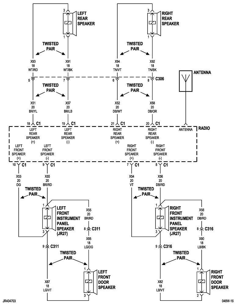
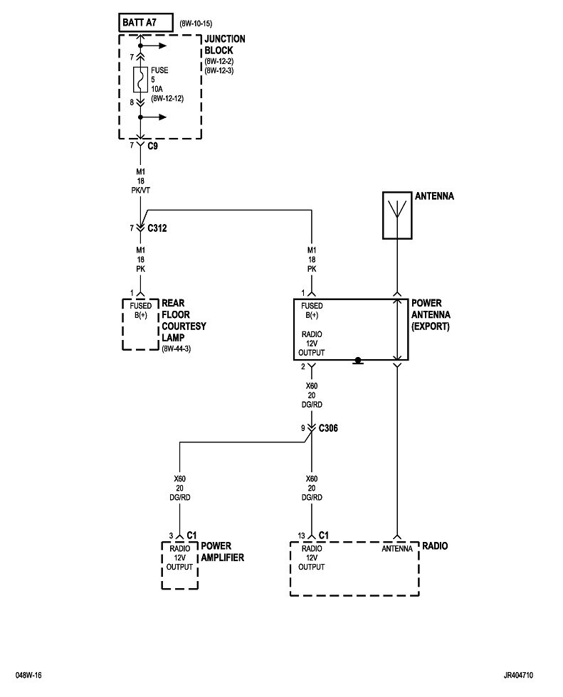
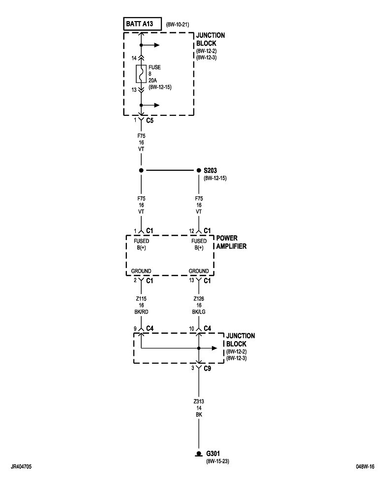
The last four images are for the amplifier plugs. You'll only use two of them. Some genius at Chrysler never figured out it would be confusing to give the name "Sebring" to three different models. One is an import, one is a convertible, and one, . . . isn't. As luck would have it, they had both versions shown in the literature, so I didn't have to ask which model you have. You'll need to look at the vehicle's VIN if you can't figure out from the wire colors in your connectors which one you have. The first two are for connectors C1 and C2 when you find "JR27" in the VIN. The last two are used if you have "JR41" in the VIN. If you don't have access to the donor vehicle, you have to go by the wire colors and locations.

By the way, for the wire designations, "X12 18 RD/WH" means it's circuit X12, an 18-gauge wire, and the insulation is red with a white stripe, or "tracer".

My final comment of value has to do with CD players. GM had a 100 percent failure rate of their CD laser assemblies all through the '90s. You were better off finding a nice aftermarket radio from Best Buy or similar. I don't recall ever running into a bad laser on a Ford radio, but I stay away from them as much as possible. Chrysler radios are built by three different suppliers. If you see "Supplier # 28046" on your radio, it was built by Mitsubishi. Those have been, by far, the best radios I've ever worked on. I've never had a bad laser. If you do get a "CD ERR" in the display, you'll fix it with a light cleaning with a Q-Tip. Pop off the top cover and it's a little hidden, but it's right up at the top. If you find, "Supplier # 26777", it's built by Alpine. I have had five bad lasers since the mid '90s. Those radios used to be the CD-only models. The Mitsubishi-built radios are CD / cassette combos. I repair and sell these at the nation's second largest old car show swap meet, and I always recommend the Mitsubishi radios for upgrades when someone just bought a used car and wants to add a CD player, even if they don't own cassettes. Those are a much superior radio. The third supplier is Chrysler themselves, but those were the base radios. At the moment I don't remember their supplier number. It has four digits.

If you consider adding the remote CD changer, here's a few tidbits to be aware of. First, for anyone buying a used Ford radio online with a built-in 6-disc changer, there's less than a one percent chance it will work when you get it. They must be set to a "park" or "home" position, then a huge metal bracket with multiple fingers must be inserted to hold everything in time. Without that bracket, they can't withstand the bouncing during shipping. Also, they have a sticker on them and on the replacement mechanisms that says, "Scrap if dropped". They aren't kidding. It's as though they're designed to need to be replaced.

Similarly, the Chrysler 4-disc doesn't like to be shipped. They need to have four special bolts installed to hold the mechanism during shipping. Doesn't matter if it's a remote 4-disc changer or it's that unit built into the radio. Without those bolts, there's about a 50 percent chance it will work when received. That drops to 0 percent if it comes by way of the UPS basketball team. The better alternative is to find a Chrysler 6-disc changer. Those were also built into the radio and as stand-alone remote units with a connecting cable. Those automatically go into a "park" position when it's unplugged. I've never heard of a 4-disc unit developing a problem when it's installed in the vehicle and power is connected to it.

To run a 4 or 6-disc remote CD changer, the radio must have the numbers under the station preset switches, and C2 on the back for the cable. The numbers let you select a CD directly. Some radios only had the numbers 1 through 4. If you install a 6-disc player, you have to use the "Disc Up" or "Disc Down" switches to get to the fifth and sixth disc. Some radios have the numbers 1 through 6. If you have a four-disc changer, it will just ignore the fifth and sixth switches. I sell mostly 4-disc changers at the car show. The 6-disc are harder to come by.

You can also add a larger remote CD changer in the trunk, as I did to my '93 Dynasty. There used to be two versions of that. One is controlled with a wired hand-held remote. The other is run by the controls on the radio, same as with the little dash-mounted units. Mine switches automatically to CD player when selected. There's another version that requires the radio to be tuned to a specific station number to pick up the signal. Those were intended for use in older vehicles with radios without CD changer controls. You can find the cartridges for those models with "Chrysler", "Ford", or "Sony" on the label. They were all the same.

It doesn't matter if the radio has a built-in CD player, cassette player, or both, any of those can have the controls to run a remote CD changer. On my list, the model number you listed is shown as a built-in 6-disc changer for a 2015 Jeep Liberty. Often dealers would switch radios between two new cars, so yours could have appeared in a Sebring. The diagrams show the plug to run another changer. I don't know if that's an option or if it's possible. That plug, C2, can also be used for other things like satellite radio, but that's beyond the capabilities of my memory banks.

If the diagrams are too small to read, copy and paste them into a typing program like MS Word. They show up very nice there, but you can expand them too. Please keep me updated on your progress. I'd like to know if you get this to work, and how it sounds.
Sep 1, 2023 at 1:12 AM
Advertisement
Advertisement
Repair Safety Notice: This information is for general instructional purposes only. Vehicle repair can be dangerous. Verify all information, follow manufacturer service procedures, use proper tools and safety equipment, and consult a qualified repair shop when needed.