Installing aftermarket radio

Tiny
FLEXINGTON RUGER
  • MEMBER
  • 1999 BUICK CENTURY
  • 3.1L
  • V6
  • 148,000 MILES
Which wire in the radio harness controls the steering wheel controls? I have wire for it in my aftermarket radio but cant locate it in my car
Wednesday, August 18th, 2021 AT 12:31 PM

2 Replies

Tiny
FLEXINGTON RUGER
  • MEMBER
  • 2 POSTS
This is the radio I am installing.
Was this
answer
helpful?
Yes
No
Wednesday, August 18th, 2021 AT 12:33 PM
Tiny
JACOBANDNICKOLAS
  • MECHANIC
  • 110,194 POSTS
Hi,

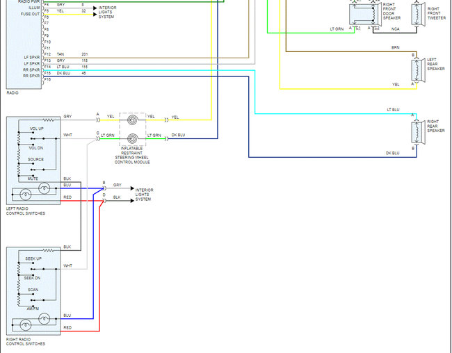
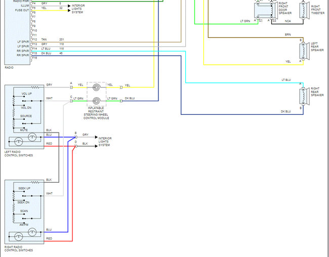
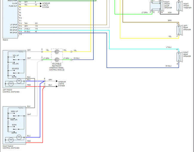
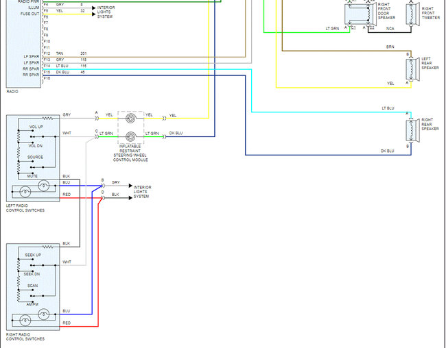
I attached the wiring schematics below for the two radio options the vehicle came with. One had a power amp and the other didn't. Note that each system was one page long. I had to cut each in half to make them readable for you. I did overlap each so you can follow from one to the next.

The first two pics below are for the OEM system that had the amp. The last two are for the one that didn't.

I added both so you have them in the event you need to identify other wires. Also, from what I'm seeing, regardless of which system you have, the wire should be dark blue.

Here is a link that you may find helpful:

https://www.2carpros.com/articles/how-to-check-wiring

Let me know if this helps or if you have other questions.

Take care,

Joe

See pics below.
Was this
answer
helpful?
Yes
No
Wednesday, August 18th, 2021 AT 2:21 PM

Please login or register to post a reply.