Thursday, January 12th, 2023 AT 2:20 PM
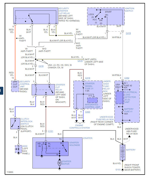
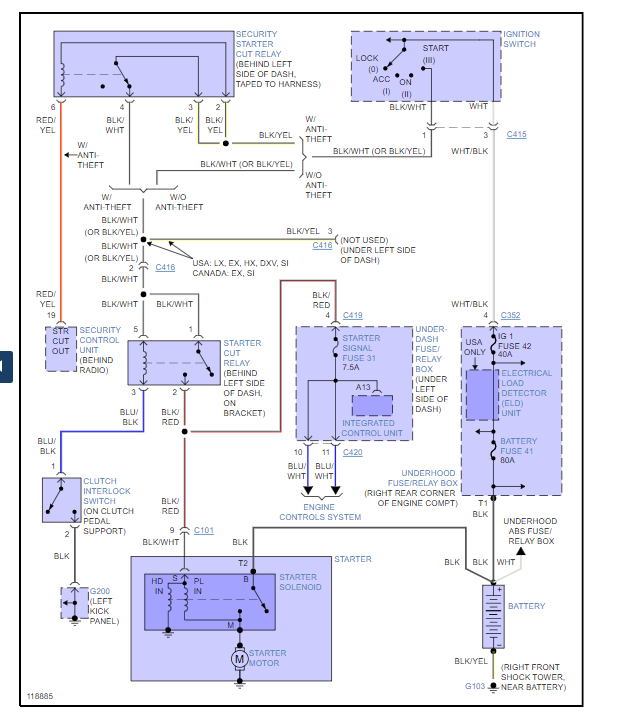
I installed an aftermarket double din stereo on my car listed above ex and the car was running good before the install but after I installed it, the car would start or crank. All the electrical work. Not sure what's going on. I did check the fuses, and none looked blown. I did take the starter out got it checked and it was so I don't know if that has anything to do with it.



