Battery not charging?

Tiny
INA1960
  • MEMBER
  • 2022 MERCURY SABLE
  • 3.0L
  • 6 CYL
  • 2WD
  • AUTOMATIC
  • 150,000 MILES
Install a new alternator and bought new battery, but battery is not charging.
Friday, March 3rd, 2023 AT 7:07 AM

3 Replies

Tiny
CARADIODOC
  • MECHANIC
  • 34,461 POSTS
There were no Mercurys after 2011. If you list the correct model year, I'll look up the charging system diagram and see what I can find.
Was this
answer
helpful?
Yes
No
Friday, March 3rd, 2023 AT 7:26 PM
Tiny
INA1960
  • MEMBER
  • 2 POSTS
Sorry my bad, it's a 2003.
Was this
answer
helpful?
Yes
No
Friday, March 3rd, 2023 AT 8:48 PM
Tiny
CARADIODOC
  • MECHANIC
  • 34,461 POSTS
Dandy. I took a guess at a 2002 model, downloaded what I wanted, then went home to format the diagrams for posting. It appears everything is the same for a 2003 model.

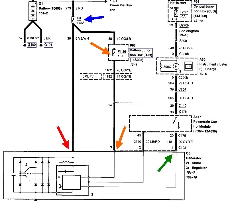
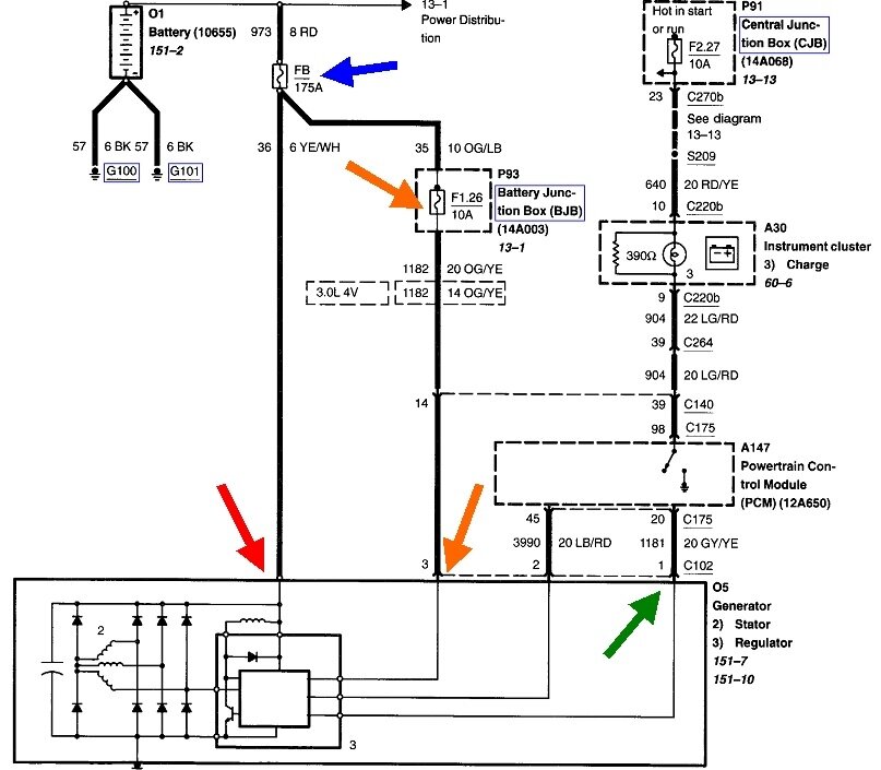
The first diagram is for the entire charging system with the test points and fuses pointed out. The second, third, and fourth photos are from an older model I used as a "bugged" car for students to diagnose. Your wire colors will be different, but the tests should be the same.

One notable exception is the engineers at Ford figured out they had made the system much too easy to diagnose, so starting around 2000, they added a stamped steel cover over the test points. We can still do most of the voltage tests.

Step one is to observe if the "Battery" warning light turns on when the ignition switch is turned to "run". If it does not, there is likely a break in the green / red wire or the connector terminal at the back of the generator. One voltage test will verify this circuit is working properly. This is the turn-on circuit for the voltage regulator to wake it up and get it started. The Engine Computer has been added to this circuit for 2002 and 2003 models, then that wire changes to a green / yellow wire.

Next, measure the battery's voltage with the engine not running. If you find close to 12.6 volts, the battery is good and fully charged. If it's near 12.2 volts, it is good, but fully discharged. It should be charged at a slow rate for a couple of hours with a small portable charger, then rechecked. Now remeasure that voltage with the engine running. It must be between 13.75 to 14.75 volts. If it is, that only means it is okay to perform the rest of the tests, but those require a professional load tester. You'll have to visit your mechanic for that. Pursue that if the vehicle has problems or symptoms related to the charging system. If there are no symptoms, there is no need to go further. This article shows this test being performed:

https://www.2carpros.com/articles/how-to-check-a-car-alternator

For the benefit of others researching this topic who are not familiar with using a digital voltmeter, start by looking at this article:

https://www.2carpros.com/articles/how-to-use-a-voltmeter

They're using an "auto-ranging" meter which is an expensive feature that isn't needed. You can find a perfectly fine meter at Harbor Freight Tools for around $7.00. Also look at Walmart or any hardware store. I can help with setting it up if necessary.

If the charging voltage is below 13.75 volts, we'll need to look at the wires at the generator. Start with the fat wire bolted onto the output stud. You may need to pull back a red rubber cover. That terminal must have the same voltage you find right at the battery all the time. If you find 0 volts with engine off, and / or higher than battery voltage with engine running, the 175-amp fuse is blown. That can be caused by a shorted generator or by touching that terminal and something metal on the engine at the same time, with a metal tool. Fuses that large are usually bolted into the fuse box because plug-in terminals can't handle that much current.

These next two voltages must be taken with the connector plugged in to be valid. With the ignition switch in "run", back-probe through the rubber weather seal next to the green / yellow wire, (red arrow in the third photo). Expect to find close to 2.0 volts. That would indicate that wire does not have a break in it, it is not shorted to ground, and that connector terminal is making a good contact with its mating terminal in the voltage regulator. 0 or 12 volts indicates a defect in that circuit.

If that green / yellow wire has the correct 2.0 volts, move to the orange / yellow wire, (red arrow in the fourth photo). This one must have full battery voltage all the time, regardless of ignition switch position. If you find 0 volts, fuse # 1.26, (pink arrow in the sixth photo), is blown. Failure of this fuse has been very common of Ford products. If it's blown, just replace it with no need to look for a cause.

On older models there was another simple test to determine if a dead charging system was caused by the generator itself or by the voltage regulator bolted to the back of it. Defective voltage regulators were very easy and inexpensive to replace. Now, with this newer computer-controlled design, that test is not provided, and the regulator is not a replaceable item. Instead, if these voltage tests are all okay, the generator must be replaced as an assembly. Since you did that already, the next step is to suspect the Engine Computer. Before that is replaced, there are diagnostic charts with tests to verify the computer is the cause of the problem. The question then is why was the generator replaced originally, or, did the replacement make a change in the symptoms?

Let me know what you find up to this point.
Was this
answer
helpful?
Yes
No
Saturday, March 4th, 2023 AT 3:59 PM

Please login or register to post a reply.