timing chain replacement instructions please?

2005 CHEVROLET CAVALIER
140,000 MILES • 2.2L • 4 CYL • 2WD • AUTOMATIC
Avatar
MARK FRIZZELL
  • MEMBER
  • 142 POSTS
No start, Ecotec. I have 60 psi, new fuel regulator, have spark, checked chain it is good, upon inspection seems there are no injectors working because no fuel in cylinders plugs are dry. engine cranks but does not start but if you leave it overnight it tries to hit first cranking, but after that it just cranking no start. also replaced crank sensor. Help! what now?
Thanks, Mark
Dec 8, 2017 at 11:06 AM
Repair Safety Notice: This information is for general instructional purposes only. Vehicle repair can be dangerous. Verify all information, follow manufacturer service procedures, use proper tools and safety equipment, and consult a qualified repair shop when needed.
Advertisement
Avatar
STRAILER
  • CAR REPAIR CONTRIBUTOR
  • 54,189 POSTS
We need to see if the injectors are getting pulse. If you have a test light you can do this by following this guide:

https://www.2carpros.com/articles/how-to-test-a-fuel-injector

Then we can see if it is a trigger problem are a pressure problem.

Also, we should run the codes to see what comes up.

https://www.2carpros.com/articles/checking-a-service-engine-soon-or-check-engine-light-on-or-flashing

Please let us know what happens.

Cheers, Ken
Dec 9, 2017 at 8:22 PM
Advertisement
Avatar
MARK FRIZZELL
  • MEMBER
  • 142 POSTS
We got it running after full throttle and choked it, determined that it has jumped time.
Dec 10, 2017 at 7:41 AM
Avatar
STRAILER
  • CAR REPAIR CONTRIBUTOR
  • 54,189 POSTS
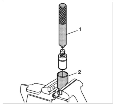
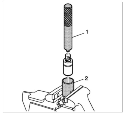
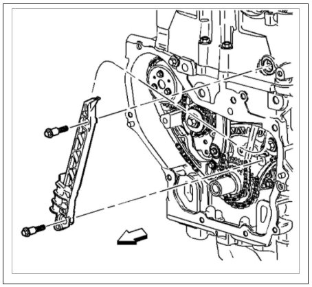
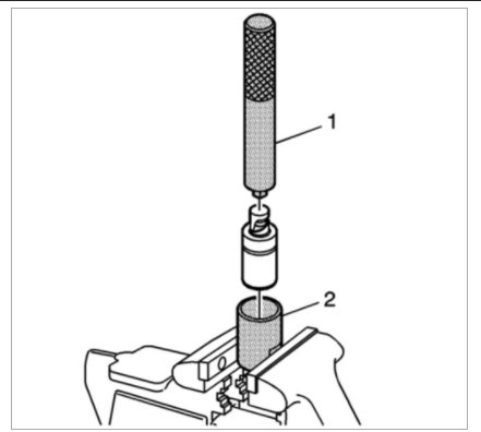
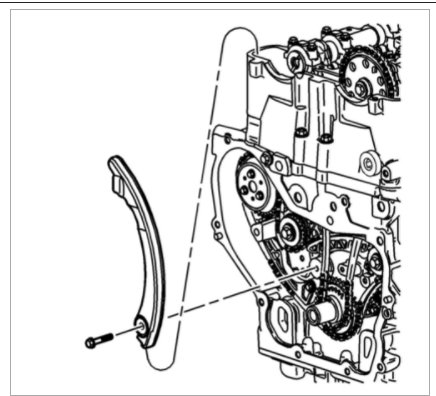
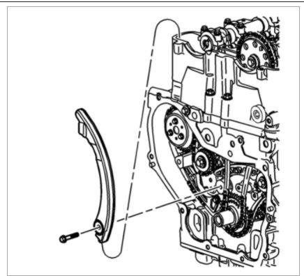
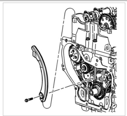
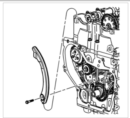
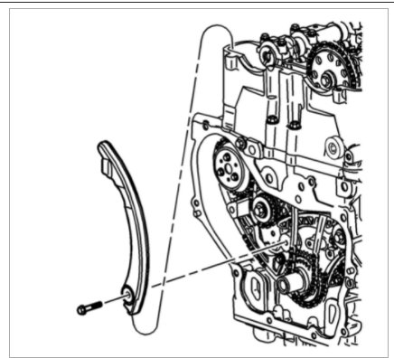
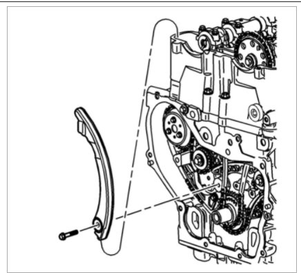
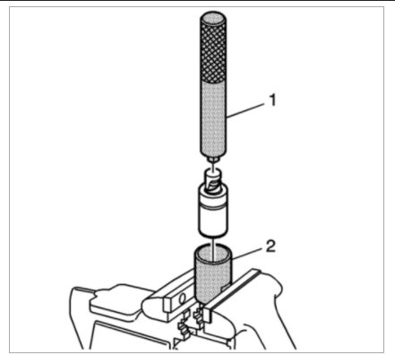
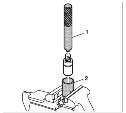
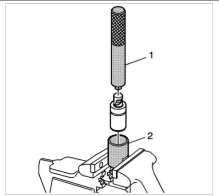
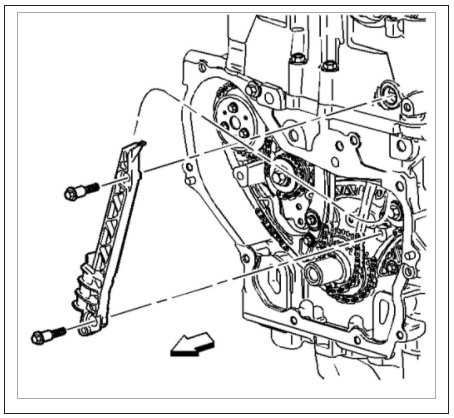
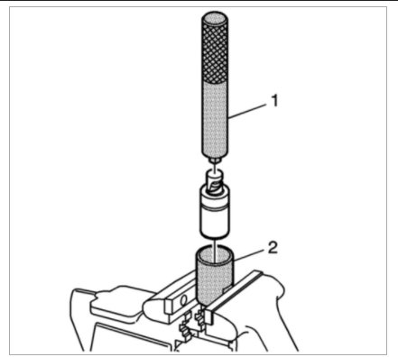
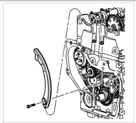
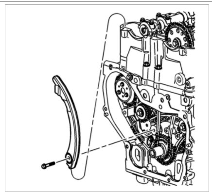
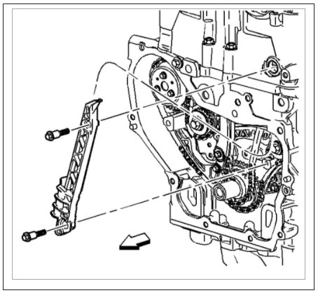
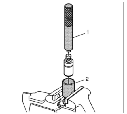
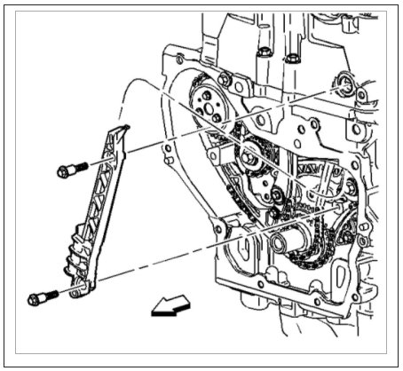
Yep that happens. Here are some diagrams on how to replace the chain. It might have bent valve so I would take the camshafts out and do a leakdown test before you install the new chain.

Here are the guides to do the timing chain (below)

Please let us know what you find. We are interested to see what it is
Dec 15, 2017 at 1:36 PM