Injection wiring diagram needed?

Tiny
PETEREPETE
  • MEMBER
  • 1998 JEEP GRAND CHEROKEE
  • 3,000,000 MILES
Hi mate, I really need help. Would you know where I could get a wiring diagram for my vehicle listed above zg 98 Limited Edition grand Cherokee from a colored diagram.
Tuesday, March 4th, 2025 AT 7:08 PM

5 Replies

Tiny
STEVE W.
  • MECHANIC
  • 15,685 POSTS
Which engine and transmission are in that. The US versions had the 5.9 in them. Being a ZG I'm guessing this is an export version? I don't think they used a different system but without knowing the engine it could be.
Was this
answer
helpful?
Yes
No
Wednesday, March 5th, 2025 AT 10:06 AM
Tiny
PETEREPETE
  • MEMBER
  • 7 POSTS
6 cylinder 4.0 auto gas and fuel.
Was this
answer
helpful?
Yes
No
Wednesday, March 5th, 2025 AT 9:54 PM
Tiny
STEVE W.
  • MECHANIC
  • 15,685 POSTS
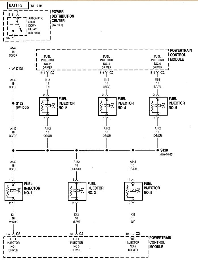
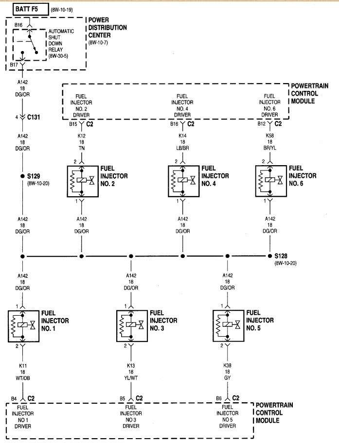
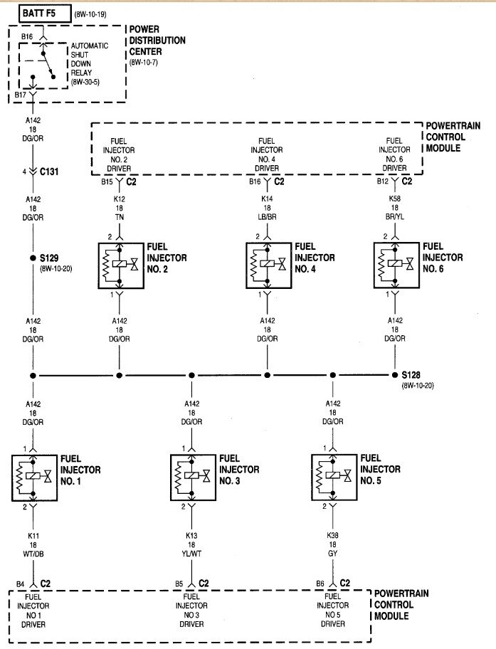
Hmm. Okay, that's a different one. That would be the lower-level Grand Cherokee here. However, the 4.0 is a great engine. The injector wiring is as shown. One side of each has a Dark Green wire that provides power from the auto shut down relay. Then each has a control wire that grounds it through the PCM. They are each a different color for each cylinder Cyl 1 - White w dark blue, Cyl 2 - Tan, Cyl 3 - Yellow with white, Cyl 4 - Light Blue with brown, Cyl 5 - Gray, Cyl 6 - Brown with yellow
Those should be correct as they used a lot of the same engine controls regardless of country.
Was this
answer
helpful?
Yes
No
+1
Wednesday, March 5th, 2025 AT 11:30 PM
Tiny
PETEREPETE
  • MEMBER
  • 7 POSTS
Your a champion mate, thank you for your help, much appreciated Steve.
Was this
answer
helpful?
Yes
No
Thursday, March 6th, 2025 AT 11:29 AM
Tiny
STEVE W.
  • MECHANIC
  • 15,685 POSTS
You are welcome.
Was this
answer
helpful?
Yes
No
Thursday, March 6th, 2025 AT 5:33 PM

Please login or register to post a reply.

Related General Content