Injector coil fuse

Tiny
STANLEY MCCOLLEY
  • MEMBER
  • 1996 BUICK CENTURY
  • 6 CYL
  • FWD
  • 300,534 MILES
The injector coil fuse keeps blowing every time I turn key on. What will cause that what can I do to fix it?
Friday, May 19th, 2017 AT 10:46 AM

1 Reply

Tiny
KEN L
  • MASTER CERTIFIED MECHANIC
  • 55,383 POSTS
Hello,

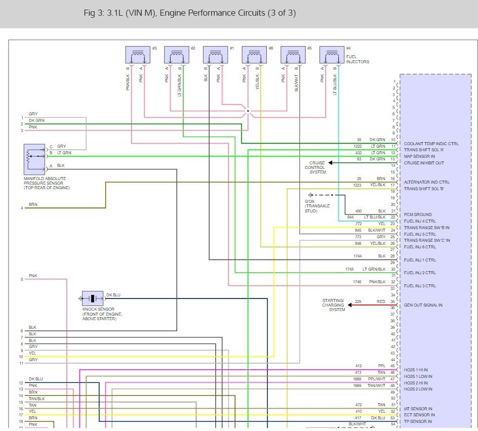
One of two things can cause this problem to occur. First is one of the injectors is shorted out in which case you should unplug all injectors and then replace the fuse, plug the injectors one at a time until the fuse blows then replace that injector.

Or you have a short in the wiring which is touching ground somewhere, insect the wiring harness closely to see if you can find the damage.

Here is some wiring diagrams (below) so you can do some testing.

https://www.2carpros.com/articles/how-to-check-wiring

Please run some tests and get back to us so we can continue helping you.

Cheers, Ken

Was this
answer
helpful?
Yes
No
+2
Friday, May 19th, 2017 AT 6:38 PM

Please login or register to post a reply.