Door Buzzer

Tiny
LESTER ELLIS
  • MEMBER
  • 1996 FORD RANGER
  • 3.0L
  • 6 CYL
  • 2WD
  • AUTOMATIC
  • 130,000 MILES
The door buzzer goes when the door is open when the key is out.
Tuesday, May 2nd, 2017 AT 2:38 PM

1 Reply

Tiny
KEN L
  • MASTER CERTIFIED MECHANIC
  • 55,488 POSTS
Hello,

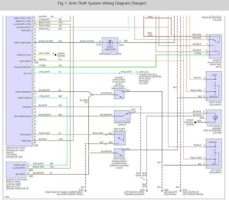
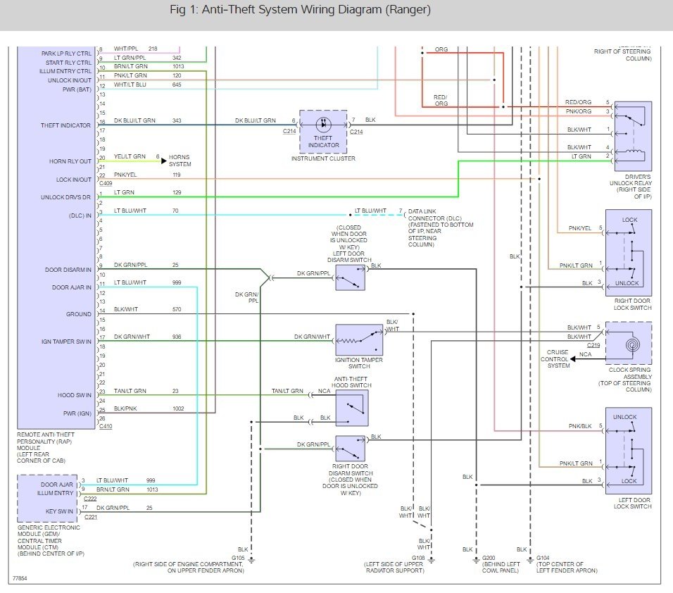
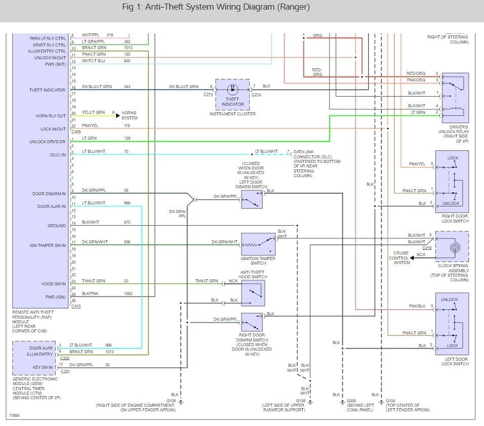
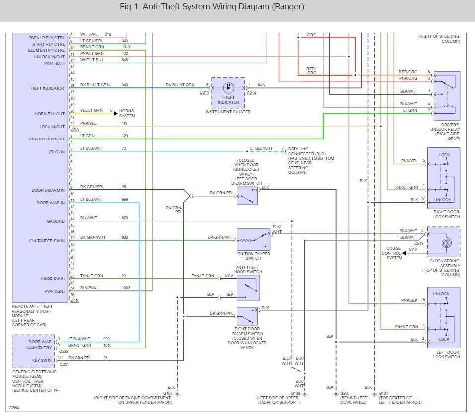
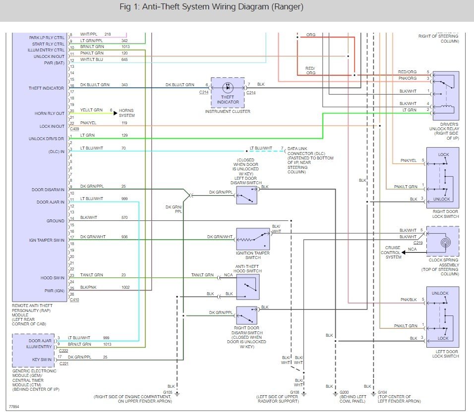
There is a small micro switch in the ignition tumbler that senses when the ignition key is in the lock. It sounds like your is not grounded when the key is not in, here is a wiring diagram so you can check the wire and ground it if needed to get the buzzing to stop.

Here is the instructions from the manual and a diagram (below)

Unplug RAP module. Module is located behind trim panel at driver-side "B" pillar. Measure resistance between pins No. 14 (Black/White wire) and No. 17 (Dark Green/White wire) at harness connector. If resistance is not 145-175 ohms, replace lock cylinder sensor, or repair Dark Green/White and/or Black/White wire

Use this procedure to remove ignition lock cylinder if key is missing or cylinder lock is frozen. Disconnect battery negative cable. Remove steering wheel. See STEERING WHEEL & AIR BAG under REMOVAL & INSTALLATION or STEERING WHEEL & HORN PAD . Remove upper and lower steering column shrouds. Disconnect key warning switch electrical connector. Use a 1/8" (3.17 mm) drill bit to drill out retaining pin. DO NOT drill deeper than 1/2" (12.7 mm).

Place a chisel at base of lock cylinder cap. Using hammer, strike chisel with sharp blows to break cap away from lock cylinder. On all models, use 3/8" (9.52 mm) drill bit to drill out center of lock cylinder key slot. Drill down approximately 1 3/4" (44 mm) until lock cylinder breaks away from base of lock cylinder.
Remove metal shavings from lock cylinder housing. Remove bearing retainer, bearing and ignition drive gear from lock cylinder. Thoroughly clean all metal shavings and other foreign materials from housing. Carefully inspect housing for damage. If damage is apparent, replace housing.

Please let us know what you find ;)

Cheers, Ken
Was this
answer
helpful?
Yes
No
Friday, May 5th, 2017 AT 4:03 PM

Please login or register to post a reply.