HOME
ASK A QUESTION
REPAIR GUIDES
BECOME A MEMBER
LOG IN
Login with Facebook
OR
Remember me
NOT A MEMBER?
FORGOT PASSWORD?
CONTACT US
PRIVACY POLICY
TERMS AND CONDITIONS
☰
Home
Chevrolet
Uplander
Fuel System
Fuel Pump
Location
Inertia fuel pump saggy switch
JORDANHESTER
MEMBER
2008 CHEVROLET UPLANDER
190,000 MILES
Having trouble understanding and finding out where it is located in. What all you have to do to get to it?
Thursday, August 30th, 2018 AT 6:08 AM
1 Reply
ASEMASTER6371
MECHANIC
52,796 POSTS
Good morning.
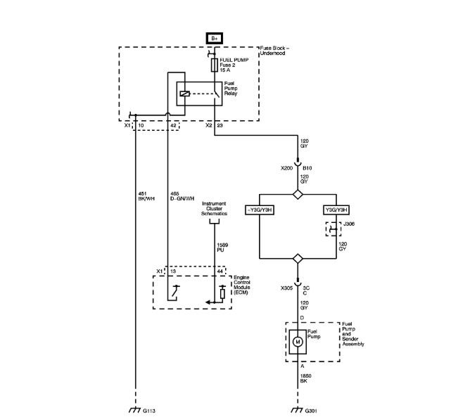
There is no inertia switch on GM. That is for Ford systems.
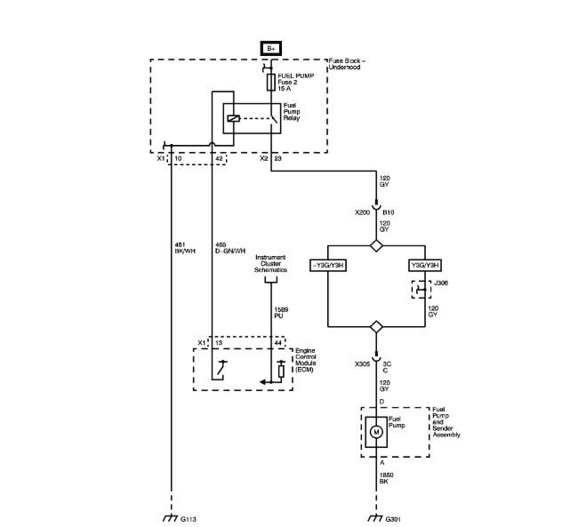
I attached a wire diagram for you for the fuel pump system. Verify the fuses are good by checking for power on both sides of the fuse.
Roy
Image (Click to make bigger)
Was this
answer
helpful?
Yes
No
Thursday, August 30th, 2018 AT 7:47 AM
Please
login
or
register
to post a reply.
Ask a Car Question. It's Free!
Fuel Pump Replacement
How to fix an engine that wont start
Fuel Pump Pressure Test