In the Morning the engine start up and then stalls immediately

Tiny
BEE MAN2
  • MEMBER
  • 1999 HONDA CIVIC
  • 1.6L
  • 4 CYL
  • FWD
  • AUTOMATIC
  • 166 MILES
Hi, after changing the radiator as it was rusty and in bad condition and caused the engine to run in a higher temperature, now in the morning the engine starts up normally and directly stalls. I have to put my foot on the pedal to make the rpm up to 1000 for five minutes at least. I went to reputable mechanics he checked the throttle body and the sensors attached and found one sensor was blocked with the contamination. He make the necessary repair and also changed the spark plug, the fuel filter, the air filter and checked both the pump pressure, the injectors and temperature sensor and it is okay.
Also, the engine fuel consumption is too high.
Thanks for your assistance.
Monday, December 26th, 2016 AT 1:52 AM

5 Replies

Tiny
HMAC300
  • MECHANIC
  • 48,601 POSTS
Try cleaning throttle plate on both sides and IAC hole and check for a vacuum leak. Like a hose off etc.
Was this
answer
helpful?
Yes
No
Monday, December 26th, 2016 AT 7:07 AM
Tiny
BEE MAN2
  • MEMBER
  • 3 POSTS
I already did, some pro told me it might be the ECU, especially the engine consum heavy fuel.
Was this
answer
helpful?
Yes
No
Tuesday, December 27th, 2016 AT 8:49 AM
Tiny
HMAC300
  • MECHANIC
  • 48,601 POSTS
I kind of doubt an ECU. scan for codes and check fuel pressure with a gauge auto parts rent gauge. See link.
https://www.2carpros.com/articles/how-to-check-fuel-system-pressure-and-regulator
Was this
answer
helpful?
Yes
No
Tuesday, December 27th, 2016 AT 9:27 AM
Tiny
BEE MAN2
  • MEMBER
  • 3 POSTS
Although the engine is very weak
Was this
answer
helpful?
Yes
No
Friday, December 30th, 2016 AT 1:28 AM
Tiny
KEN L
  • MASTER CERTIFIED MECHANIC
  • 55,361 POSTS
Hey BEE MAN2,

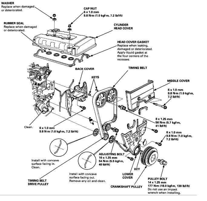
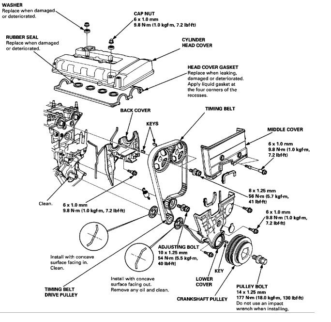
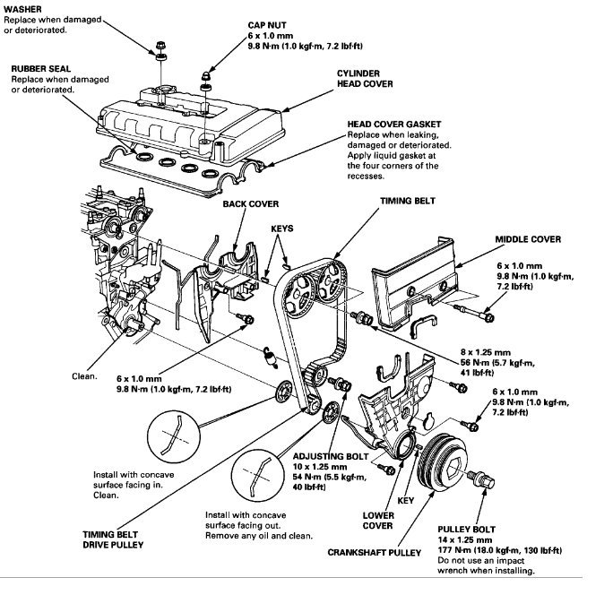
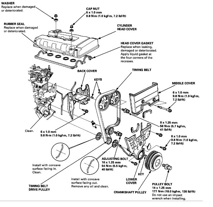
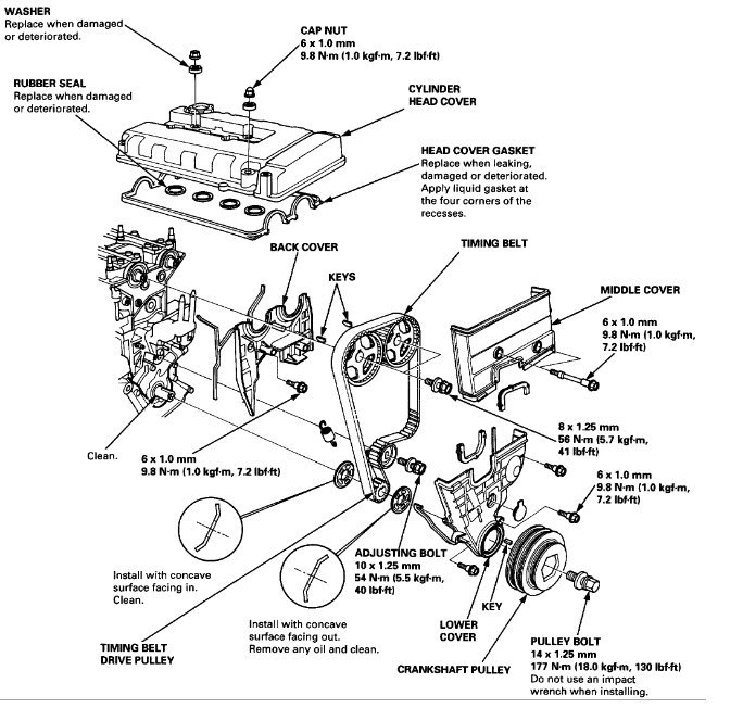
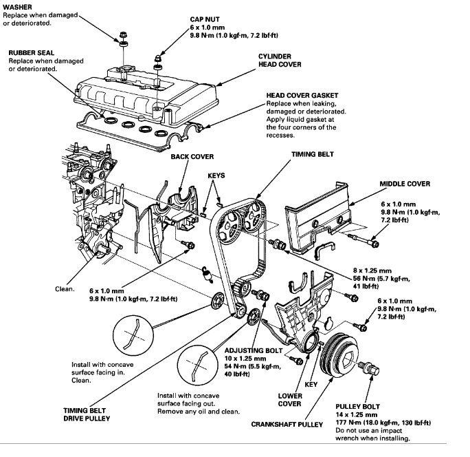
It sounds like the timing belt is off one tooth, can you remove the timing cover and check the cam timing?

Here is a guide to see if the mark are correct.

Please let us know happens so it will help others.

Best, Ken
Was this
answer
helpful?
Yes
No
Tuesday, January 3rd, 2017 AT 2:36 PM

Please login or register to post a reply.