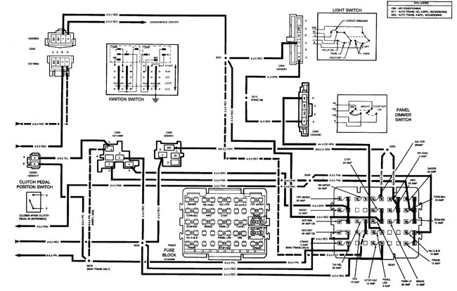
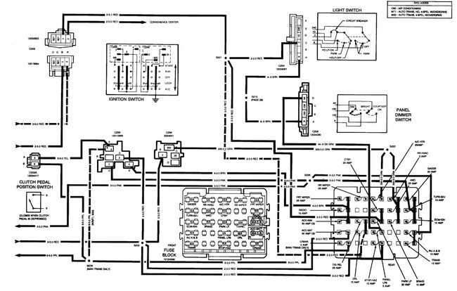
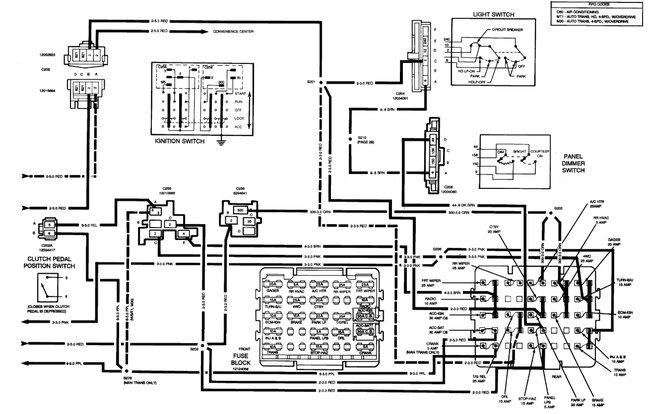
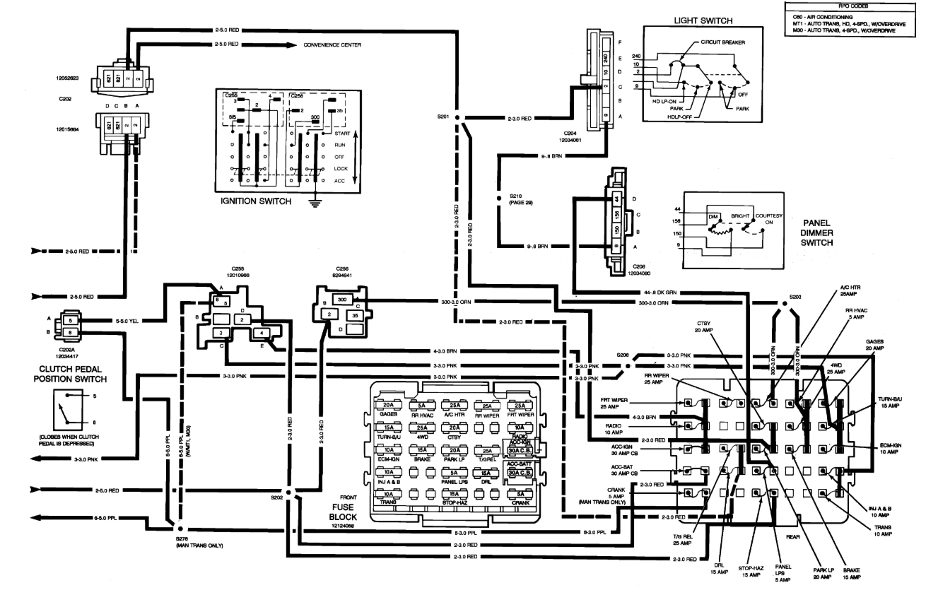
Tuesday, December 3rd, 2019 AT 6:53 PM
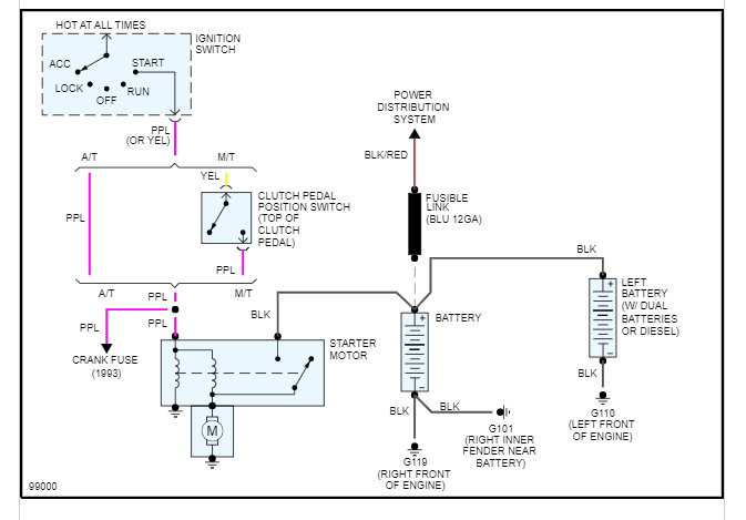
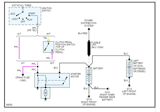
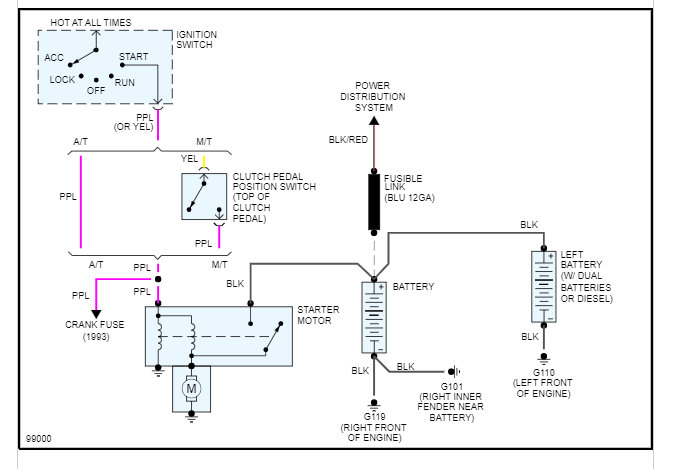
The switch is on the outside of column and one of the wires has come off and I need to know where it goes until I can order a new steering column to fix it. So I guess I'm needing the wiring diagram for it?







