Immobilizer Intermittent? Engine Not Cranking Over?

Tiny
DAVID W. CHAPMAN
  • MEMBER
  • 6 POSTS
The truck does start and run most of the time. I have this problem that seems to happen more and more.
Was this
answer
helpful?
Yes
No
Monday, January 25th, 2021 AT 11:38 AM (Merged)
Tiny
HMAC300
  • MECHANIC
  • 48,601 POSTS
I think your security system is messed up and the only way to check is with a pro scanner that most mechanics have, the old battery could have caused some of it, but putting a new battery in normally engages the security and it may not happen immediately. Have a pro scan it to see if it is security or another problem it does not need to be a dealer to do this.
Was this
answer
helpful?
Yes
No
-1
Monday, January 25th, 2021 AT 11:38 AM (Merged)
Tiny
SCOTTYROCKET
  • MEMBER
  • 1 POST
  • 2012 CHEVROLET SILVERADO
  • 5.3L
  • V8
  • 90,000 MILES
Truck listed above is a 1500 LT model. Yesterday it started sluggishly 3 times and wouldn't start after that. While driving the voltmeter read 14+. I jump started it this morning with all accessories off and it restarted okay after turning it off. When I restarted it and turned on the accessories, it started draining. I turned the truck off and it continued to drain, to the point it would not start. Jumped it again and drove to AutoZone, their meter showed both the alternator and battery as good. So, where do I go now, perhaps a starter solenoid? Side note: I get a buzzing noise from the ceiling speaker quite often like its running all the time.
Was this
answer
helpful?
Yes
No
Monday, January 25th, 2021 AT 11:38 AM (Merged)
Tiny
DAVID W. CHAPMAN
  • MEMBER
  • 6 POSTS
How hard is this to get fixed.
Was this
answer
helpful?
Yes
No
Monday, January 25th, 2021 AT 11:38 AM (Merged)
Tiny
KASEKENNY
  • MECHANIC
  • 18,907 POSTS
We need to determine if your vehicle has a battery sensor on the negative battery terminal of the battery.

This is used to determine the load on the battery so that it knows how much to duty cycle the generator. In other words, when all the accessories are turned off the draw on the battery is low and so the voltage regulator is duty cycled low. When you add the accessories the duty cycle should go up so that the voltage regulator puts out a higher voltage. The fact that it is dropping when you add the accessories back in, show that the regulator is not increasing the output. This is either due to a faulty regulator or the battery sensor is not accurate.

You can verify this by monitoring the voltage in the BCM with a scan tool.

Let me know what questions you have. Thanks
Was this
answer
helpful?
Yes
No
Monday, January 25th, 2021 AT 11:38 AM (Merged)
Tiny
HMAC300
  • MECHANIC
  • 48,601 POSTS
It has to be scanned first then go from there it may be a simple or minor problem. If the ignition switch is messed up could be causing this, but after install it has to be programmed to truck anyhow.
Was this
answer
helpful?
Yes
No
-1
Monday, January 25th, 2021 AT 11:38 AM (Merged)
Tiny
DAVID W. CHAPMAN
  • MEMBER
  • 6 POSTS
This end up being my starter.
Was this
answer
helpful?
Yes
No
Monday, January 25th, 2021 AT 11:38 AM (Merged)
Tiny
KEN L
  • MASTER CERTIFIED MECHANIC
  • 55,281 POSTS
Hey David,

Good to hear the problem is fixed! Please use 2CarPros anytime.
Was this
answer
helpful?
Yes
No
Monday, January 25th, 2021 AT 11:38 AM (Merged)
Tiny
ANDY1978
  • MEMBER
  • 1 POST
  • 2011 CHEVROLET SILVERADO
  • 6.0L
  • V8
  • 4WD
  • AUTOMATIC
  • 140,000 MILES
When I try to use my remote start the fuel pump primes but the engine does not turn over.
Was this
answer
helpful?
Yes
No
Monday, January 25th, 2021 AT 11:38 AM (Merged)
Tiny
KASEKENNY
  • MECHANIC
  • 18,907 POSTS
There are a number of reasons that this happens. See the attachment for the list of inhibit events. Basically there is one of these that is causing the remote start from starting the engine.

There is no easy way to know which one other than checking each of them. Let me know if you have questions. Thanks
Was this
answer
helpful?
Yes
No
Monday, January 25th, 2021 AT 11:38 AM (Merged)
Tiny
TWY
  • MEMBER
  • 1 POST
  • 2010 CHEVROLET SILVERADO
  • 76,000 MILES
Engine does not turn over but lights come on. I jumped in to go down to the store and it started no problem but then shut off and now will not start again. Checked the fuses and all seem to be fine not sure what is wrong?
Was this
answer
helpful?
Yes
No
Monday, January 25th, 2021 AT 11:38 AM (Merged)
Tiny
SATURNTECH9
  • MECHANIC
  • 30,869 POSTS
Can you hear the fuel pump run in the tank for 5 seconds when the key is turned on with cranking the engine over? If not lets check the fuel pump relay. Here is a guide to help test the relay with the location below.

https://www.2carpros.com/articles/how-to-check-an-electrical-relay-and-wiring-control-circuit

This guide can help as well

https://www.2carpros.com/articles/car-cranks-but-wont-start

Check out the diagrams (Below). Please let us know what you find. We are interested to see what it is.
Was this
answer
helpful?
Yes
No
Monday, January 25th, 2021 AT 11:38 AM (Merged)
Tiny
SHANNON_PRIV
  • MEMBER
  • 1 POST
Thank you for this post I had this problem and had to get a new fuel pump relay cost me $34.00 all fixed! I love this site.
Was this
answer
helpful?
Yes
No
Monday, January 25th, 2021 AT 11:38 AM (Merged)
Tiny
BGUIDRY84
  • MEMBER
  • 1 POST
  • 2015 CHEVROLET SILVERADO
  • 5.3L
  • V8
  • 4WD
  • AUTOMATIC
  • 203,000 MILES
Hello, when I tried to start it this morning it would not turn over. I have good voltage, lights, radio and other accessories work find. When I turn the key all I hear is a humming sound for a couple seconds (I'm assuming that's the fuel pump). Could it be the starter?
Was this
answer
helpful?
Yes
No
Friday, April 23rd, 2021 AT 12:05 PM (Merged)
Tiny
JACOBANDNICKOLAS
  • MECHANIC
  • 110,192 POSTS
Hi,

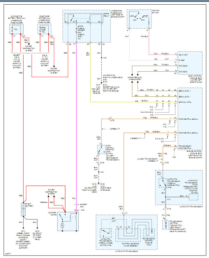
It could be the starter. Let's check a few things first. There is a 40amp starter fuse in the under hood fuse box. I did my best to help you locate it. If you look at pics 1 and 2, they show the wiring schematic (pic 1 and highlighted) and pic 2 ( highlighted the fuse). See if the fuse is good. If it is, confirm there is power to and from it. Here is a link to help with that:

https://www.2carpros.com/articles/how-to-check-a-car-fuse

If it checks good, switch the starter relay with a different one in the box having the same part number.

If that doesn't change things, we need to see if the starter motor is getting power. On the starter, there will be a heavy gauge wire that always has 12v right from the battery. There will a smaller gauge wire that should have 12v when the key is in the start position. Have a helper turn the key to start while you check the smaller wire for power. Here is a link to help you check the starter:

https://www.2carpros.com/articles/starter-not-working-repair

If it does have power, replace the starter. If there is no power, let me know.

Here is a link the explains in general how to replace a starter. You can use it as a guide.

https://www.2carpros.com/articles/how-to-replace-a-starter-motor

___________________________________________________________

Here are the directions specific to your truck for starter replacement. The remaining pics correlate with the directions.

__________________________________________________________

2015 Chevy Truck Silverado 1500 4WD V8-5.3L
Starter Replacement

Removal Procedure

Disconnect the battery negative cable.

Raise and support the vehicle

Remove the terminals from the starter solenoid. Note: The battery must be disconnected before doing this.

pic 3

Generator Battery Control Wiring Harness Remove

Electrical connector (3) disconnect

Starter Heat shield (3) Remove
pic 4

Starter mounting bolt remove

pic 5

Installation Procedure

Install starter

pic 6

Starter Mounting Bolt install and tughten to 37 lb ft
Starter Heat Shield (3) Install

pic 7

Generator Battery Control Wiring Harness (2) Install

pic 8

Battery positive cable nut (1) starter solenoid install and tighten to 80 lb in

Electrical connector (3) connect

Connect the negative battery cable.

___________________________

I hope this helps. Let me know if you have other questions or need help.

Take care and God Bless,

Joe
Was this
answer
helpful?
Yes
No
Friday, April 23rd, 2021 AT 12:05 PM (Merged)
Tiny
EARL AUSLANDER
  • MEMBER
  • 3 POSTS
  • 2011 CHEVROLET SILVERADO
  • 5.3L
  • V8
  • 4WD
  • AUTOMATIC
  • 177,000 MILES
I had a garage change coil pack 8 and do spark plugs and wires now my truck listed above wont start, just ticks. He is telling me it's starter, but never had starter problems before and check engine light stays on even with keys not in ignition.
Was this
answer
helpful?
Yes
No
Friday, April 23rd, 2021 AT 12:05 PM (Merged)
Tiny
KASEKENNY
  • MECHANIC
  • 18,907 POSTS
If it just clicks then this is could be the starter but if the light is staying on then we need to check codes to find out if there is another issue.

https://www.2carpros.com/articles/checking-a-service-engine-soon-or-check-engine-light-on-or-flashing

However, here is another guide that will help with this if it is a starter issue:

https://www.2carpros.com/articles/starter-not-working-repair

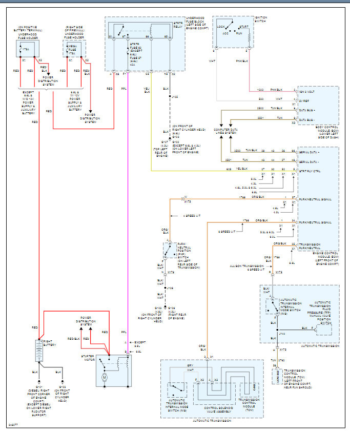
I attached the wiring diagrams below for us to check voltage at the starter as well if we get to that point.

Basically, i think we need to start with codes and go from there. Let me know what questions you have. Thanks
Was this
answer
helpful?
Yes
No
Friday, April 23rd, 2021 AT 12:05 PM (Merged)
Tiny
EARL AUSLANDER
  • MEMBER
  • 3 POSTS
It was the starter but now my RPM's at idle is at 2,500. It runs rough, check engine light is still on and blinking after tune up and changing #8 coil pack. The tester came back as saying #8 misfiring. Still my truck came out worse then it went in garage and they have no idea why.
Was this
answer
helpful?
Yes
No
Friday, April 23rd, 2021 AT 12:05 PM (Merged)
Tiny
KASEKENNY
  • MECHANIC
  • 18,907 POSTS
Was it running rough and the light blinking before you had it there? If it was not doing any of this and he changed a coil pack then I suspect either he left something unhooked or the coil pack is not any good. The fact that he replaced that coil and that is where your misfire is, tells me it is one or the other especially if it was not doing this before it went in.

Let me know this and we can go from there but I would be taking it back ASAP.
Was this
answer
helpful?
Yes
No
Friday, April 23rd, 2021 AT 12:05 PM (Merged)
Tiny
EARL AUSLANDER
  • MEMBER
  • 3 POSTS
Light was blinking he hooked it up to machine and it said misfire #8 my RPMs never went up to 2,500 it always stay around 500 idle. Now when parked it shoots up to 2,500 RPMs light is still blinking and staying misfire in 8. Truck only ran rough when light kicked on and saying reduced power.
Was this
answer
helpful?
Yes
No
Friday, April 23rd, 2021 AT 12:05 PM (Merged)

Please login or register to post a reply.