Starter motor keep running?

Tiny
BVIGIL
  • MEMBER
  • 2005 HONDA ODYSSEY
  • 3.2L
  • 6 CYL
  • AUTOMATIC
  • 180,000 MILES
Starter motor continues to run without key, green light flashes on dash.
Monday, June 11th, 2018 AT 2:08 PM

1 Reply

Tiny
KEN L
  • MASTER CERTIFIED MECHANIC
  • 55,488 POSTS
Hello,

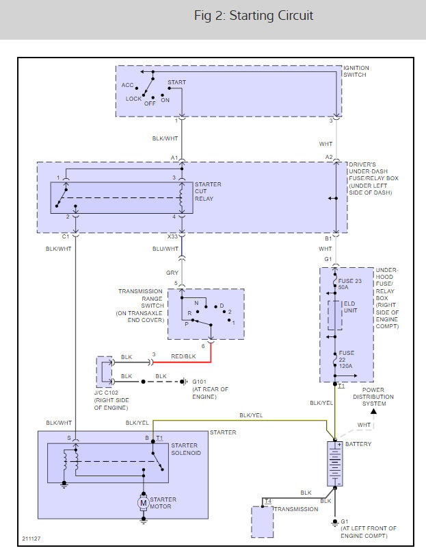
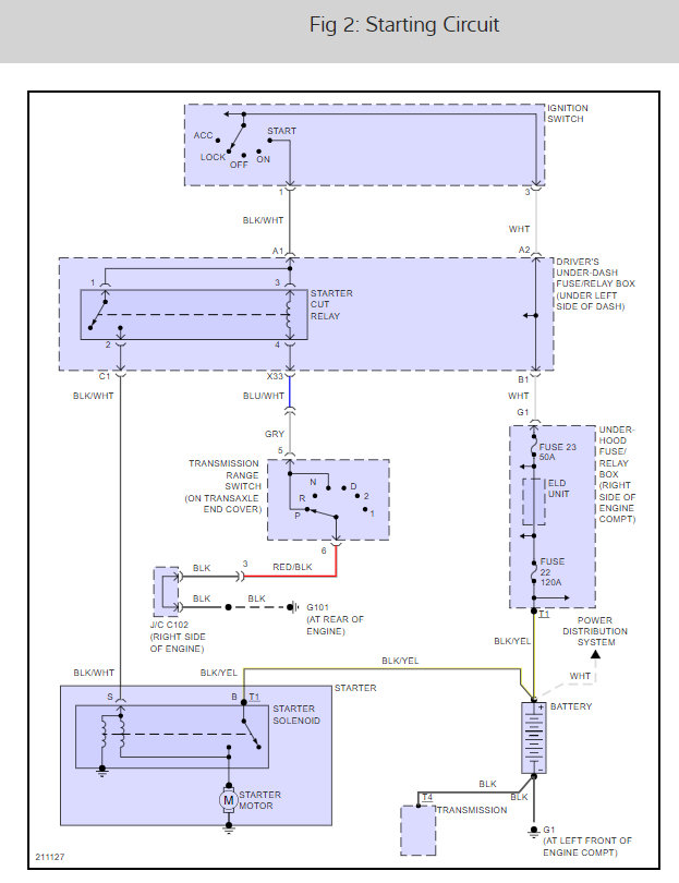
There is a starter cut relay that is stuck and needs to be replaced. Here is a wiring diagram so you can see how the systems works and a guide to help test the relay once you find it from the diagrams below:

https://www.2carpros.com/articles/how-to-check-an-electrical-relay-and-wiring-control-circuit

Check out the diagrams (below). Please let us know what happens.

Cheers, Ken
Was this
answer
helpful?
Yes
No
Wednesday, June 13th, 2018 AT 10:42 AM

Please login or register to post a reply.