Thursday, March 10th, 2022 AT 11:00 AM
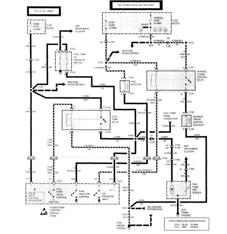
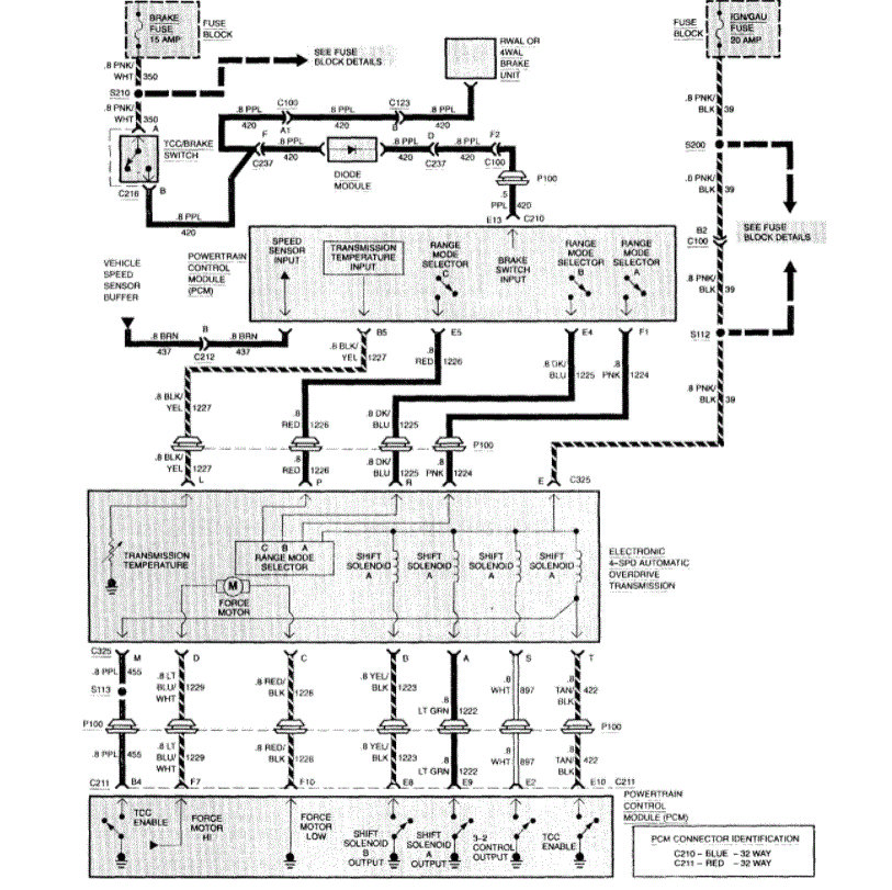
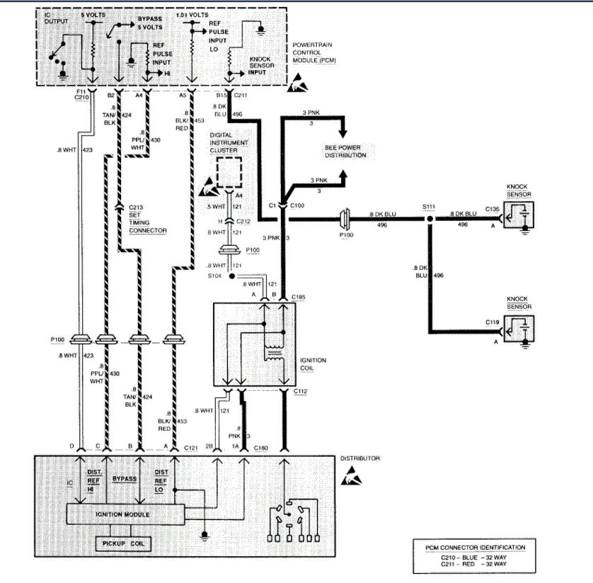
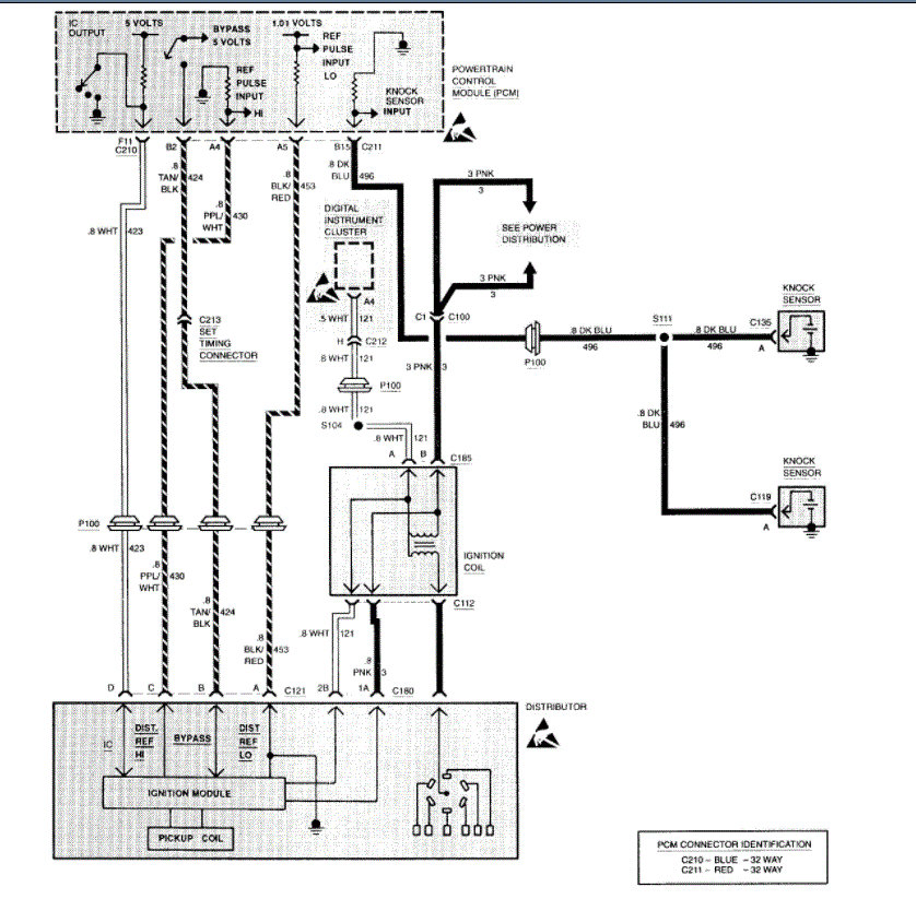
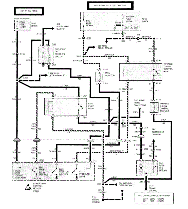
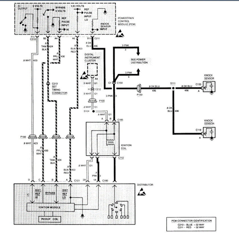
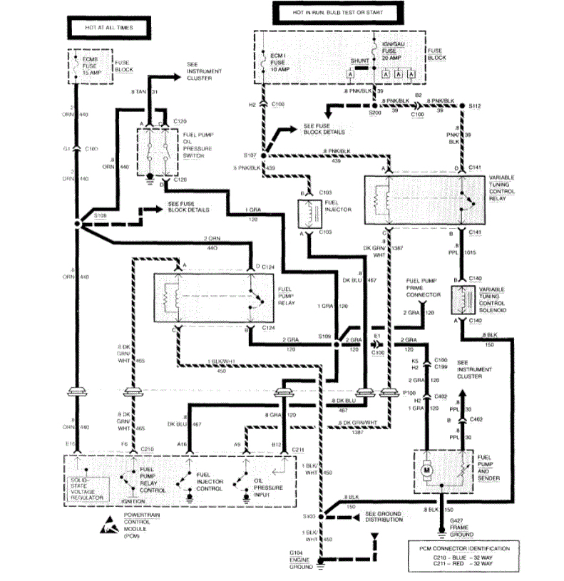
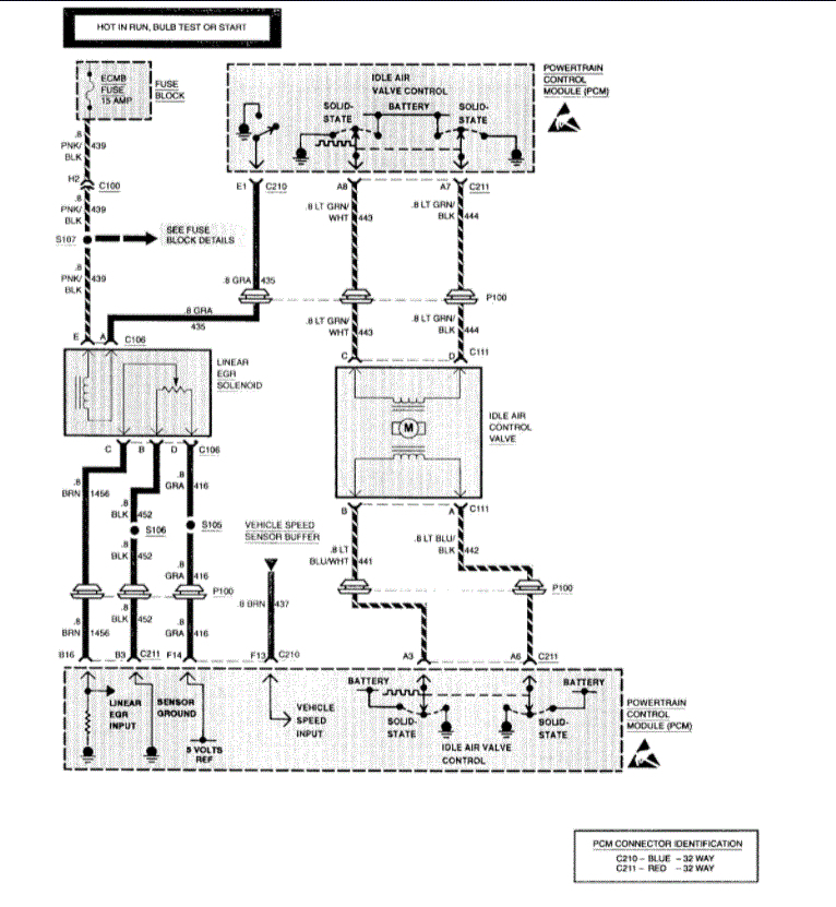
I was wondering if there was a wiring diagram for the first 1993 4l60e to be swapped in place of the 1990 700r4 non electronic on a GM? Maren the wires it my factory ECU or sensor switch’s. Thanks








