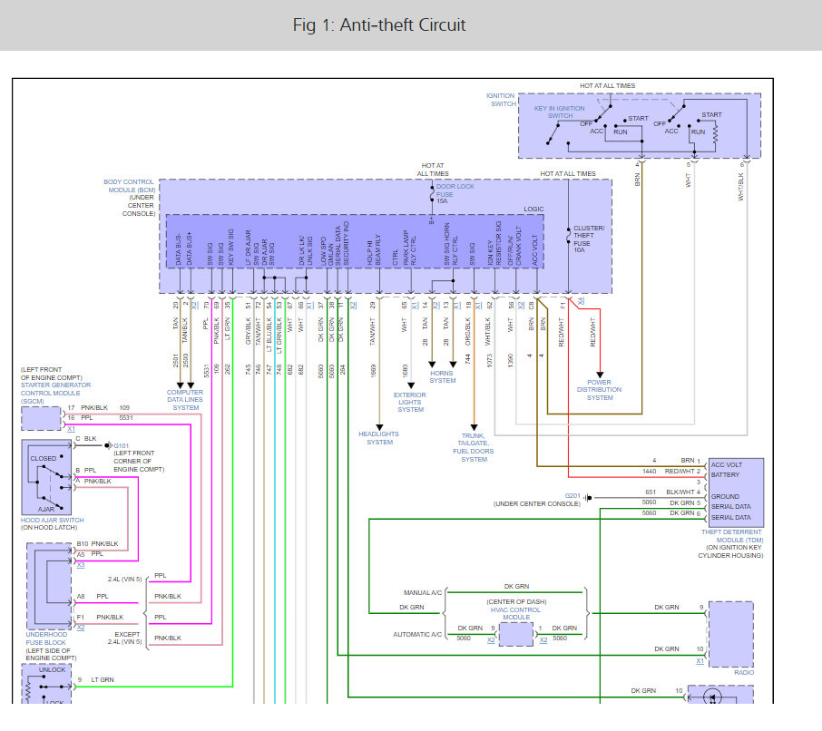
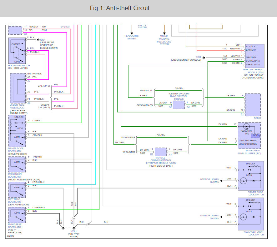
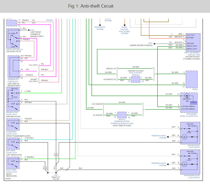
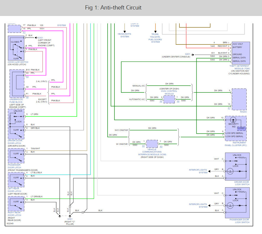
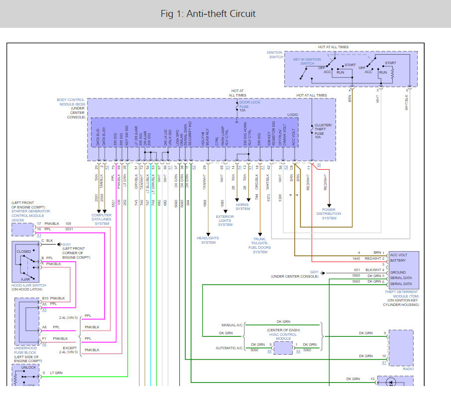
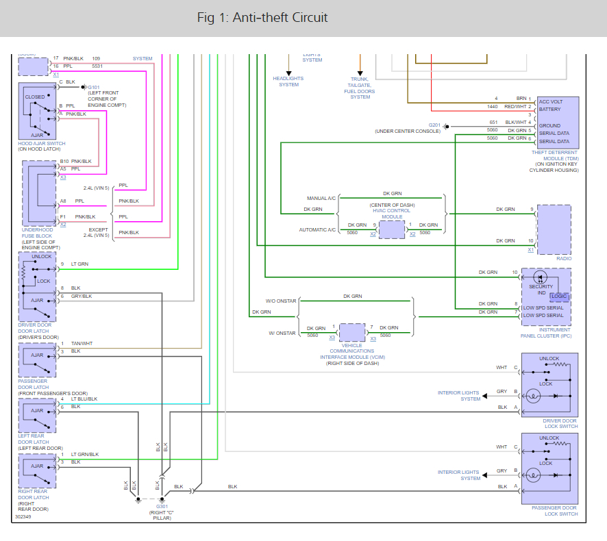
Monday, May 30th, 2022 AT 8:29 PM
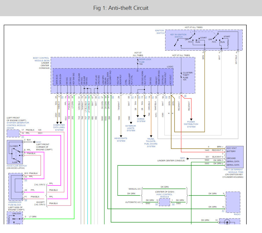
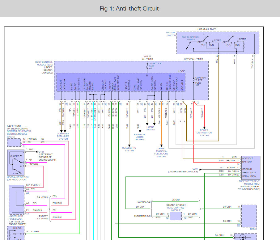
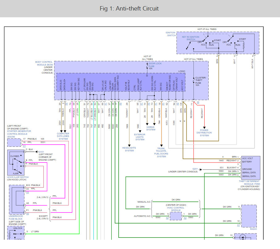
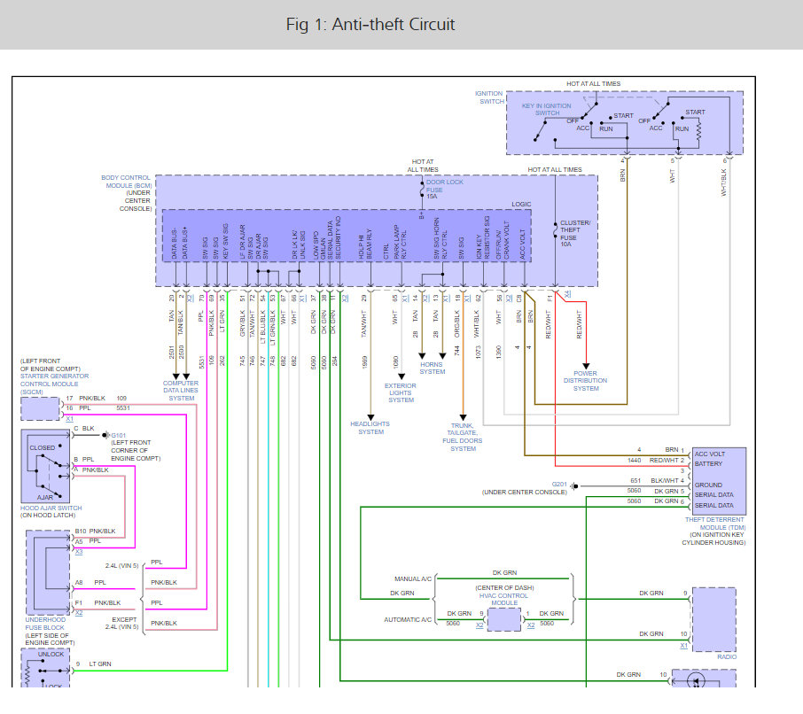
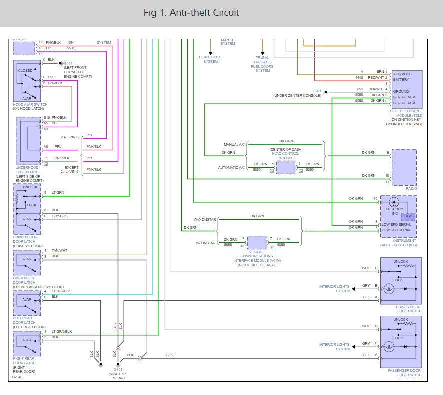
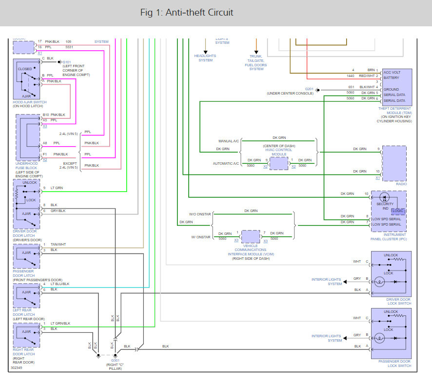
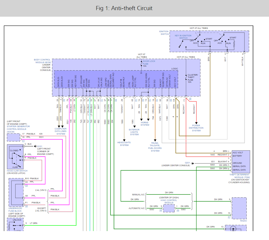
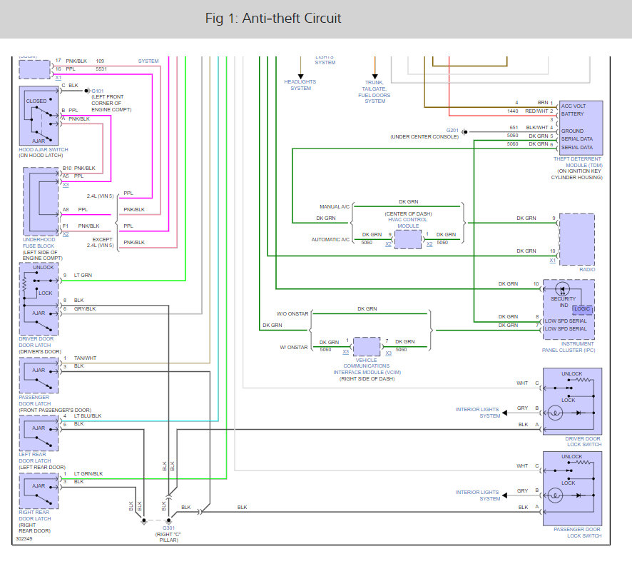
Got car from a buddy, the ignition was removed and where electrical connectors plug in where broke. I got a universal keyless remote start kit and was mostly wondering what each wire in the connectors does.



