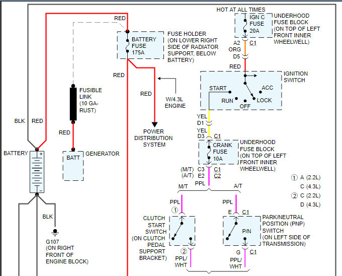
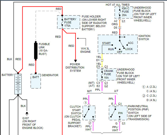
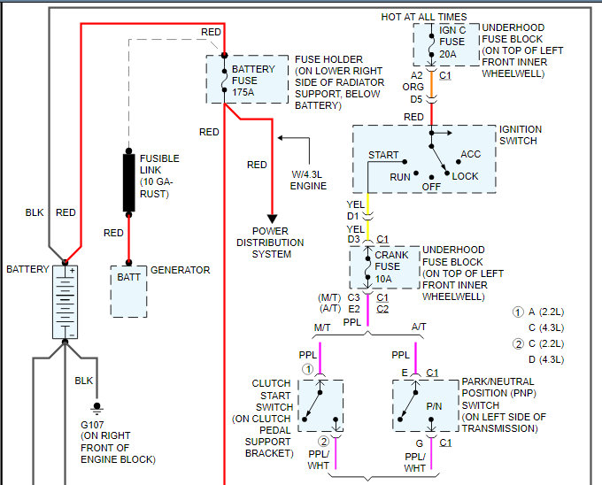
Saturday, November 30th, 2019 AT 9:02 PM
Someone tried to hot-wire my vehicle, now I have to hook wires back up but don't know where they go because they are ripped completely off of ignition. (All of them) please tell me which color of wire goes where.




