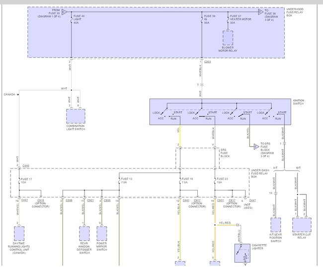
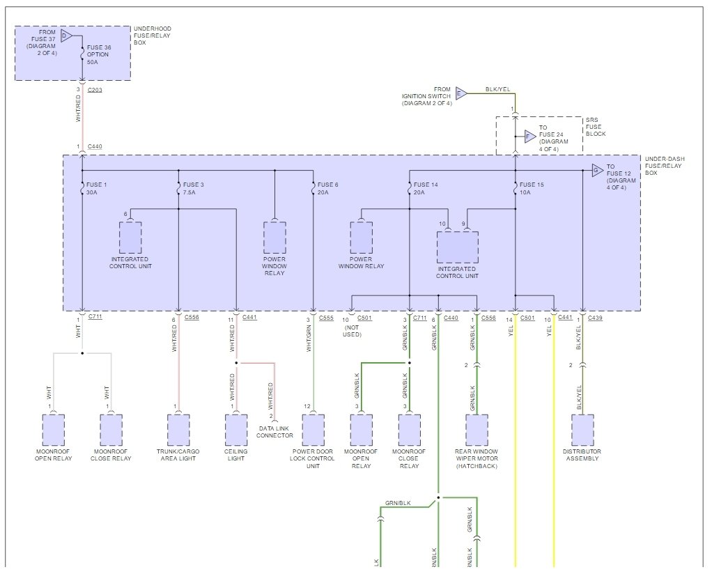
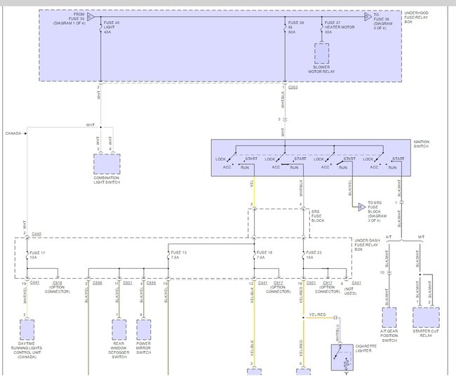
Saturday, August 13th, 2016 AT 8:15 PM
When I turn the key switch to start the car it wont stay on. But if I hold the switch when the car turns on it stays on and the car works fine, but as soon as I let go it turns off. Does that mean the ignition switch needs to be replace or is it something else?




