Friday, February 17th, 2017 AT 6:49 AM
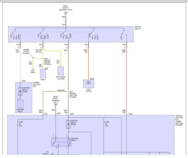
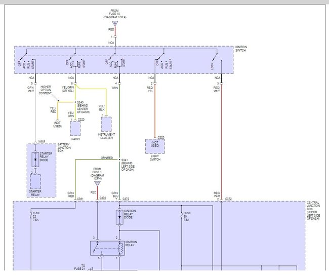
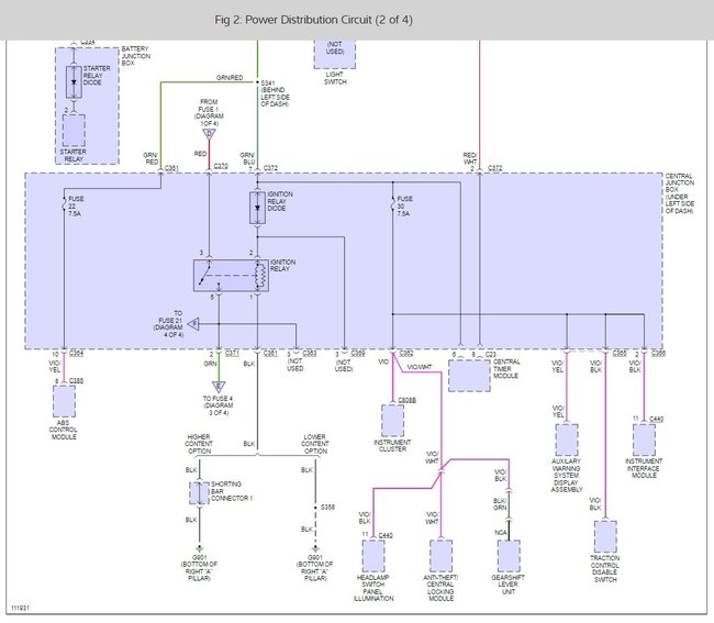
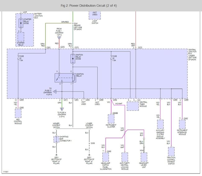
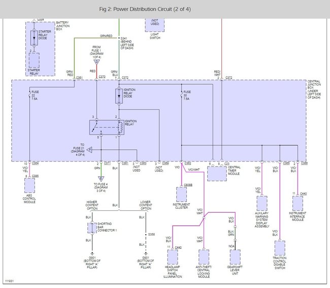
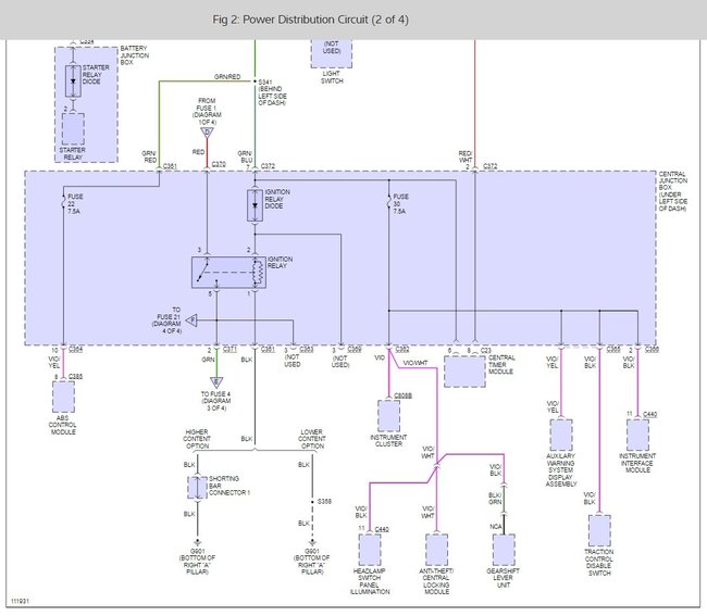
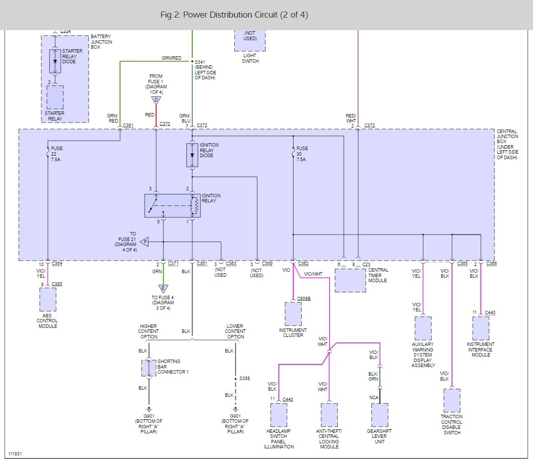
My car listed above has the V6 2.6L engine. I am having what seems to be either and electrical problem or a bad ignition switch. When ever I turn my key to the on position I have power (dash lights up, head lights are active, radio works). I also notice things like the humming sound that the fuel pump usually makes is no longer there. Whenever I turn the key to start nothing happens. A few of my gauge lights turn off and some stay on but engine does not turn over (brand new Optima battery). But, when I pop start my engine using a screw driver touching the start it turns over, but still does not start. My ignition coil is not receiving spark to any of the plugs. Whenever I use my battery tester to test my alternator and check to make sure its receiving power and it is giving me a negative reading. My shifter does not move out of park. Whenever I press the button to shift I hear a clicking sound from the ignition switch. I have tried everything I know. Need help.





