Ignition starter relay location and replacement

Tiny
SWCDN74
  • MEMBER
  • 2014 NISSAN ROGUE
  • 160,000 MILES
I am looking for the location of the ignition starter relay in my vehicle listed above. Have looked in the fuse box and the IPDM and can't locate it to replace it. Is it hidden?
Wednesday, March 3rd, 2021 AT 2:00 PM

3 Replies

Tiny
STEVE W.
  • MECHANIC
  • 15,697 POSTS
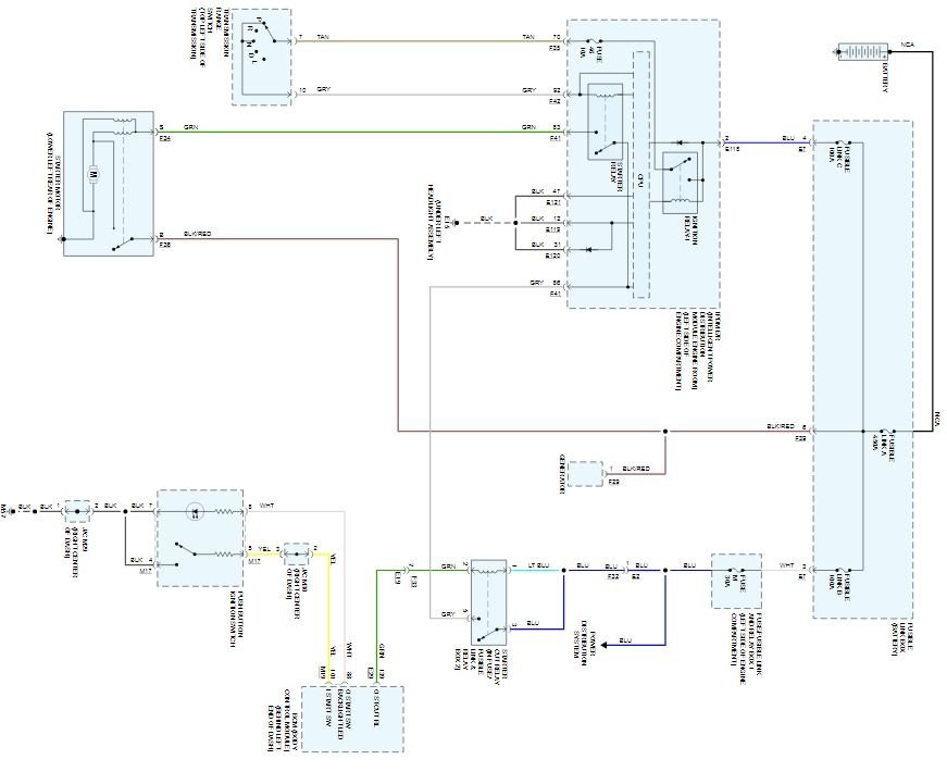
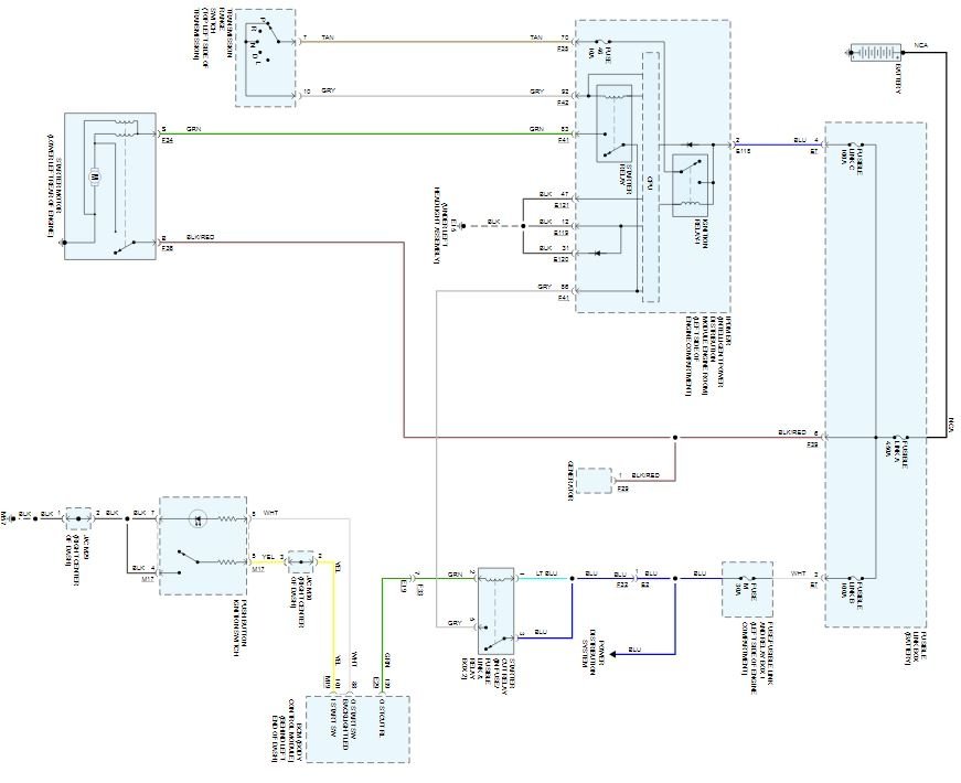
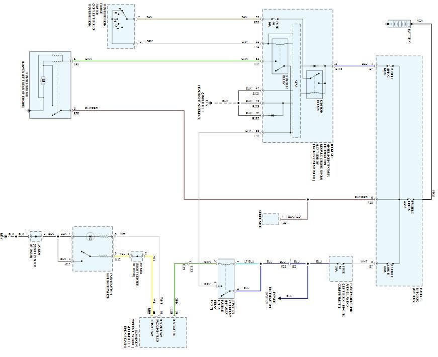
Both the ignition and the starter relays are built onto the circuit board inside the IPDM and are not replaceable as individual parts. Instead you have to replace the entire IPDM and then program it using Nissans software to match the VIN and option package.
Replacement of the physical part isn't difficult, you disconnect the battery and remove the air duct that runs next to the IPDM. Then use the levers to release the cover and the levers under the cover to release the IPDM. Now you just unplug the connectors under the unit and reverse the process to install the new one. Then it has to be programmed.
However that being said, Nissan has been having an issue with the Rogues lately when it comes to doing the reprogramming, there is something in the software causing problems. There have been more than a few that had major issues when things didn't work right.

What is the issue you are having that points at the relay?
Was this
answer
helpful?
Yes
No
Wednesday, March 3rd, 2021 AT 3:00 PM
Tiny
SWCDN74
  • MEMBER
  • 2 POSTS
Hi Steve, thank you for the reply. Yes, this is what I thought might be the case. No problem with the car starting but I have another aftermarket anti theft relay I wanted to use and it needs to work with a something like the starter, fuel pump or ignition relay. Any relay that interrupts the starting of the vehicle. Any other relay suggestions to do this that I might be able to access in the vehicle?
Was this
answer
helpful?
Yes
No
Thursday, March 4th, 2021 AT 8:22 AM
Tiny
STEVE W.
  • MECHANIC
  • 15,697 POSTS
Not sure I would add anything to that system as the Nissan anti-theft can be very temperamental about add-ons. It shuts of power to the fuel system and disables the ignition already and have a bad habit of failing as they are.
However if you wanted to add something to the starting system you might be able to install it in the green wire that goes to the starter solenoid. If that wire is "broken" the starter won't turn over. It would also make it easily reversible in the event it caused any issues later.
As far as the fuel and ignition relays they are also built into the IPDM.
Was this
answer
helpful?
Yes
No
+1
Thursday, March 4th, 2021 AT 9:54 AM

Please login or register to post a reply.