Monday, April 26th, 2021 AT 4:40 PM
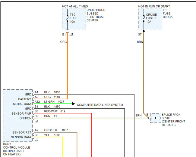
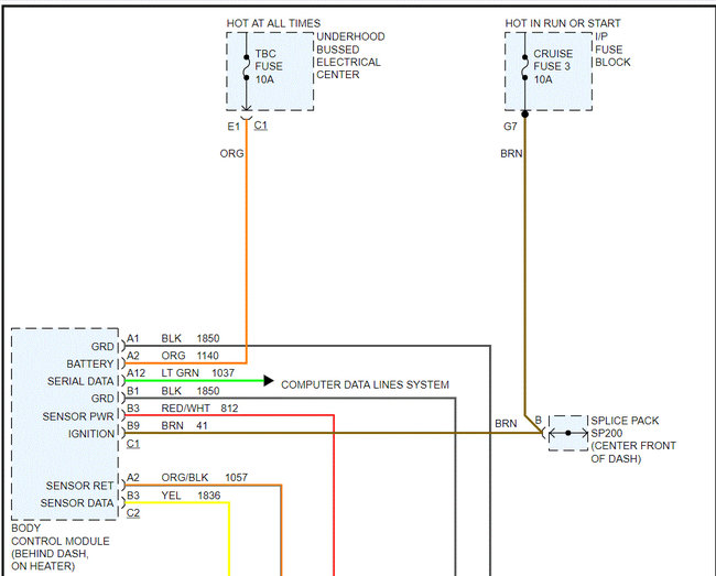
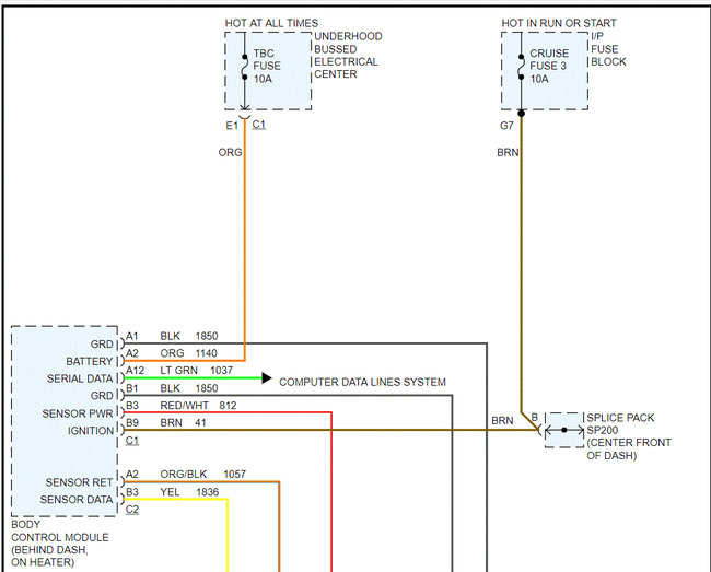
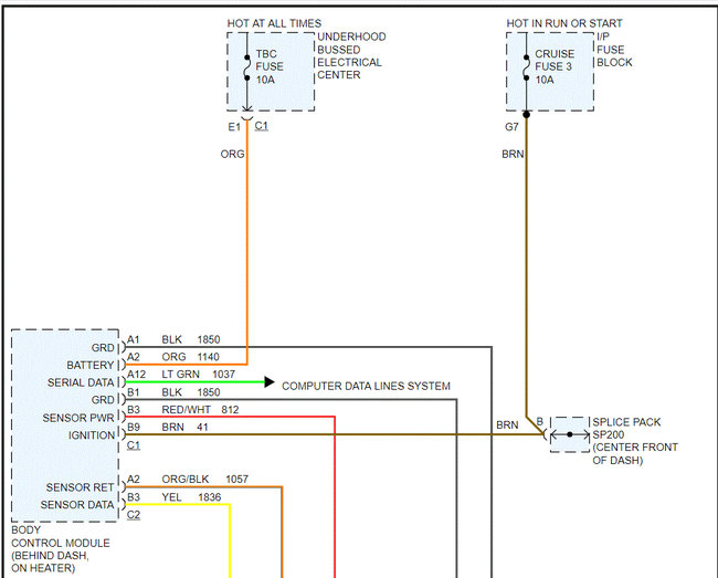
So I got the truck for darn near free but it came with a semi drilled out Ignition already and new lock cylinder to be replaced the key had been lost. Now I finished drilling it out and replaced Ignition lock cylinder only to find it to the wires of the 3 that are on top of the Ignition had been cut the vehicle starts in dice starts and shuts off in starts and shuts off. The security light doesn't flash though it stays on solid in after 10 minutes it doesn't go away in after 30 minutes it still doesn't go away. How do I get past this I need this truck to run?




