Ignition control module

Tiny
AARON REED
  • MEMBER
  • 1990 MAZDA B2600
  • 2.6L
  • 4 CYL
  • 4WD
  • MANUAL
  • 250,000 MILES
Where is it? I have looked and searched all over the internet and the auto stores and my repair book with no luck. I just want to find the ICM so I can replace it.
Tuesday, March 28th, 2017 AT 7:05 PM

4 Replies

Tiny
HMAC300
  • MECHANIC
  • 48,601 POSTS
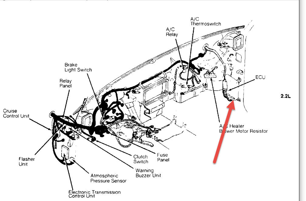
There is no ignition control module but there is an ecm see pic for location.
Was this
answer
helpful?
Yes
No
-1
Wednesday, March 29th, 2017 AT 7:15 AM
Tiny
STEVE W.
  • MECHANIC
  • 15,676 POSTS
Why do you think the ICM needs to be replaced? Misfires? Won't start? No spark?
Was this
answer
helpful?
Yes
No
Wednesday, March 29th, 2017 AT 11:15 AM
Tiny
AARON REED
  • MEMBER
  • 2 POSTS
The timing is awful and I've replaced everything else except for the computer so far. I know the ICM exists somewhere on this vehicle because everyone sells one for this truck. I even bought it at one point thinking that it was the plug on the distributer. I've sence found out the ICU is an external separate part but I can't track it down.
Was this
answer
helpful?
Yes
No
+1
Wednesday, March 29th, 2017 AT 5:35 PM
Tiny
STEVE W.
  • MECHANIC
  • 15,676 POSTS
Timing is controlled by the distributor and the ECM. The ICM (igniter) was used on the early trucks with the older ignition only. The easy way to tell is to look at the distributor. If it has a vacuum can it's an older unit. Pre VIN JM3LV521L0225171

You can set base timing on either system, 5 degrees BTDC @ 750 RPM with the vacuum line off and plugged (if it has the can). And with the timing test connector grounded, see image, it's a green connector.

Other than that the timing is controlled by the ECM.

What are the signs you are seeing of bad timing? Ping? Misfires?
Was this
answer
helpful?
Yes
No
-1
Wednesday, March 29th, 2017 AT 7:50 PM

Please login or register to post a reply.