Monday, August 10th, 2015 AT 8:22 AM
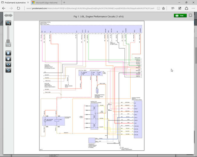
I need help I put some new intake gaskets on 1995 ford mugstang and when I completed the job the car will not startup. I have work on cars for a long time I have not had this problem. So I started checking for gas yes I got gas I check crank sensor 0.5 I got that I check for spark no spark. I check the wires to the coil and this one has 3 wires to it a black, red, and a blue one. The blue is lighting up I the number 10 pin wire on the icm edison no fire to pink number 10 icm. When I turn the key on the black wire gets hot blow the ecm fuse. I was told to follow the wire to the battery & ignition but some wire running along side the bumpers what to do please help.
