HOME
ASK A QUESTION
REPAIR GUIDES
BECOME A MEMBER
LOG IN
Login with Facebook
OR
Remember me
NOT A MEMBER?
FORGOT PASSWORD?
CONTACT US
PRIVACY POLICY
TERMS AND CONDITIONS
☰
Home
Ford
Mustang
Ignition
Coil
Coil Pack
JACQUE PALMER
MEMBER
1997 FORD MUSTANG
4.8L
V8
RWD
AUTOMATIC
170,000 MILES
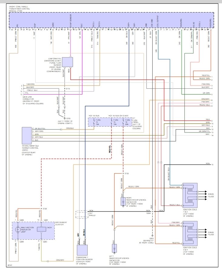
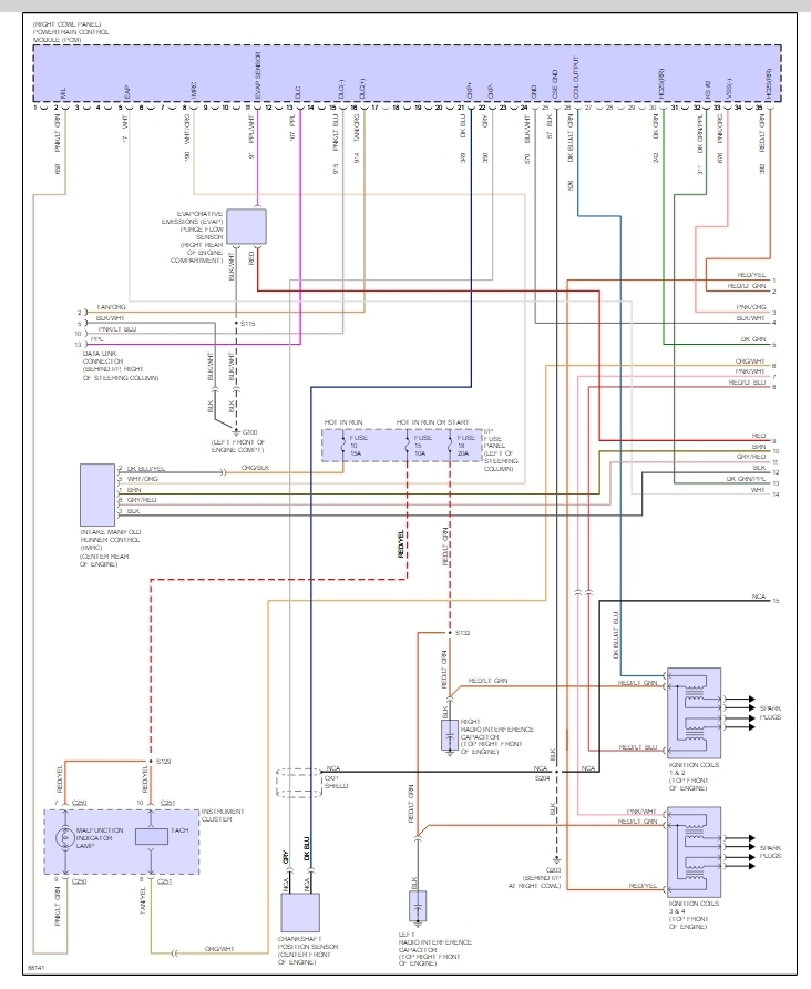
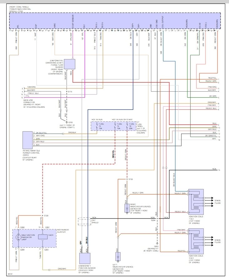
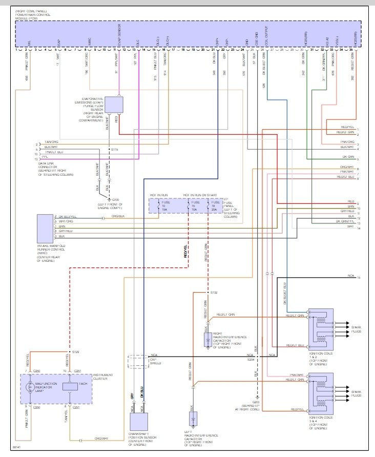
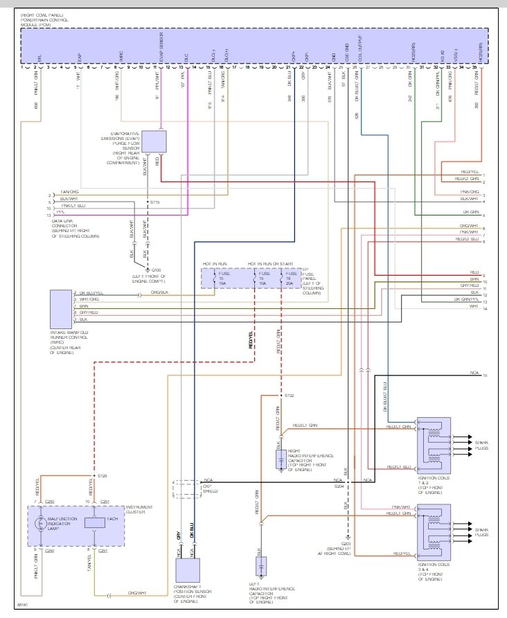
Trying to find out where the blue wire on the passenger side coil pack attaches after it enters the firewall.
Friday, June 24th, 2016 AT 12:11 PM
1 Reply
KEN L
MASTER CERTIFIED MECHANIC
55,281 POSTS
Hi JACQUE,
Yep here you go please let us know if you need anything else, we are here to help.
Best, Ken
Image (Click to make bigger)
Was this
answer
helpful?
Yes
No
Friday, June 24th, 2016 AT 12:17 PM
Please
login
or
register
to post a reply.
Related Ignition Coil Content
Ignition Coil Pack Ground Wire Start To Get Hot When...
I Need Help I Put Some New Intake Gaskets On 1995 Ford Mugstang And When I Completed The Job The Car Will Not Startup. I Have Work On Cars...
Asked by
clevonw
·
7 ANSWERS
1 IMAGE
1995
FORD MUSTANG
Coil Voltage
I Have A 1971 Mach 1 Fastback With A 351 Cleveland Engine. I Am Having Trouble With Getting Enough Voltage To The Coil. If I Go Straight...
Asked by
lilmiller_13
·
6 ANSWERS
11 IMAGES
1971
FORD MUSTANG
Engine Coil Over Spark Burns Out
On Number 3 Cylinder, When Car Is Running. There's A Clicking Sound, Then The Coil Will Start Smoking.
Asked by
Bruce69c
·
2 ANSWERS
1999
FORD MUSTANG
Fordmustang
My Coil Pack Is Not Firing When I Pull Wires From It[1 At A Time]all Except One Is Firing. Is My Coil Pack Dead
Asked by
joshriddle
·
1 ANSWER
1 IMAGE
2001
FORD MUSTANG
Car Is Reving, Rattling And Cutting Out. New Flywheel...
Car Is Reving, Rattling And Cutting Out. New Flywheel And Clutch Put In Nov 2012. Not The Coil Pack And Not Spark Plugs Ive Been Told. Any...
Asked by
Thomas86
·
2 ANSWERS
2001
FORD MUSTANG
VIEW MORE
Ask a Car Question. It's Free!
Tune up
Crankshaft Sensor Symptoms
Crankshaft Sensor Replacement