Ignition A 40 amp fuse blows when key is turned to start position

Tiny
CARL REHM
  • MEMBER
  • 1995 GMC YUKON
  • 5.7L
  • V8
  • 4WD
  • AUTOMATIC
  • 150,000 MILES
Solenoid on starter stuck on and motor cranked until battery was disconnected. Verified solenoid was bad and replaced with a new starter. Tried to start and truck did not crank. Found 40 amp fuse blown (ign A). Replaced fuse and saw fuse blow when key was turned to start (engine did not crank). Checked wires from starter to verify there were no shorts. Tried another fuse with the same result. Did not find a starter relay.
Friday, September 4th, 2020 AT 1:33 PM

2 Replies

Tiny
KASEKENNY
  • MECHANIC
  • 18,907 POSTS
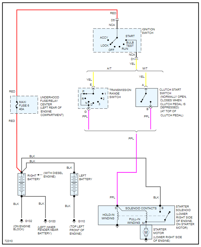
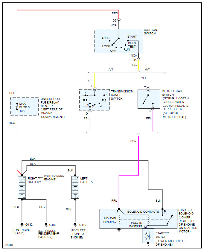
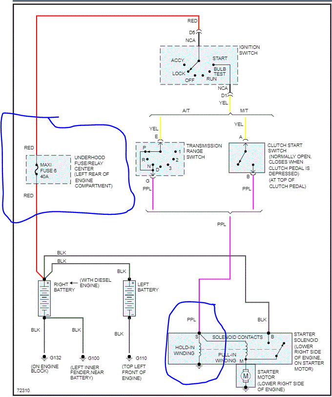
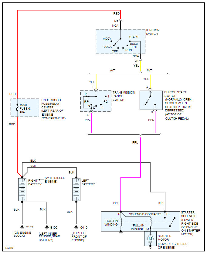
I attached the wiring diagram for your review. However, if this was not happening with the old starter and solenoid, we need to make sure the solenoid is not the issue. I would unhook it and turn the ignition to the on position and the fuse should not blow if this is the cause. Clearly the engine is not going to crank but as it sits it does not crank. So this is just confirming the fuse is not still popping. If it is then clearly we have another issue but I suspect you will find the starter/solenoid is the issue.

If it is the issue then you need to return it and have them swap it out. Let us know what you find. Thanks
Was this
answer
helpful?
Yes
No
+2
Friday, September 4th, 2020 AT 7:55 PM
Tiny
JACOBANDNICKOLAS
  • MECHANIC
  • 110,192 POSTS
Hi,

How long did the starter stay engaged until you were able to disconnect the battery?

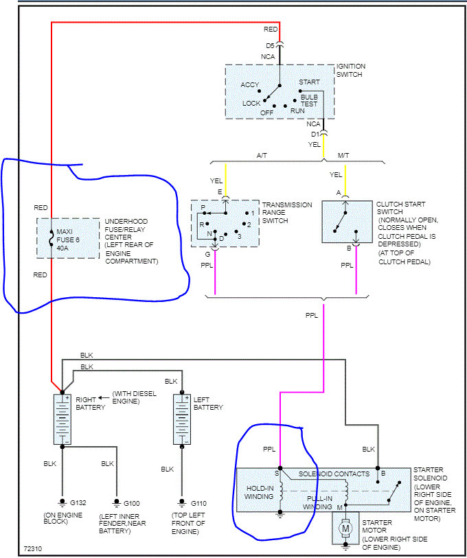
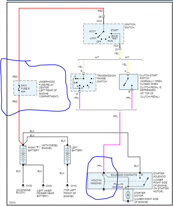
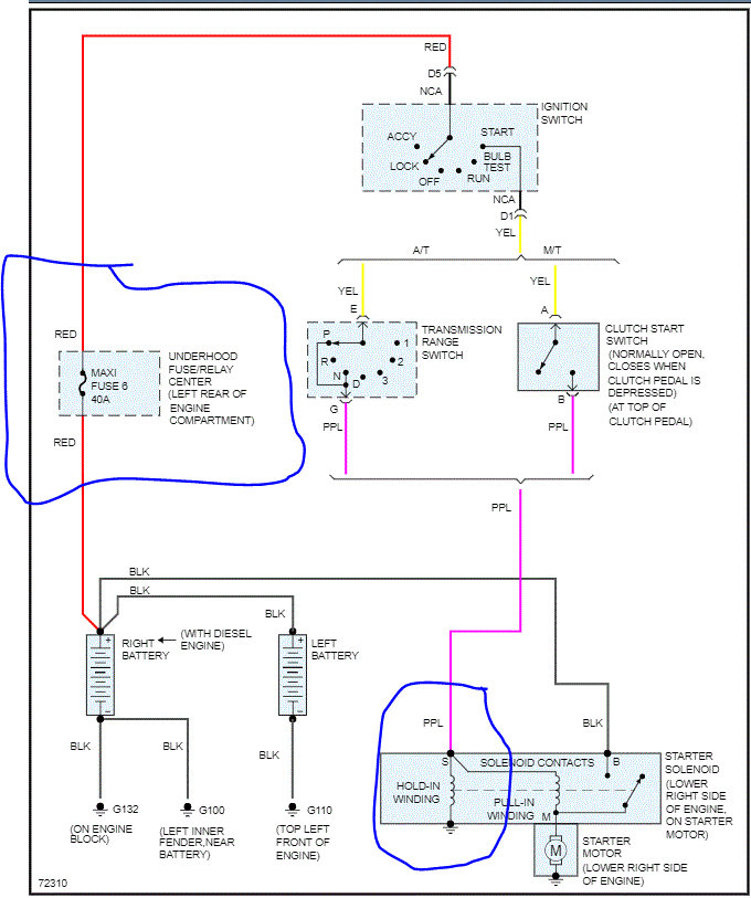
I attached a schematic of the starter system. I circled the fuse I believe you are referring to as well as the purple wire on the starter. The first thing I want you to try is to disconnect the purple wire from the starter (S terminal), make sure the wire is shielded so it can't short, and then replace the fuse and see if it blows.

Do this and let me know what you find. Also, when you look through the wiring schematic, you'll see there really isn't a lot to go bad. However, if the starter was engaged long enough, something may have melted and shorted causing the new problem.

If the fuse doesn't blow when the key is off, then I suspect the main power supply to the starter is okay. That leaves the purple wire that gets power through the transmission range sensor from the ignition switch. My guess at this point is somewhere in that wire is a short. Also, make sure nothing in the fuse box itself was damaged.

Take care and let me know what you find or if you have other questions.

Joe
Was this
answer
helpful?
Yes
No
+3
Friday, September 4th, 2020 AT 7:59 PM

Please login or register to post a reply.