No Starter Operation?

Tiny
STEVEW67
  • MEMBER
  • 2001 CHEVROLET SILVERADO
  • 5.3L
  • V8
  • 4WD
  • AUTOMATIC
  • 220,000 MILES
Wont start some mornings, but when I wiggle the shifter and hold it tight in park it starts. Then don't have any problems starting the rest of the day.
Tuesday, October 15th, 2019 AT 2:10 PM

36 Replies

Tiny
KASEKENNY
  • MECHANIC
  • 18,907 POSTS
Hi,

This sounds like the shift interlock switch is failing. This is located in the column and tells the control module what position the shifter is in.

I attached the process on how to replace this. Let me know if you have other questions. Thanks
Was this
answer
helpful?
Yes
No
Wednesday, October 16th, 2019 AT 5:51 PM
Tiny
THADDEUS.STEBENS963
  • MEMBER
  • 1 POST
  • 2001 CHEVROLET SILVERADO
  • 5.3L
  • V8
  • 4WD
  • AUTOMATIC
  • 150,000 MILES
The the truck was having trouble starting the battery was draining when left off overnight for several weeks for the current situation. We thought that there was a parasitic power drain. The windows don't roll up easily without draining extra power. Sometimes the flashers emergency flashers that is don't work in the relay for that makes a buzzing sound. That has been replaced. While driving the vehicle and jump starting it the serpentine drive belt brocon the front exterior type side near the radiator slipped off who pulled the truck over as quickly as you could. It was still running at that time. We replace the serpentine drive belt. Jump-started the truck and it seemed to be back to what we had a status quo of needing to jump it every time we did not take the negative battery terminal off. The train to the battery progressively got worse over several weeks. After we replace the serpentine drive belt while still having to jump start the truck on a regular basis, it seemed as if the starter was not supplying enough power to crank the engine over as of this moment, when we have a either fully charged battery or jump-starting the truck the engine will start to crank and the police start Saturn, but it won't crank over and then the police in Beltsville rotate back about 35 to 45 degrees. Now it will not crank over at all.
Was this
answer
helpful?
Yes
No
Thursday, September 3rd, 2020 AT 4:56 PM (Merged)
Tiny
SCGRANTURISMO
  • MECHANIC
  • 4,897 POSTS
Hello,

The cold weather has probably done your battery in. Any time the weather changes and you have a marginal battery, that's usually the last straw. As far as your parasitic draw issue on the new battery, so it doesn't suffer the same fate as the battery you will be replacing, I have included a guide for you in the diagrams down below explaining how to track the parasitic draw down to a circuit in your vehicle, then we can go over the circuit[s] with a fine tooth comb and get it taking care of. Please replace the battery and go through the guide and get back to us with what you find out. We can go from there.

Thanks,
Alex
2CarPros
Was this
answer
helpful?
Yes
No
Thursday, September 3rd, 2020 AT 4:56 PM (Merged)
Tiny
ADAM ONEK
  • MEMBER
  • 1 POST
  • 2001 CHEVROLET SILVERADO
  • V8
  • 2WD
  • AUTOMATIC
  • 127,000 MILES
I thought the battery died to my 2001 silverdo so I replaced it and now it does not start still, my buddy took a look at it and said that the starter relay is not switching.
Was this
answer
helpful?
Yes
No
Thursday, September 3rd, 2020 AT 4:56 PM (Merged)
Tiny
JDL
  • MECHANIC
  • 16,098 POSTS
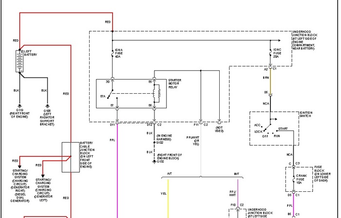
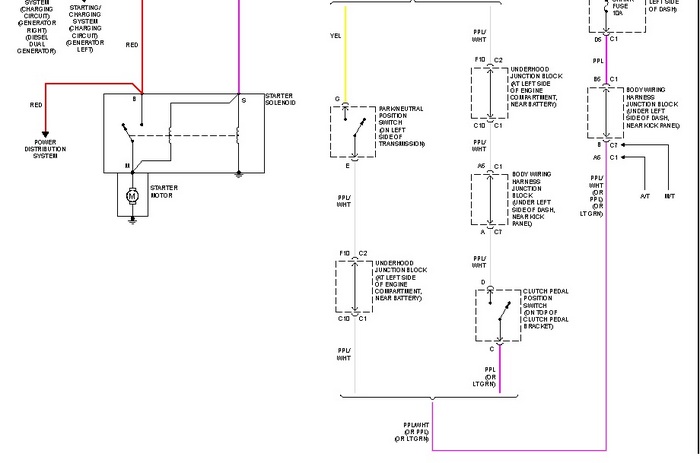
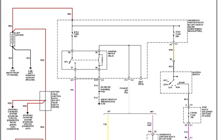
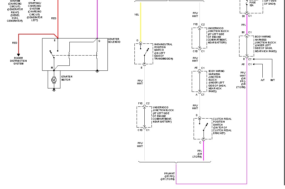
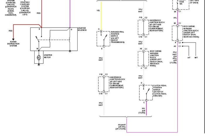
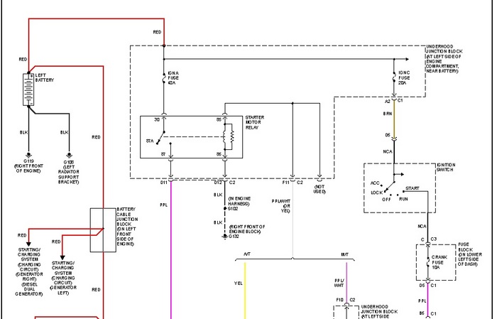
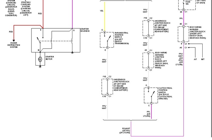
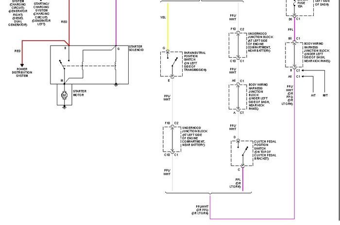
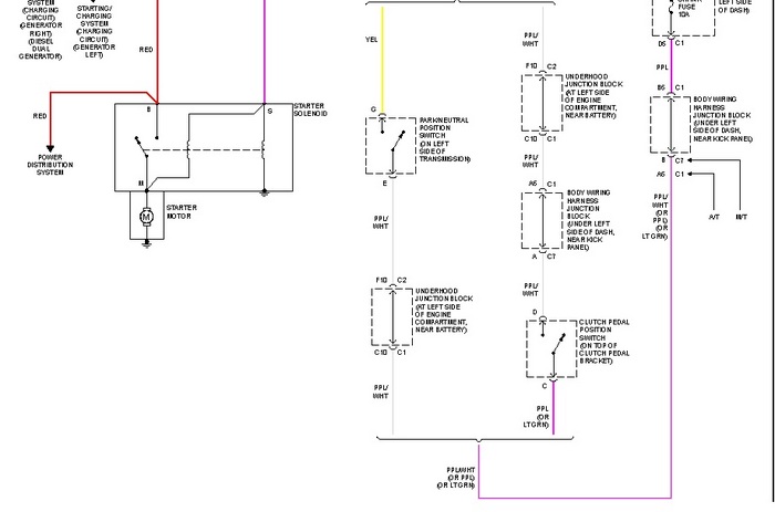
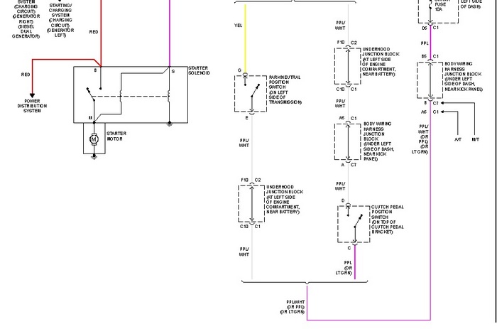
The wiring circuit below is for starter circuit. Start by checking applicable fuses and voltage. Battery connections are all ok? Voltage to load side of relay is hot all the time. Voltage to coil side of relay goes hot with key in the crank position and is wired through the neutral switch. Hope you can read the diagram.
Was this
answer
helpful?
Yes
No
Thursday, September 3rd, 2020 AT 4:56 PM (Merged)
Tiny
BIGGMAMA67
  • MEMBER
  • 6 POSTS
  • 2001 CHEVROLET SILVERADO
  • V6
  • 2WD
  • AUTOMATIC
  • 180,000 MILES
I so not know why, but my husband's truck will not crank after it rains. He sits out there and tries and tries and after about what seems like forever, it'll start. He has checked everything that I know. He says it's some kind of sensor. Is he right and can you tell us the specifics?
Was this
answer
helpful?
Yes
No
Thursday, September 3rd, 2020 AT 4:57 PM (Merged)
Tiny
JACOBANDNICKOLAS
  • MECHANIC
  • 110,194 POSTS
Hi,

The sensors are all covered. When he tries to start it, does it even try to start? I have to say, it sounds ignition related, but one sensor shouldn't cause this. Has the check engine light stayed on when the engine is running?

This guide can help us fix it

https://www.2carpros.com/articles/starter-not-working-repair

Please run down this guide and report back.

Was this
answer
helpful?
Yes
No
Thursday, September 3rd, 2020 AT 4:57 PM (Merged)
Tiny
BIGGMAMA67
  • MEMBER
  • 6 POSTS
Yes, it tries to start. And yes the check engine light does stay on when it's running.
Was this
answer
helpful?
Yes
No
Thursday, September 3rd, 2020 AT 4:57 PM (Merged)
Tiny
JACOBANDNICKOLAS
  • MECHANIC
  • 110,194 POSTS
Okay. That will help. What you need to do to help narrow this down is have the computer scanned. Often times, a parts store will do it free of charge or lend/rent you a scan tool. Here is a quick video showing how it's done:

https://youtu.be/b2IJGfImVvw

Do this and let me know what codes are retrieved.

Take care,
Joe
Was this
answer
helpful?
Yes
No
Thursday, September 3rd, 2020 AT 4:57 PM (Merged)
Tiny
DROUGHNECK
  • MEMBER
  • 1 POST
  • 2001 CHEVROLET SILVERADO
  • 6 CYL
  • 2WD
  • MANUAL
  • 10,000 MILES
Back in the winter my starter would not disengage and kept spinning. The 2nd time it done it I finally got it to stop and didnt drive it home for a few days but it did start up normally after that.
I havent drove it in a few weeks since that but when I tried to start it the other day it just makes a grinding sound from the starter area.
Hopefully it just the starter and not my flywheel since it did start the last time I drove it home.
What do you think? I plan to pull it off as soon as I can but IM really hopeing its just the starter because IM looking for work now and a damaged flywheel will prevent me from getting to work after I find a job.
Your replay will be most appreciated.
Was this
answer
helpful?
Yes
No
Thursday, September 3rd, 2020 AT 4:57 PM (Merged)
Tiny
AVIEUX
  • MEMBER
  • 15 POSTS
It usually wont damage the flywheel just replace the starter and that should be fine. When u take the starter off try and take the flywheel cover off to and check the flywheel
Was this
answer
helpful?
Yes
No
Thursday, September 3rd, 2020 AT 4:57 PM (Merged)
Tiny
TLSBUB12
  • MEMBER
  • 2 POSTS
  • 2001 CHEVROLET SILVERADO
  • V8
  • 2WD
  • AUTOMATIC
  • 47,000 MILES
Turn key, most times starts. Sometimes turn key, no sounds, all lights, radio works. Had new battery, ingnition switch installed. Diagnostic at dealer, no problem noted."Problem seemed to start" after remote (for power-locks) went dead, then I used key only to enter(drivers door). When key is put into ignition, I hear a click in the drivers door(powerlock), then turn key another click, and NO START!Last no start, wife locked all doors, used key to enter pass side, put in key and it started!Happens every so often, like once a week or two. Dealer is at a lost. I believe its in the drivers door, with the power locks and when key is installed. HELP. Has been going on for 2 months. Thanks in advance
Was this
answer
helpful?
Yes
No
Thursday, September 3rd, 2020 AT 4:57 PM (Merged)
Tiny
RHALL77
  • MECHANIC
  • 3,361 POSTS
Sounds like a security issue. Did you replace the battery for the key fob? Did they check for codes? Whay codes did they find?
Was this
answer
helpful?
Yes
No
Thursday, September 3rd, 2020 AT 4:57 PM (Merged)
Tiny
TLSBUB12
  • MEMBER
  • 2 POSTS
I had goodyear install battery. The Chevy dealership did Diagnostic. I will call the dealership where the truck is at and ask them about the codes. I guess with Chevy's when something is change, replaced they have to reset things. Goodyear would not know that. Thanks
Was this
answer
helpful?
Yes
No
Thursday, September 3rd, 2020 AT 4:57 PM (Merged)
Tiny
COLBAYCAN
  • MEMBER
  • 2 POSTS
  • 2001 CHEVROLET SILVERADO
  • V8
  • 4WD
  • AUTOMATIC
I have a 2001 chevy silverado that will not start. I trickle charged it once and it started up but after awhile went dead again. I took the battery out and had it tested and fully charged so it is okay but put it back in and it will still not start. It just clicks. Should I be looking for a connection problem next?
Was this
answer
helpful?
Yes
No
Thursday, September 3rd, 2020 AT 4:58 PM (Merged)
Tiny
AUSERNAME123456
  • MEMBER
  • 106 POSTS
Yes, check to make sure the battery cables are clean and tight.
Was this
answer
helpful?
Yes
No
Thursday, September 3rd, 2020 AT 4:58 PM (Merged)
Tiny
PROMECHANIC
  • MECHANIC
  • 536 POSTS
If the battery is good then you might start suspecting the starter. I can tell you how to test it if you need.
Was this
answer
helpful?
Yes
No
Thursday, September 3rd, 2020 AT 4:58 PM (Merged)
Tiny
JAYJAY11
  • MEMBER
  • 2 POSTS
  • 2001 CHEVROLET SILVERADO
Electrical problem
2001 Chevy Silverado V8 Automatic 180000 miles

my truck sat for about a week locked I went out to unlock it with the remote and it did not work I than unlock it using the key and the dome light did not come on and when I tried to start it it would turn over but not start, I tried unhooking the battery, I tried to reset the code by turning the ignition on for 10 min. Off for 5 sec. Back on for another 10 off and back on and that didnt work, it got a code reader and pluged it in and it didn't even turn on so I tried it on my car and it worked so I tried it back on the truck and nothing. It has got me stumpped if you can help id appreciate it thxs
Was this
answer
helpful?
Yes
No
Thursday, September 3rd, 2020 AT 4:58 PM (Merged)
Tiny
SERVICE WRITER
  • MECHANIC
  • 9,123 POSTS
Is the battery at full charge?
OF not, charge it properly and post what is then happening when turning the key.
Was this
answer
helpful?
Yes
No
Thursday, September 3rd, 2020 AT 4:58 PM (Merged)
Tiny
RHALL77
  • MECHANIC
  • 3,361 POSTS
Hey Service Writer, I hope you dont mind me chiming in on this one, but I would also suggest disconnecting the body control module for thirty seconds and see what happends. Sounds to me like that module locked up and needs to be reset. In most cases if this happens I would suggest replacing it.
Was this
answer
helpful?
Yes
No
Thursday, September 3rd, 2020 AT 4:58 PM (Merged)

Please login or register to post a reply.