Wednesday, November 2nd, 2022 AT 11:03 AM
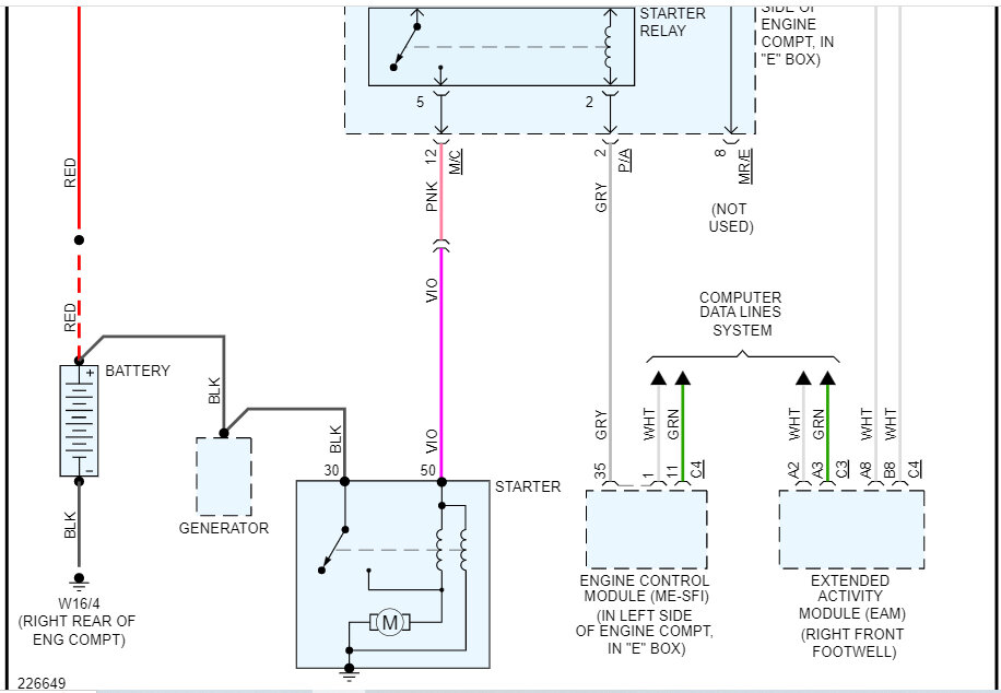
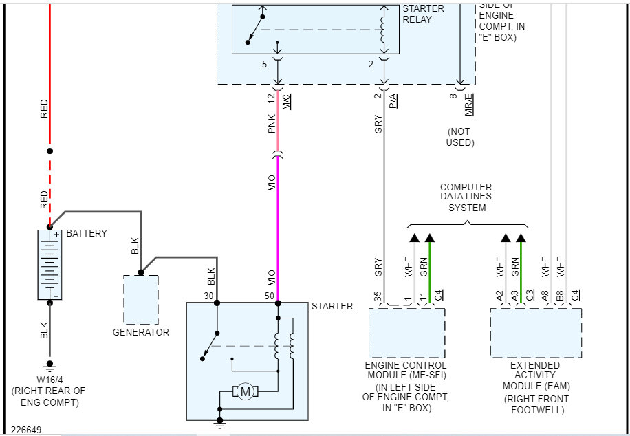
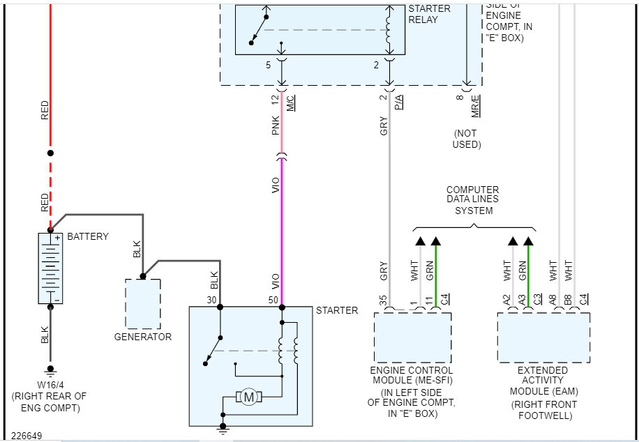
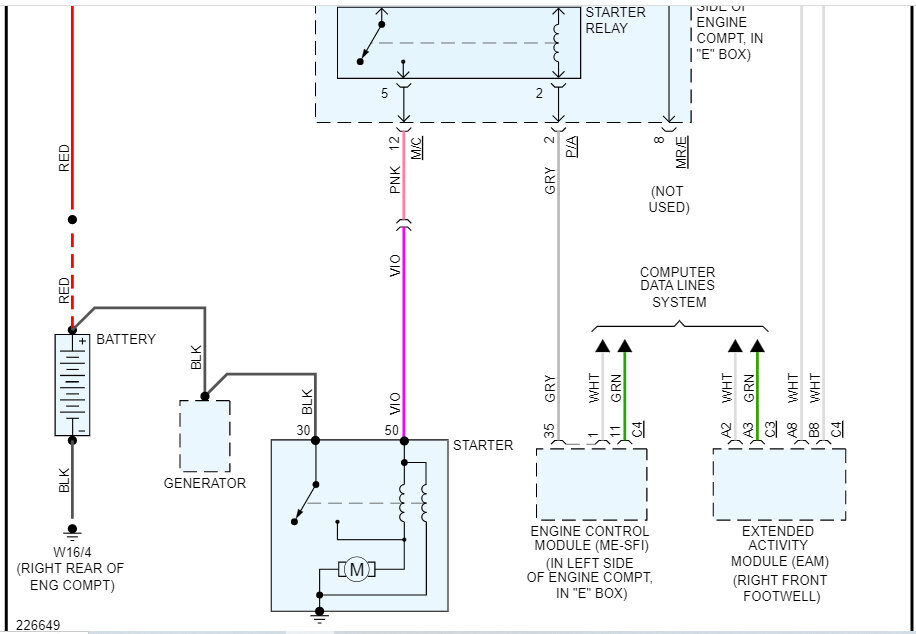
I was on the highway and my car ran out of gas, Tripple A came and put gas in my vehicle, but my battery had drained, otherwise the flashers on. They proceeded to give me a jump start it started for about 5 seconds and when I gave it gas it stalled out. Now the vehicle won’t turn over even if it’s jumper cables. Hooked up. On the dashboard a message appeared saying start error can you please help also. The day before I heard this loud clicking noise and hole parked and. The vehicle was off it clicked. 5 times and stopped.




