My engine does not crank over - starter not working?

Tiny
CJ MEDEVAC
  • MECHANIC
  • 11,005 POSTS
This guide can help us fix it

https://www.2carpros.com/articles/starter-not-working-repair

Please run down this guide and report back.
Was this
answer
helpful?
Yes
No
Monday, March 8th, 2021 AT 5:21 PM (Merged)
Tiny
JIMEL48
  • MEMBER
  • 32 POSTS
  • 2001 FORD RANGER
  • 3.0L
  • 6 CYL
  • 2WD
  • AUTOMATIC
  • 180,000 MILES
Everything was fine and went to start truck and nothing happened. Main wire to starter shows 14 volts. Solenoid wire shows no power but shows it is grounded out. Swapped relays (assumed its good) and checked 7, 5 starter fuse (no power). Ran jumper wire from battery to solenoid and the engine cranks but will not start (I believe fuel pump has also shut down). Also have no dash lights.
I had to replace lock cylinder and have transponder key programmed two years ago and I am thinking that transponder key needs to be reprogrammed but I tried the second programmed key and still nothing. What do you think? Thanks
Was this
answer
helpful?
Yes
No
Monday, March 8th, 2021 AT 5:21 PM (Merged)
Tiny
ASEMASTER6371
  • MECHANIC
  • 52,796 POSTS
Good morning,

I attached a wiring diagram for you to view. Do you have a test light or voltmeter to do some testing?

https://www.2carpros.com/articles/how-to-check-a-car-fuse

https://www.2carpros.com/articles/how-to-check-wiring

What wire is grounded?

Do you have a security or theft light? If you do, does it go off after about 10 seconds with the key on?

Roy
Was this
answer
helpful?
Yes
No
Monday, March 8th, 2021 AT 5:21 PM (Merged)
Tiny
JIMEL48
  • MEMBER
  • 32 POSTS
Hello Roy,

Thank you for responding to my question.
The wire triggering the solenoid is showing it is grounded (continuity between battery negative post and wire) and is not hot. Checked with voltmeter. Starter wire is getting 12+ volts. No dash lights working except when you turn on there is a very faint instantaneous glow of the theft light (about 0.5 seconds). Do you know if the transponder key needs reprogramming would it automatically ground out the solenoid wire. If not maybe a wire in the ignition switch has chaffed and grounded out. 7.5 fuse is good but shows no power getting to it when trying to crank engine. Again thanks for your time.
Was this
answer
helpful?
Yes
No
Monday, March 8th, 2021 AT 5:21 PM (Merged)
Tiny
ASEMASTER6371
  • MECHANIC
  • 52,796 POSTS
Okay, first, we need to address the 7.5 amp fuse. It needs to have power in the start position only.

Can you verify that? That comes directly from the ignition switch. We need to start there.

Do not worry about anything else at this point.

Roy
Was this
answer
helpful?
Yes
No
Monday, March 8th, 2021 AT 5:21 PM (Merged)
Tiny
JIMEL48
  • MEMBER
  • 32 POSTS
7.5 fuse has no power when turning key to start position.
Was this
answer
helpful?
Yes
No
Monday, March 8th, 2021 AT 5:21 PM (Merged)
Tiny
ASEMASTER6371
  • MECHANIC
  • 52,796 POSTS
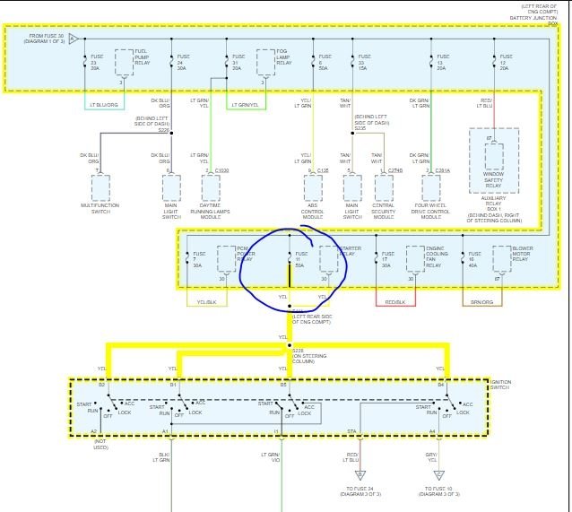
Okay, then if you looked at the diagram I sent you in the beginning, the ignition switch sends that power. You need to test for output from the ignition switch itself. You may have a bad ignition switch.

The switch is under the dash. Check the wire listed in the diagram I sent for power in the start position.

Roy
Was this
answer
helpful?
Yes
No
Monday, March 8th, 2021 AT 5:21 PM (Merged)
Tiny
JIMEL48
  • MEMBER
  • 32 POSTS
Thanks Roy,

It will be this weekend before I can get to the ignition switch. Looking at diagram I will be looking for the red/light blue wire. Also I double checked power at fuse and I am getting 0.04 volts when trying to crank engine. If that matters.
Was this
answer
helpful?
Yes
No
Monday, March 8th, 2021 AT 5:21 PM (Merged)
Tiny
ASEMASTER6371
  • MECHANIC
  • 52,796 POSTS
You need battery voltage at the fuse in the start position.

Keep me updated.

Roy
Was this
answer
helpful?
Yes
No
Monday, March 8th, 2021 AT 5:21 PM (Merged)
Tiny
JIMEL48
  • MEMBER
  • 32 POSTS
Hello Roy,

Used test light to check red/light blue and all yellow wires coming from ignition switch when cranking and no power. Checked continuity from red/light blue wire coming out of ignition switch and 7.5 amp fuse and had continuity.
Was this
answer
helpful?
Yes
No
Monday, March 8th, 2021 AT 5:21 PM (Merged)
Tiny
ASEMASTER6371
  • MECHANIC
  • 52,796 POSTS
Okay, then it looks like you have a bad switch. The red/light blue should have power in the start position only.

Roy
Was this
answer
helpful?
Yes
No
+1
Monday, March 8th, 2021 AT 5:21 PM (Merged)
Tiny
JIMEL48
  • MEMBER
  • 32 POSTS
Okay, thanks.
One question so that I understand. None of the wires that plug into the ignition switch has any power going in or out. For the ignition switch to put out power as the key is turned where is the power coming into the ignition switch?
Was this
answer
helpful?
Yes
No
Monday, March 8th, 2021 AT 5:21 PM (Merged)
Tiny
ASEMASTER6371
  • MECHANIC
  • 52,796 POSTS
Okay, I attached a diagram for you. The yellow wires are powered by a 50 amp fuse in the under hood fuse block. Check this fuse for power at the fuse.

I also attached a fuse box diagram for the location of the fuse to be tested.

Roy
Was this
answer
helpful?
Yes
No
+1
Monday, March 8th, 2021 AT 5:21 PM (Merged)
Tiny
JIMEL48
  • MEMBER
  • 32 POSTS
Good morning Roy,

You were right 50 amp fuse blown. Power is getting to fuse just not going though. Not sure why fuse blew but I will replace and hopefully it will not blow again. If it does whole new set of problems. Thanks very much for your time and walking me through this process.
Was this
answer
helpful?
Yes
No
Monday, March 8th, 2021 AT 5:22 PM (Merged)
Tiny
ASEMASTER6371
  • MECHANIC
  • 52,796 POSTS
You are welcome.

It will fail again. Fuses fail for a reason.

I would replace the ignition switch itself as that is the most common failure for that fuse to fail.

Roy
Was this
answer
helpful?
Yes
No
+1
Monday, March 8th, 2021 AT 5:22 PM (Merged)
Tiny
JENNYLYNN1977
  • MEMBER
  • 2 POSTS
  • 2001 FORD RANGER
I have a 2001 Ford Ranger with just over 100k miles. Truck was running fine, had to run and errand and turned truck off for about 15 minutes, when I went to start it, nothing. We tried to jump it, nothing, won't turn over, makes a clicking sound sometimes.
Also when the key is not in the ignition and I open the door the truck starts clicking really fast. Sometimes the lights work for a few minutes and then they go out.
I've only ever had to replace the ball joints on the truck, I've never had any other issues, excpet just a week ago I noticed a small leak around the oil pan gasket, but very small leak.
Any idea's on what this might be, could it be the starter, or a short in the starter?
Was this
answer
helpful?
Yes
No
Monday, March 8th, 2021 AT 5:22 PM (Merged)
Tiny
JENNYLYNN1977
  • MEMBER
  • 2 POSTS
I just replaced the battery and the truck is working great now! Thank you so much for the help, if anyone else has the problem try replacing the battery, if that solves your problem, please send in a donation to keep this site running!
Thanks again!
Was this
answer
helpful?
Yes
No
Monday, March 8th, 2021 AT 5:22 PM (Merged)
Tiny
PHIL JOHNSON
  • MEMBER
  • 4 POSTS
  • 2001 FORD RANGER
  • 4.0L
  • V6
  • 4WD
  • AUTOMATIC
  • 210,000 MILES
My truck will not start. When I turn the key nothing. I hear the fuel pump dash lights come on anti theft flashes fast. I changed my ignition switch and neutral safety switch. I checked the starter relay it is okay. I can jump the starter with a screwdriver with the key on it turns but the truck still will not start.
Was this
answer
helpful?
Yes
No
Monday, March 8th, 2021 AT 5:22 PM (Merged)
Tiny
ASEMASTER6371
  • MECHANIC
  • 52,796 POSTS
Good afternoon.

Does the anti theft light go out with the key on? This guide can help us fix it

https://www.2carpros.com/articles/starter-not-working-repair

Please run down this guide and report back. Roy
Was this
answer
helpful?
Yes
No
Monday, March 8th, 2021 AT 5:22 PM (Merged)
Tiny
PHIL JOHNSON
  • MEMBER
  • 4 POSTS
It flashes slow until I try to start it then it speeds up.
Was this
answer
helpful?
Yes
No
Monday, March 8th, 2021 AT 5:22 PM (Merged)

Please login or register to post a reply.