Saturday, July 16th, 2022 AT 4:01 AM
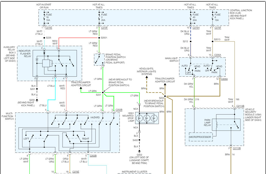
The fuse to the brake lights, hazard lights, and turn signals keeps blowing when I depress the brake. I changed the light bulbs, socket, and brake switch. After unplugging the third brake light and changing the fuse, the lights worked until I moved the car. Will the towing lights work with this issue?



