Brake light fuse

Tiny
NOTREDAME1
  • MEMBER
  • 2002 FORD EXPEDITION
  • V8
  • FWD
  • AUTOMATIC
  • 96,000 MILES
How do I find brake light fuse?
Saturday, March 14th, 2009 AT 1:55 PM

3 Replies

Tiny
MERLIN2021
  • MECHANIC
  • 17,250 POSTS
Hello,

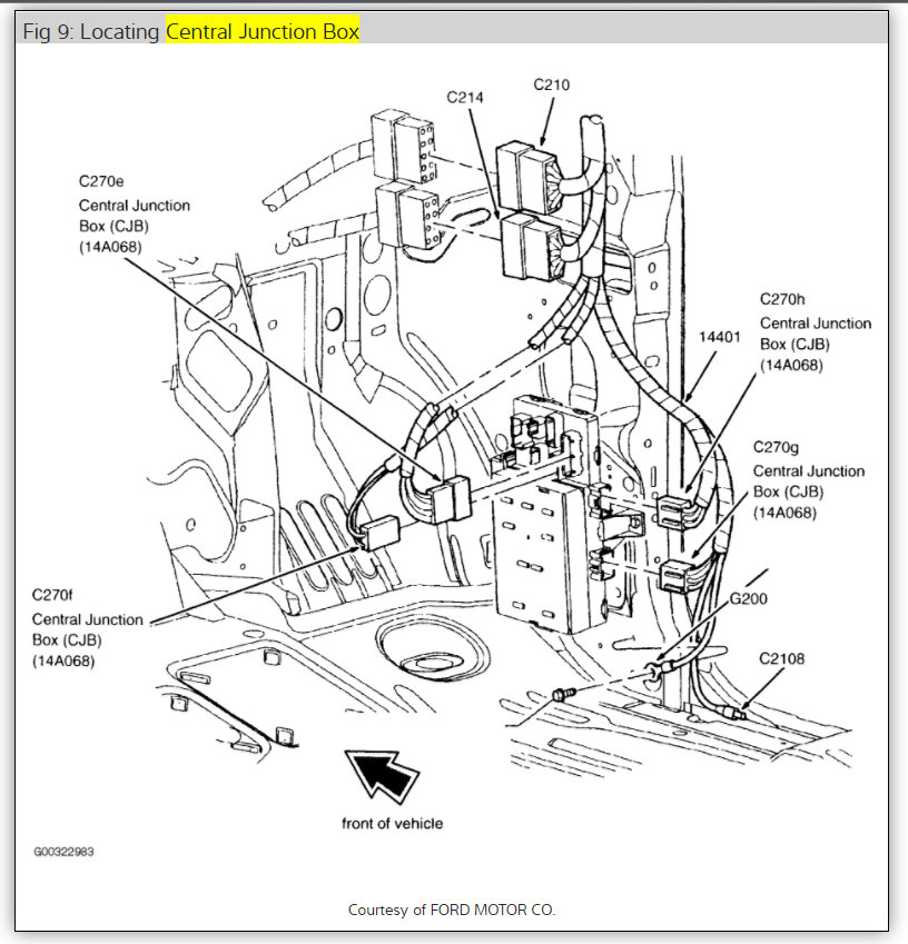
Here is a guide to help you test for power at the fuse and the fuse panel diagrams below. The fuse is F1.2

https://www.2carpros.com/articles/how-to-check-a-car-fuse

Check out the diagrams (Below). Please let us know if you need anything else to get the problem fixed.
Was this
answer
helpful?
Yes
No
Saturday, March 14th, 2009 AT 1:59 PM
Tiny
RUBIOWELLNESS
  • MEMBER
  • 1 POST
  • 2001 FORD EXPEDITION
Electrical problem
2001 Ford Expedition V8 Two Wheel Drive Automatic

My driver side rear brake light does not come on when I hit my brakes. It does not go on when I use my left turn switch either. I checked the bulb and I checked the fuse. All seem intact. The front driver side turn signal works but it flashes very rapidly. I am sure it has something to do with the rear light not working. Any suggestions?
Was this
answer
helpful?
Yes
No
+2
Tuesday, April 16th, 2019 AT 12:06 PM (Merged)
Tiny
JACOBANDNICKOLAS
  • MECHANIC
  • 110,194 POSTS
I think you are correct. The symptoms you described are that of a burnt out tail light. Remember, there are two elements in the bulb. One is a parking light the other for the signal and brake light. Have you tried replacing the bulb with a new one? Have you checked the light socket to see if there is power to it with the brakes?

That fast flashing front light indicates the rear light has an open curcuit which means the power isn't going through it fully. Check it with a test light or new bulb and let me know what you find.

Joe
Was this
answer
helpful?
Yes
No
+1
Tuesday, April 16th, 2019 AT 12:06 PM (Merged)

Please login or register to post a reply.