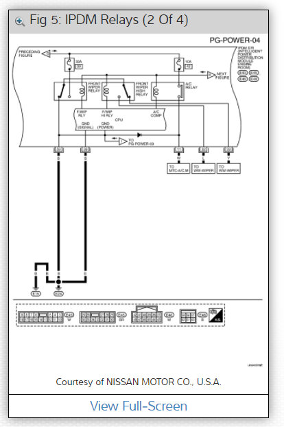
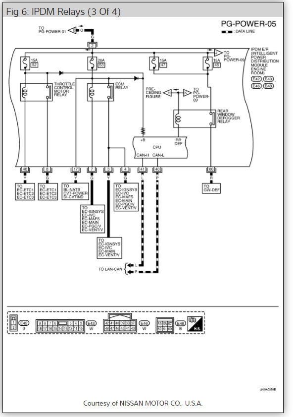
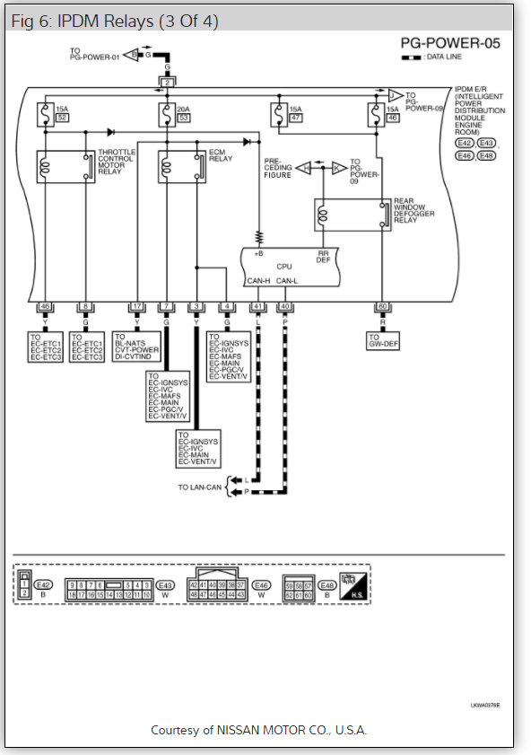
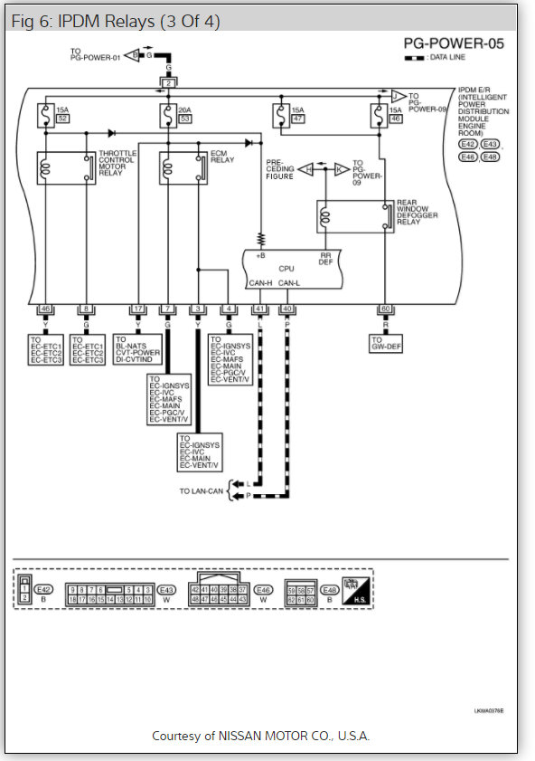
Wednesday, January 10th, 2018 AT 12:27 PM
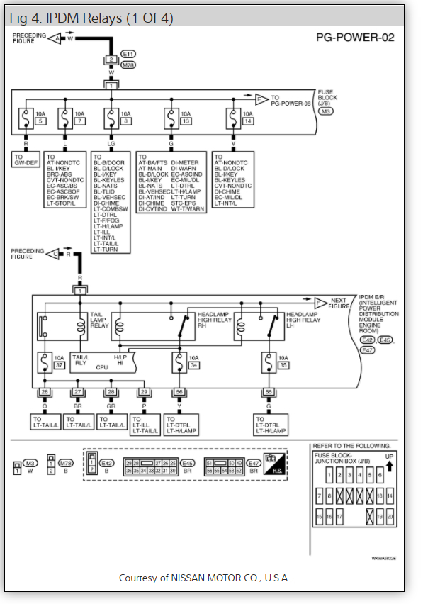
I just had a new rear windshield replace, but my rear defrost was out long before it was smashed. I know my fuses are good. I am not sure about the relay, but I do know the switch inside my dash does not power on. How can I test the switch alone? Thanks.












