Fuel injection wiring diagram needed

Tiny
TOMMY_BOY
  • MEMBER
  • 2015 RAM 1500
  • 5.7L
  • V8
  • 4WD
  • AUTOMATIC
I am looking for a wiring diagram for the truck listed above for the fuel injection wiring layout.
I am looking for the pink/white wiring layout from the fuse box under the hood to the PCM and where ever else it go to.
Saturday, August 28th, 2021 AT 10:17 AM

7 Replies

Tiny
JACOBANDNICKOLAS
  • MECHANIC
  • 110,192 POSTS
Hi,

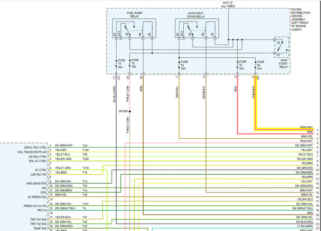
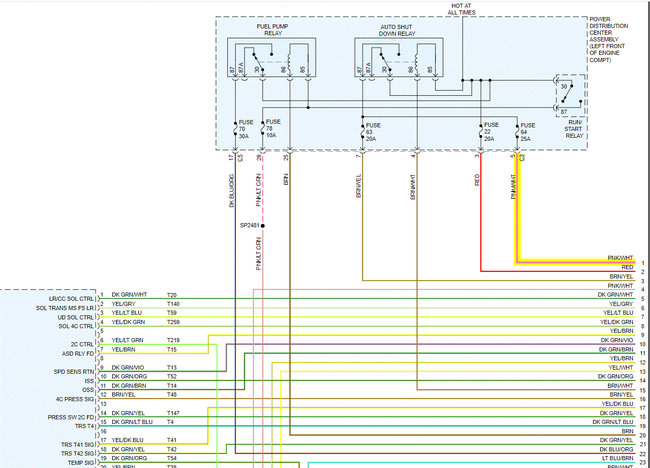
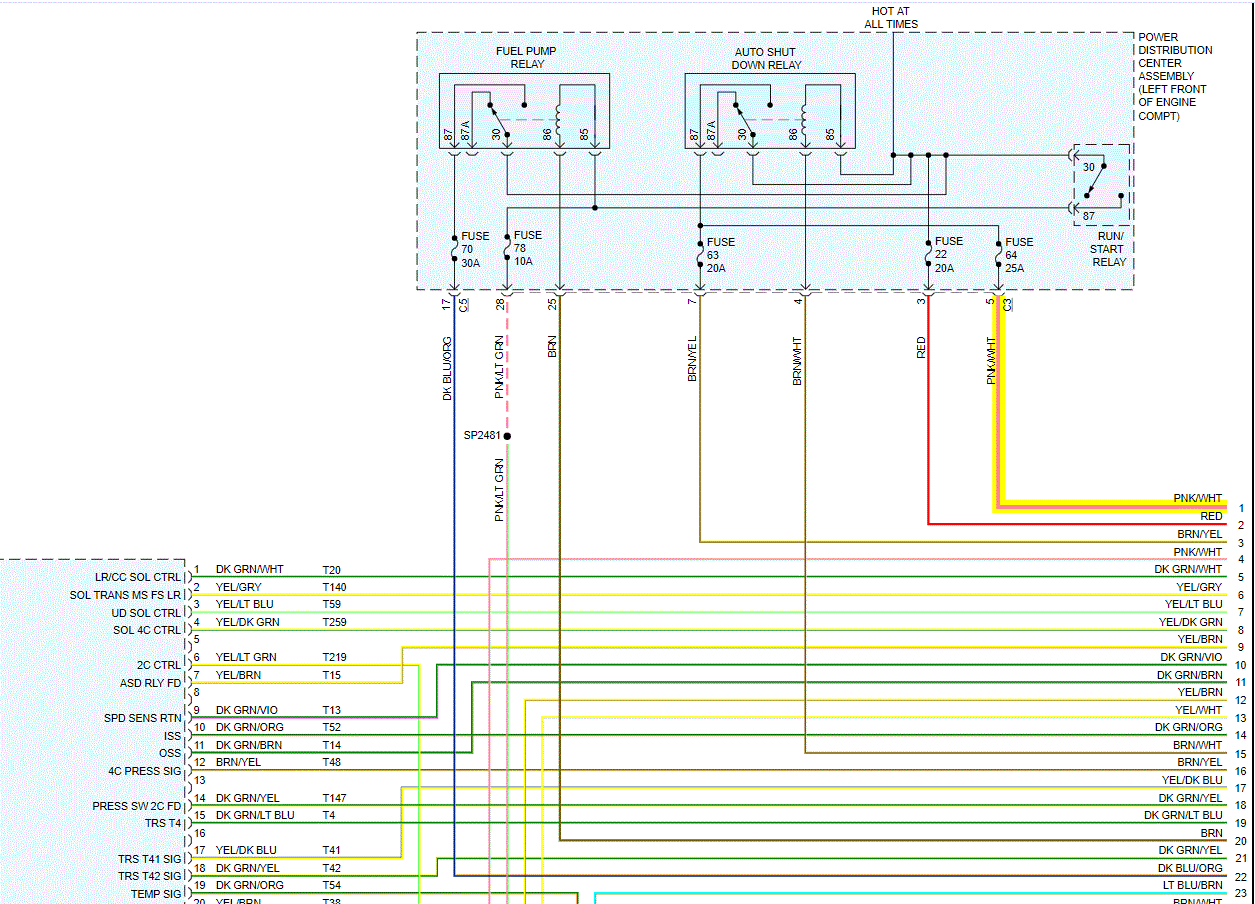
I attached the entire powertrain management wiring harness below. It was 7 pages long. I had to cut each pic in half to make them readable for you. I did overlap them so you can follow from one to the next.

Next, I highlighted the pink/white wire for you. It runs between the injectors, auto shut down relay, and so on.

Here is a link you may find helpful when working on wiring:

https://www.2carpros.com/articles/how-to-check-wiring

I hope this helps. Let me know if you have questions or need help.

Take care,

Joe

See pics below.
Was this
answer
helpful?
Yes
No
+2
Saturday, August 28th, 2021 AT 11:27 PM
Tiny
TOMMY_BOY
  • MEMBER
  • 11 POSTS
Thank you for the reply. I have look at the wiring harness try to find the spot that is shorting to ground and I can't find it. The only spot I can see or get to easy is behind the motor and firewall. Would you know where a short to ground would happen at? Or a pic's where the rub point is?
Was this
answer
helpful?
Yes
No
Sunday, August 29th, 2021 AT 7:00 AM
Tiny
JACOBANDNICKOLAS
  • MECHANIC
  • 110,192 POSTS
Hi,

There really isn't a common problem. Have you tried unplugging one injector at a time to see if that makes a difference? Or, unplug them all to see if the fuse blows. If it doesn't plug one in at a time to see which one causes the short.

If that doesn't work, disconnect the battery and check each connector for continuity to ground. Hopefully, only one or two will show it.

Let me know what you find or if there is anything I can do to help.

Take care,

Joe
Was this
answer
helpful?
Yes
No
Sunday, August 29th, 2021 AT 6:38 PM
Tiny
TOMMY_BOY
  • MEMBER
  • 11 POSTS
Okay, Joe. I know where that wiring run to now. When I unplug the pigtail from short runner solenoid valve my pink/white wire doesn't short to ground. But as soon I plug it back in to the short runner solenoid valve it short back to ground again. So I think my short runner solenoid valve is bad. Can I be wrong?
Was this
answer
helpful?
Yes
No
Monday, August 30th, 2021 AT 10:01 AM
Tiny
JACOBANDNICKOLAS
  • MECHANIC
  • 110,192 POSTS
Hi,

That certainly could be the issue. However, there could be a short in one of the signal wires, a pin crossed in the sensor, and a few other things.

I attached some general diagnostics related to the circuit. Take a look through them and let me know if it is something you can perform.

If possible, check for diagnostic trouble codes. There could be one that indicated a specific area to test.

Let me know.

Joe
Was this
answer
helpful?
Yes
No
Monday, August 30th, 2021 AT 5:56 PM
Tiny
TOMMY_BOY
  • MEMBER
  • 11 POSTS
Okay Joe. I did the checking on the other wiring no ground to them at all. Until I plug the new SRV into the pigtail and I have short to ground again to the pink/ white wire. I check the pigtail and it's all good. The only time I get short to ground when I plug in the short runner solenoid valve grounds the pink/white and the dark blue/yellow wire. I'm clueless now.
Was this
answer
helpful?
Yes
No
Tuesday, August 31st, 2021 AT 12:19 PM
Tiny
JACOBANDNICKOLAS
  • MECHANIC
  • 110,192 POSTS
Try testing the solenoid valve power supply pin to the ground pin with it unplugged. If you have continuity, chances are it is internally shorted.

Let me know.

Joe
Was this
answer
helpful?
Yes
No
Tuesday, August 31st, 2021 AT 6:44 PM

Please login or register to post a reply.