IAC Valve wiring diagram needed?

Tiny
IBRAH1098IB
  • MEMBER
  • 2002 TOYOTA COROLLA
  • 230,000 MILES
Want to know which color goes to each pin. It's a 3 pin IAC.
Tuesday, February 14th, 2023 AT 12:45 AM

2 Replies

Tiny
KEN L
  • MASTER CERTIFIED MECHANIC
  • 55,322 POSTS
Hello,

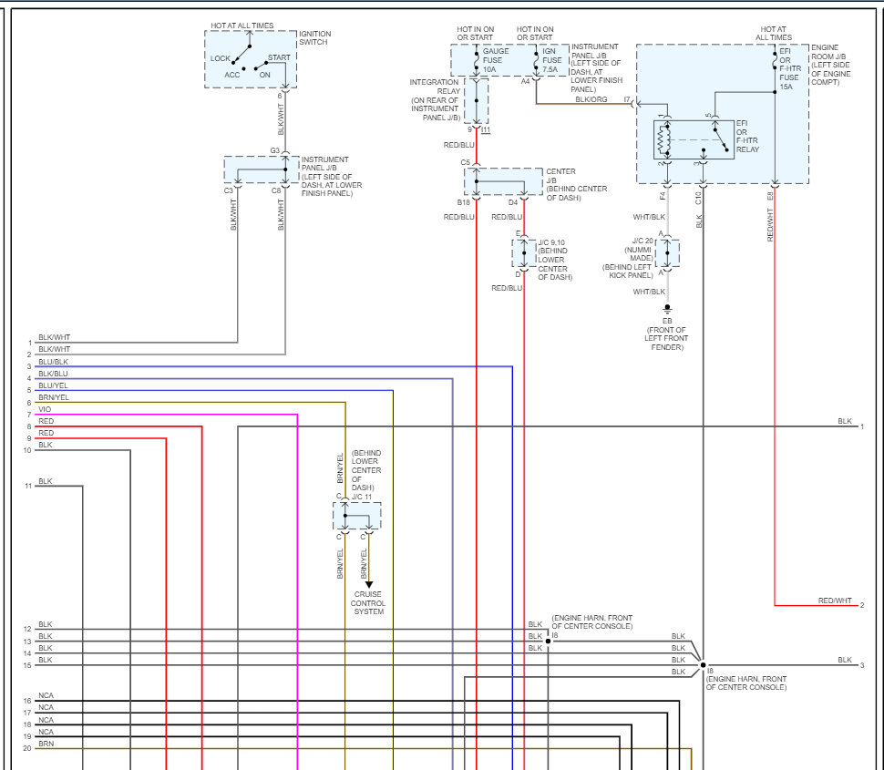
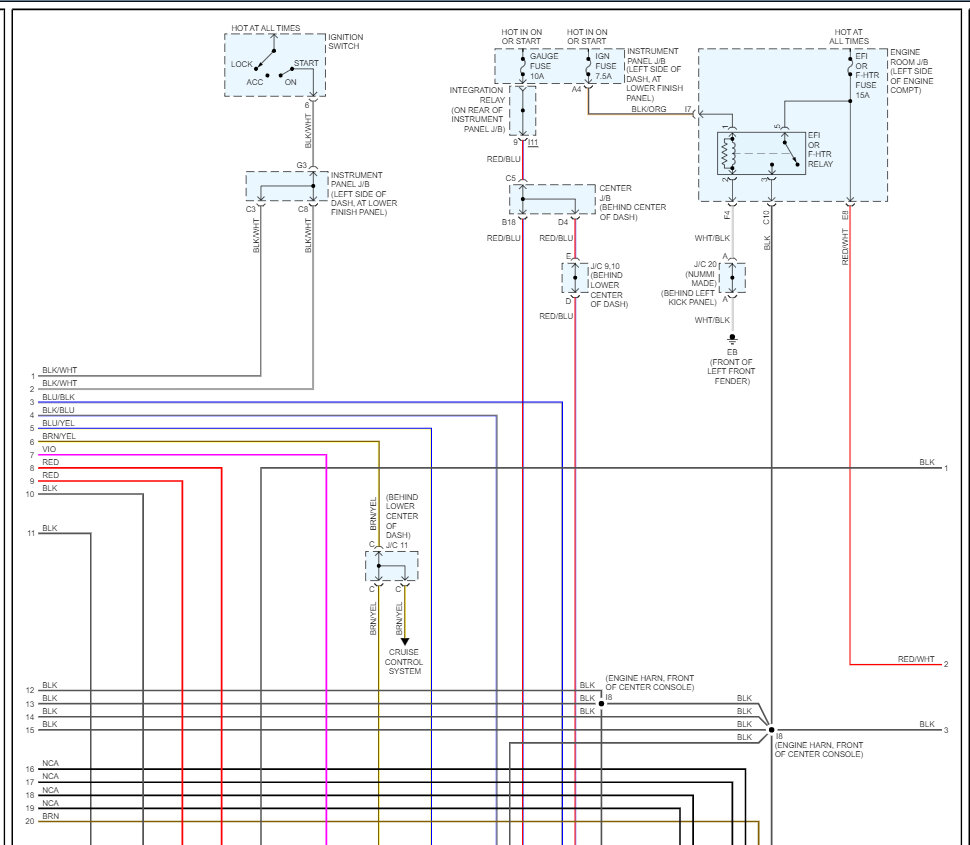
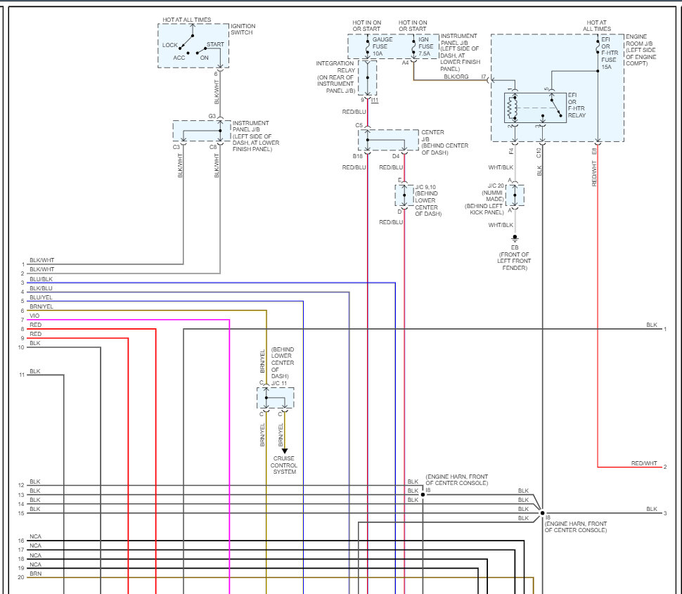
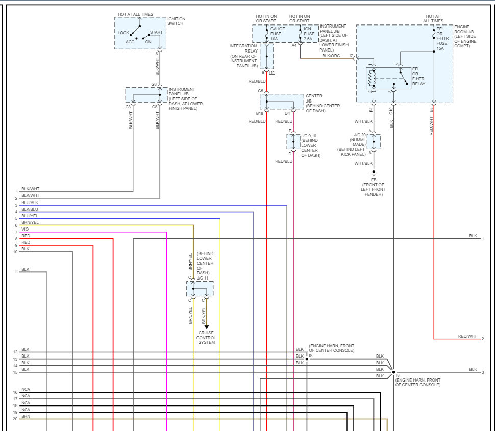
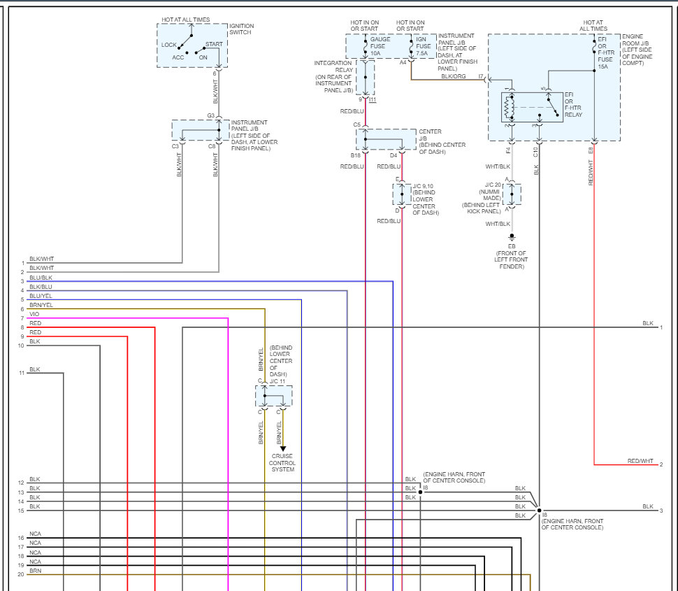
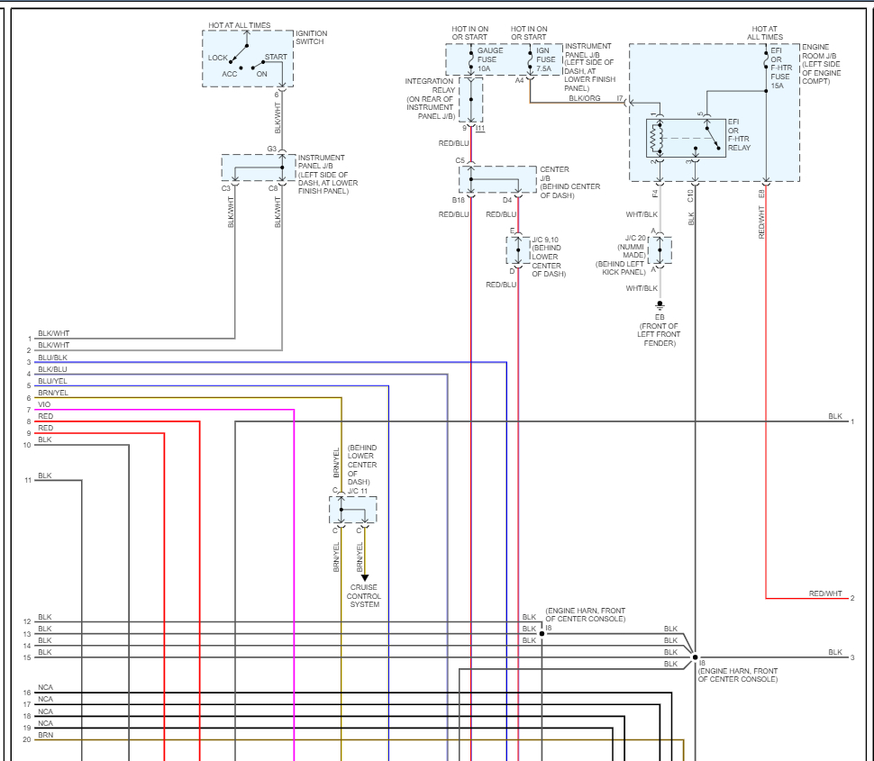
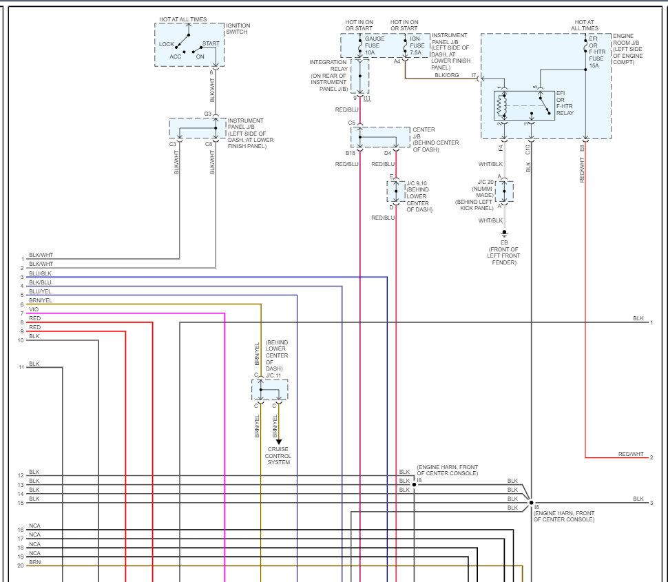
Yes, the wiring diagrams show three wires to the IAC motor. Here are the wiring diagrams which are included in the engine wiring. I also included a guide to help you test the connections as well.

https://www.2carpros.com/articles/how-to-check-wiring

Please check out the images below and let me know if you need anything else.
Was this
answer
helpful?
Yes
No
+1
Tuesday, February 14th, 2023 AT 11:58 AM
Tiny
JACOBANDNICKOLAS
  • MECHANIC
  • 110,192 POSTS
Hi,

I tried finding a pic that showed specifics but was unable. So, I had to do it this way.

If you look at pic 1, the schematic indicates the wire color and pin it goes to. Pic 2 is the connector view. I numbered the connectors.

Let me know if this helps or if you have other questions.

Take care,

joe

See pics below.
Was this
answer
helpful?
Yes
No
+7
Tuesday, February 14th, 2023 AT 12:06 PM

Please login or register to post a reply.