Power steering pump and high pressure line

Tiny
KEYWANTA KRIZZ WEATHERSPOON
  • MEMBER
  • 2006 CHEVROLET MALIBU
  • 100,000 MILES
How do I replace the power steering pump and high pressure line?
Sunday, September 4th, 2016 AT 9:06 AM

11 Replies

Tiny
HMAC300
  • MECHANIC
  • 48,601 POSTS
Hello,

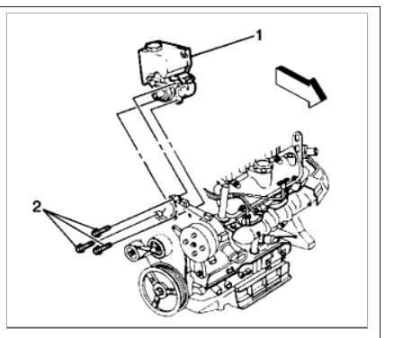
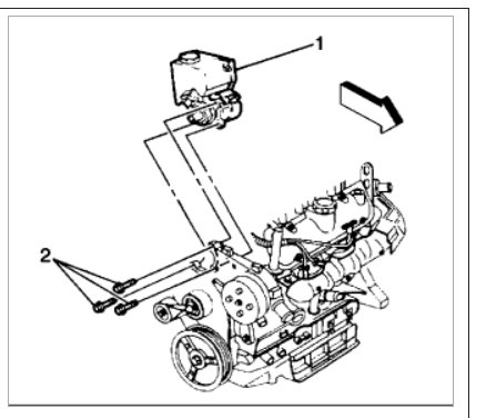
Here is a guide to help walk you through the steps on a similar car with instructions in the diagrams below to show you how on your car.

https://www.2carpros.com/articles/how-to-replace-a-power-steering-pump

Check out the diagrams (Below). Please let us know if you need anything else to get the problem fixed.
Was this
answer
helpful?
Yes
No
Sunday, September 4th, 2016 AT 10:39 AM
Tiny
DAVID WHITE
  • MEMBER
  • 1 POST
  • 2000 CHEVROLET MALIBU
  • 3.1L
  • 6 CYL
  • 2WD
  • AUTOMATIC
  • 100,000 MILES
How do you replace a power steering pump?
Was this
answer
helpful?
Yes
No
Saturday, May 2nd, 2020 AT 12:02 PM (Merged)
Tiny
KEN L
  • MASTER CERTIFIED MECHANIC
  • 55,322 POSTS
Hey David,

On 2.4L models, remove air cleaner duct. On 3.1L models, remove upper engine mount. On 3.4L models, remove serpentine drive belt. On all models, disconnect pressure and return lines from pump. Remove mounting bolts. On 3.4L models, support engine by oil pan. Remove engine mount. Remove pump.

On some models, it may be necessary to remove pump bracket with pump.
To install, reverse removal procedure. Tighten bolts and fittings to specification.

Here is a guide and video on how to do it.

https://www.2carpros.com/articles/how-to-replace-a-power-steering-pump

Please let us know what you find so it will help others.

Best, Ken
Was this
answer
helpful?
Yes
No
+1
Saturday, May 2nd, 2020 AT 12:02 PM (Merged)
Tiny
GILLY9246
  • MEMBER
  • 2 POSTS
  • 2000 CHEVROLET MALIBU
Steering problem 6 cyl Front Wheel Drive Automatic 132000 miles

The power steering pump has been replaced but makes a whining noise that does not go away. On this model Malibu, does the power steering fluid reservoir have a built-in filter that, if clogged, may cause this problem?
Was this
answer
helpful?
Yes
No
Saturday, May 2nd, 2020 AT 12:02 PM (Merged)
Tiny
JACOBANDNICKOLAS
  • MECHANIC
  • 110,192 POSTS
To the best of knowledge, there isn't one. When the pump was replaced, did they use the old resivour? Also, was it an aftermarket pump or remanufacturered?

Let me know.

Joe
Was this
answer
helpful?
Yes
No
Saturday, May 2nd, 2020 AT 12:02 PM (Merged)
Tiny
GILLY9246
  • MEMBER
  • 2 POSTS
In response to your questions:

1. The power steering pump that was installed was an after market pump.

2. I believe the old power steering fluid reservoir was used.

Thanks for you help.

Gilly9246
Was this
answer
helpful?
Yes
No
Saturday, May 2nd, 2020 AT 12:02 PM (Merged)
Tiny
JACOBANDNICKOLAS
  • MECHANIC
  • 110,192 POSTS
Hi:
First, I'm sorry if this took a long time to get back to you. For some unknown reason, I'm not getting all of my replies.

Regardless, if I had to guess, I would say it is the pump. I've delt with many aftermarket and remanufacturered pumps that do exactly that, make a whining noise. Chances are the only way to eliminate the noise is to get a factory part. At least that is what I have found.

I wish I had better news. If you want, have the shop that did the work replace the pump under warranty to see if you get a better pump. Also, I don't believe there is a screen in the old resivour. However, I feel the mechanic would and should have cleaned everything out before replacing it.

Let me know if you have other questions.

Joe
Was this
answer
helpful?
Yes
No
Saturday, May 2nd, 2020 AT 12:02 PM (Merged)
Tiny
CRAIGHAWES43
  • MEMBER
  • 1 POST
I am about to replace ps pump, the online parts stores recomend installing a filter in the system. Dont know what it is exactly but will find out when I get the pump and pully
Was this
answer
helpful?
Yes
No
Saturday, May 2nd, 2020 AT 12:02 PM (Merged)
Tiny
KEN L
  • MASTER CERTIFIED MECHANIC
  • 55,322 POSTS
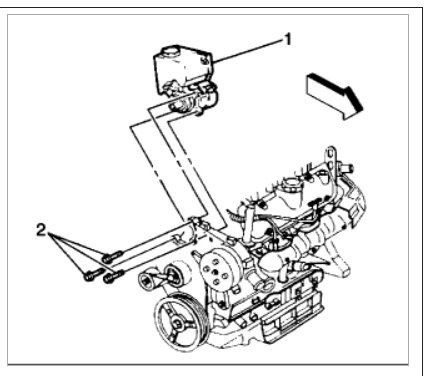
You don't need a filter all you need to do is flush the system. Here is two guides to help you get the job done.

https://www.2carpros.com/articles/power-steering-fluid-flush

and

https://www.2carpros.com/articles/how-to-replace-a-power-steering-pump

Check out the diagrams (Below)

Please let us know what happens.

Cheers, Ken
Was this
answer
helpful?
Yes
No
Saturday, May 2nd, 2020 AT 12:02 PM (Merged)
Tiny
ROCHELLEDION
  • MEMBER
  • 1 POST
  • 1997 CHEVROLET MALIBU
  • 6 CYL
  • 2WD
  • AUTOMATIC
  • 174,000 MILES
How do you change the power steering pump
Was this
answer
helpful?
Yes
No
Saturday, May 2nd, 2020 AT 12:03 PM (Merged)
Tiny
ROWTIEAR
  • MEMBER
  • 91 POSTS
Remove the serpentine belt,
Remove the pressure and return hoses from pump.
Remove the 3 13mm bolts through the holes in the power steering pump pulley.
Remove the pump.
Remove the pulley from the pump on the bench. (Special puller required)
Remove the reservior from the pump.
Install the new pump in reverse order.
Was this
answer
helpful?
Yes
No
+1
Saturday, May 2nd, 2020 AT 12:03 PM (Merged)

Please login or register to post a reply.