I needed a computer wiring diagram

Tiny
ALAZRI
  • MEMBER
  • 19 POSTS
A solution that needs to be programmed after installing the set / cruise and its wires to light a bulb on the panel.
Was this
answer
helpful?
Yes
No
Wednesday, June 9th, 2021 AT 9:14 PM
Tiny
DANNY L
  • MECHANIC
  • 5,648 POSTS
Hello again.
Unsure of this question. You will need to clarify. Thanks again for using 2CarPros.

Danny-
Was this
answer
helpful?
Yes
No
+1
Friday, June 11th, 2021 AT 9:47 AM
Tiny
ALAZRI
  • MEMBER
  • 19 POSTS
The cruise control wires in my car are not connected inside the car. Do I need to program the car to work? Where I connected it according to the scheme.
Was this
answer
helpful?
Yes
No
Saturday, June 12th, 2021 AT 11:52 AM
Tiny
DANNY L
  • MECHANIC
  • 5,648 POSTS
Hello again.

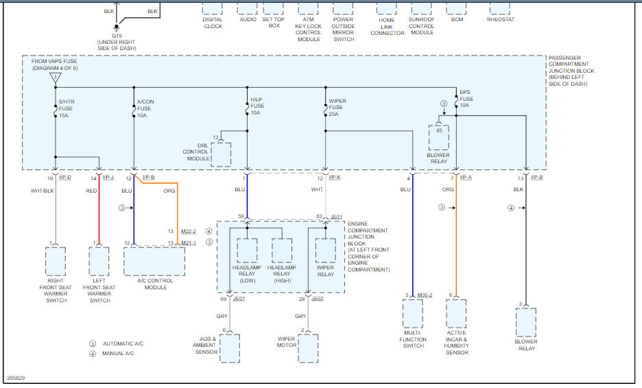
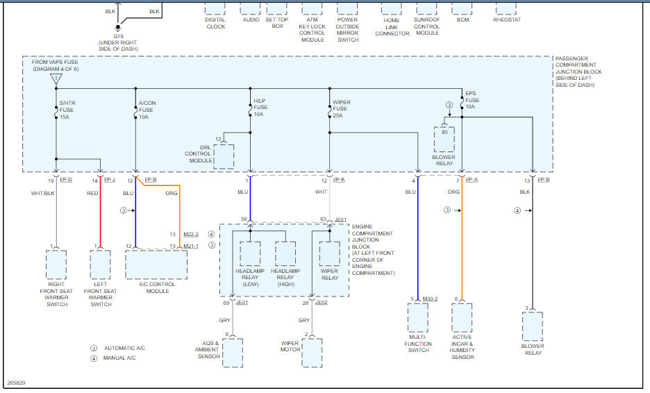
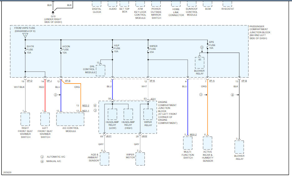
Here is the wiring diagram for the cruise control system. The wires will need to be attached to the multi-function switch which is located on the steering column. I've cut the pictures into 3 pieces each so you can view larger and attached them below. Hope this helps and thanks again for using 2CarPros.

Danny-
Was this
answer
helpful?
Yes
No
+1
Saturday, June 12th, 2021 AT 12:27 PM
Tiny
ALAZRI
  • MEMBER
  • 19 POSTS
Can you provide me with a wiring diagram to start the car from the key?
Was this
answer
helpful?
Yes
No
Tuesday, September 14th, 2021 AT 1:03 PM
Tiny
DANNY L
  • MECHANIC
  • 5,648 POSTS
Hello again.

Here is the information you requested. I've attached below the ignition switch wiring diagram for your Hyundai. I've cut the picture into three pieces so you can view larger. Hope this helps and thanks again for using 2CarPros.

Danny-
Was this
answer
helpful?
Yes
No
Tuesday, September 14th, 2021 AT 1:34 PM

Please login or register to post a reply.