I needed a computer wiring diagram

Tiny
ALAZRI
  • MEMBER
  • 2007 HYUNDAI SONATA
  • 4 CYL
  • 2WD
  • AUTOMATIC
  • 2,007 MILES
I need a scheme.
Saturday, May 29th, 2021 AT 2:05 AM

26 Replies

Tiny
DANNY L
  • MECHANIC
  • 5,648 POSTS
Hello, I'm Danny.

There are numerous different wiring systems on a vehicle. Which one do you need? Get back to us with which circuit you need and we'll be happy to provide. Thanks for using 2CarPros.
Was this
answer
helpful?
Yes
No
+1
Sunday, May 30th, 2021 AT 2:17 PM
Tiny
ALAZRI
  • MEMBER
  • 19 POSTS
I need a cruise control wiring diagram.
Was this
answer
helpful?
Yes
No
Tuesday, June 1st, 2021 AT 10:06 AM
Tiny
DANNY L
  • MECHANIC
  • 5,648 POSTS
Hello again.

Here is the information you requested. This is a tutorial for you to view on how to test electrical wiring:

https://www.2carpros.com/articles/how-to-check-wiring

I've attached below the cruise control wiring diagram for your vehicle. I've cut the pictures into 3 pieces so you can view larger. Hope this helps and thanks again for using 2CarPros.

Danny-
Was this
answer
helpful?
Yes
No
+3
Wednesday, June 2nd, 2021 AT 4:52 AM
Tiny
ALAZRI
  • MEMBER
  • 19 POSTS
And I need computer data lines wiring diagram.
Was this
answer
helpful?
Yes
No
Wednesday, June 2nd, 2021 AT 6:35 AM
Tiny
DANNY L
  • MECHANIC
  • 5,648 POSTS
Hello again.

Here is the computer data line wiring diagram you requested. I've cut the picture into 3 pieces so you can view larger. Hope this helps and thanks again for using 2CarPros.

Danny-
Was this
answer
helpful?
Yes
No
+1
Wednesday, June 2nd, 2021 AT 7:11 AM
Tiny
ALAZRI
  • MEMBER
  • 19 POSTS
I need speedometer wiring diagram.
Was this
answer
helpful?
Yes
No
Thursday, June 3rd, 2021 AT 11:49 AM
Tiny
ALAZRI
  • MEMBER
  • 19 POSTS
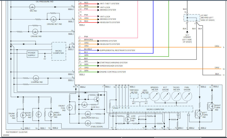
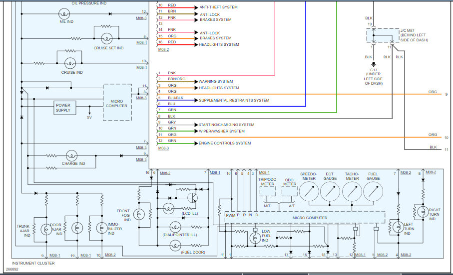
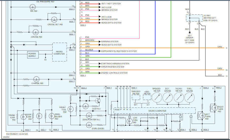
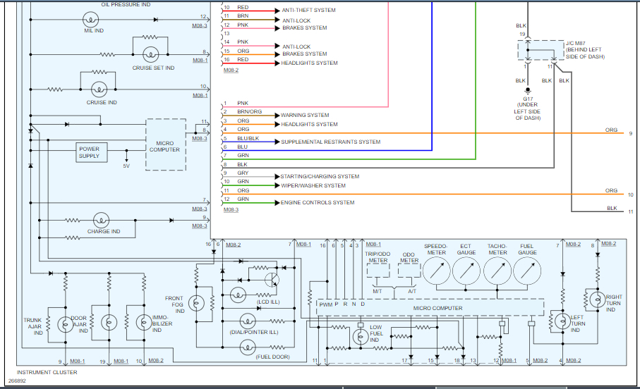
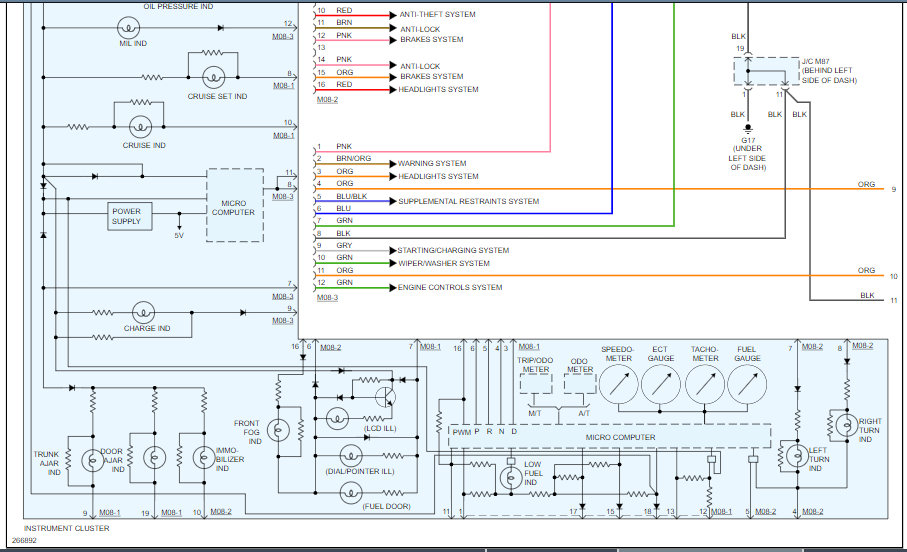
I need Instrument Cluster Wiring Diagram.
Was this
answer
helpful?
Yes
No
+1
Thursday, June 3rd, 2021 AT 2:07 PM
Tiny
DANNY L
  • MECHANIC
  • 5,648 POSTS
Hello again.

I've attached the instrument-cluster panel wiring diagram below which also includes the speedometer. I've cut the pictures again into 3 pieces so you can view larger. Hope this helps and thanks again for using 2CarPros.
Was this
answer
helpful?
Yes
No
+1
Thursday, June 3rd, 2021 AT 2:30 PM
Tiny
ALAZRI
  • MEMBER
  • 19 POSTS
I need computer wiring diagram.
Was this
answer
helpful?
Yes
No
Friday, June 4th, 2021 AT 7:24 AM
Tiny
DANNY L
  • MECHANIC
  • 5,648 POSTS
Hello again.

Do you mean the ECM or PCM- Engine control module, Powertrain control module? Thanks again for using 2CarPros.

Danny-
Was this
answer
helpful?
Yes
No
Friday, June 4th, 2021 AT 7:21 PM
Tiny
ALAZRI
  • MEMBER
  • 19 POSTS
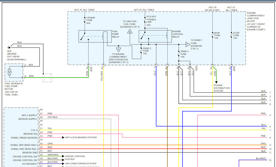
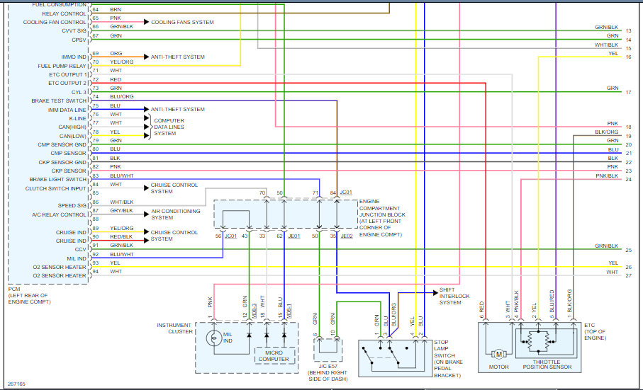
Both, I need PCM and ECM wiring diagram.
Was this
answer
helpful?
Yes
No
Friday, June 4th, 2021 AT 9:57 PM
Tiny
DANNY L
  • MECHANIC
  • 5,648 POSTS
Hello again.

Here is the diagrams you requested. I've attached below the ecm pin out below. I've also attached the wiring diagram and cut into 3 pieces so you can view larger. Hope this helps and thanks again for using 2CarPros.

Danny-
Was this
answer
helpful?
Yes
No
+1
Saturday, June 5th, 2021 AT 7:04 AM
Tiny
ALAZRI
  • MEMBER
  • 19 POSTS
I need fuse wiring diagram.
Was this
answer
helpful?
Yes
No
Saturday, June 5th, 2021 AT 10:00 PM
Tiny
DANNY L
  • MECHANIC
  • 5,648 POSTS
Hello again.

Here is the fuse diagram you requested. I've attached the pictures below for your Hyundai. Hope this helps and thanks again for using 2CarPros.

Danny-
Was this
answer
helpful?
Yes
No
+1
Sunday, June 6th, 2021 AT 6:18 AM
Tiny
ALAZRI
  • MEMBER
  • 19 POSTS
Thanks for everything.
Was this
answer
helpful?
Yes
No
Sunday, June 6th, 2021 AT 8:08 AM
Tiny
DANNY L
  • MECHANIC
  • 5,648 POSTS
You're welcome!
Thanks again for using 2CarPros and we hope you will use our site again in the future when needed.

Danny-
Was this
answer
helpful?
Yes
No
+1
Sunday, June 6th, 2021 AT 10:54 AM
Tiny
ALAZRI
  • MEMBER
  • 19 POSTS
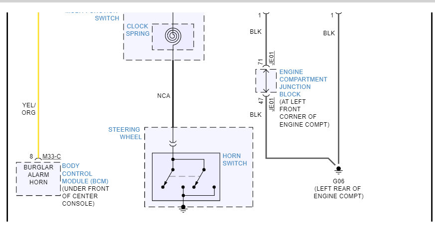
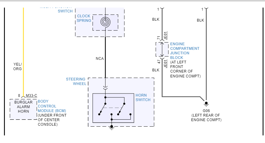
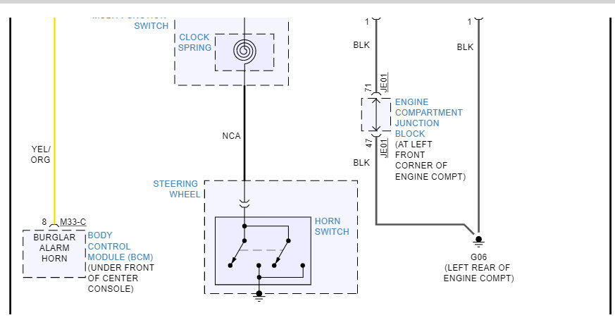
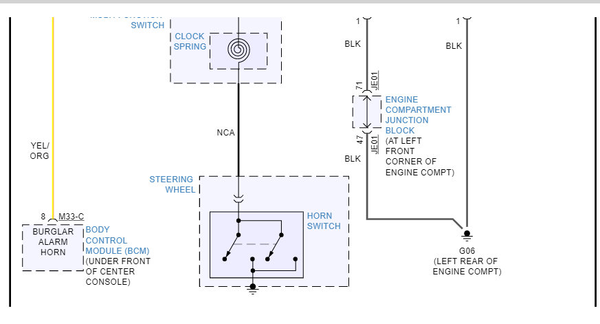
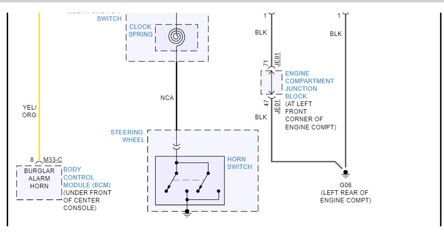
I need clock spring wiring diagram.
Was this
answer
helpful?
Yes
No
Monday, June 7th, 2021 AT 11:13 AM
Tiny
ALAZRI
  • MEMBER
  • 19 POSTS
Where can I find the joint connector M81?
Was this
answer
helpful?
Yes
No
Monday, June 7th, 2021 AT 11:57 AM
Tiny
DANNY L
  • MECHANIC
  • 5,648 POSTS
Hello again.

Here is the clock spring diagram you requested. I've cut it into 3 pieces so you can view larger. I've also attached a picture of M81 joint connector which is located behind right side of dash. Hope this helps and thanks again for using 2CarPros.

Danny-
Was this
answer
helpful?
Yes
No
+1
Monday, June 7th, 2021 AT 4:07 PM
Tiny
ALAZRI
  • MEMBER
  • 19 POSTS
A solution that needs to be programmed after installing the installer and its wires to light a bulb on the panel.
Was this
answer
helpful?
Yes
No
Wednesday, June 9th, 2021 AT 1:37 PM

Please login or register to post a reply.