HOME
ASK A QUESTION
REPAIR GUIDES
BECOME A MEMBER
LOG IN
Login with Facebook
OR
Remember me
NOT A MEMBER?
FORGOT PASSWORD?
CONTACT US
PRIVACY POLICY
TERMS AND CONDITIONS
☰
Home
Dodge
Ram
Engine
Wiring
I need a wiring diagram for coils?
ABIDZ05
MEMBER
2013 DODGE RAM
5.7L
V8
2WD
AUTOMATIC
120,000 MILES
3 of the spark plugs are not getting the signal. Is there any way I can get the wiring diagram for that?
Thank you
Monday, October 14th, 2024 AT 5:43 AM
3 Replies
KEN L
MASTER CERTIFIED MECHANIC
54,137 POSTS
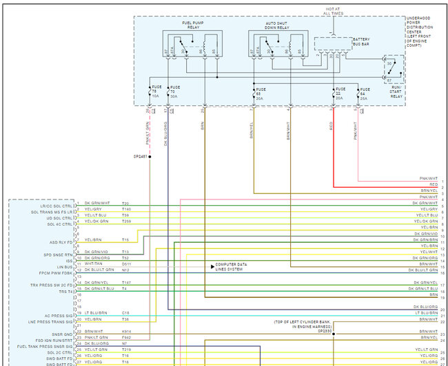
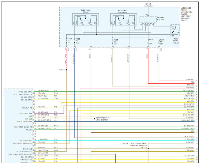
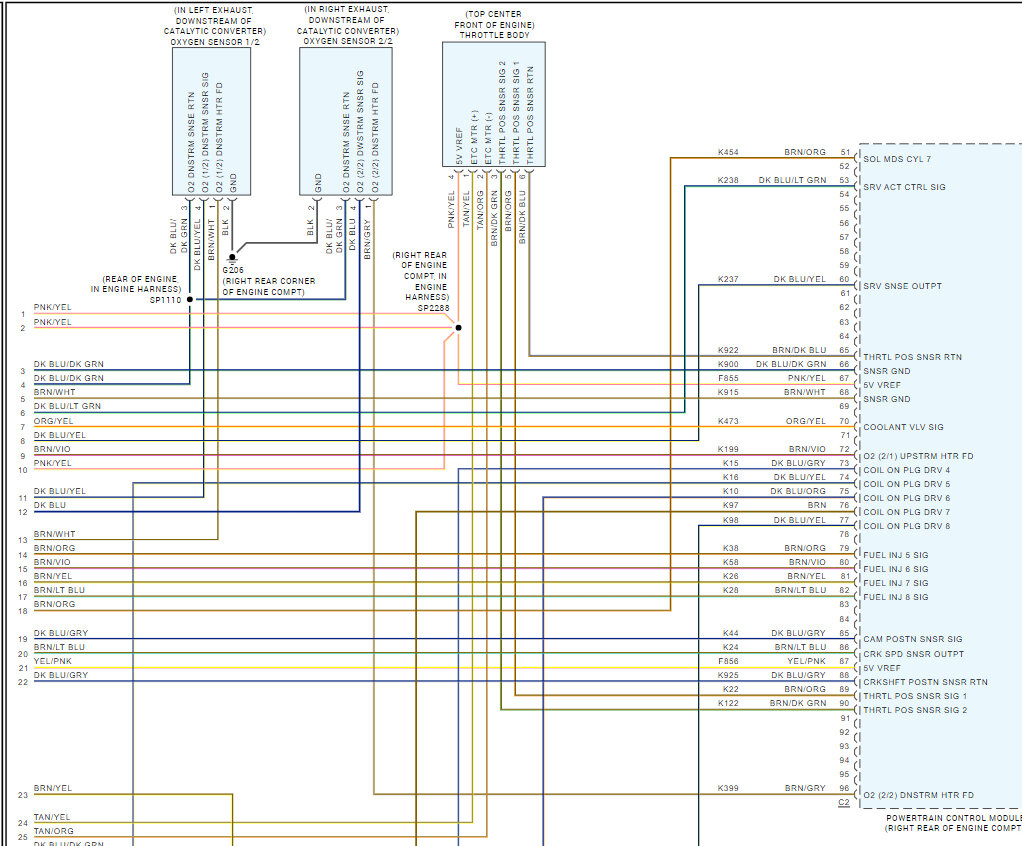
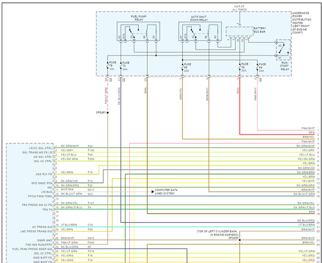
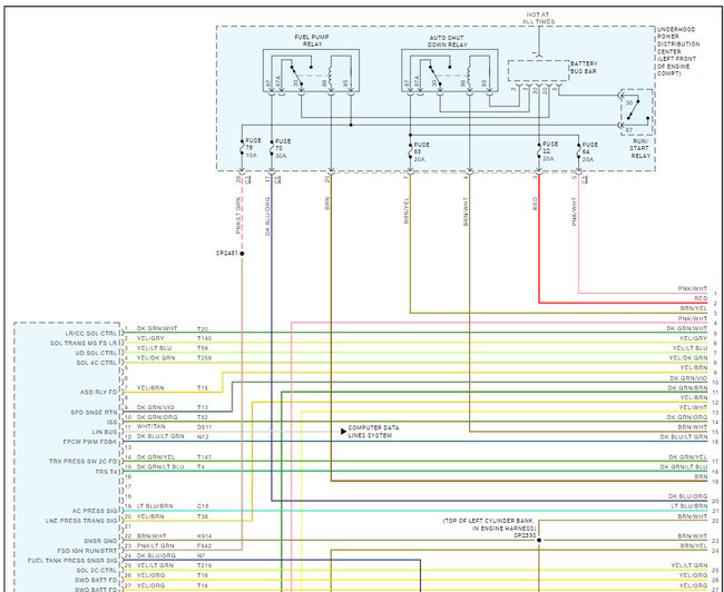
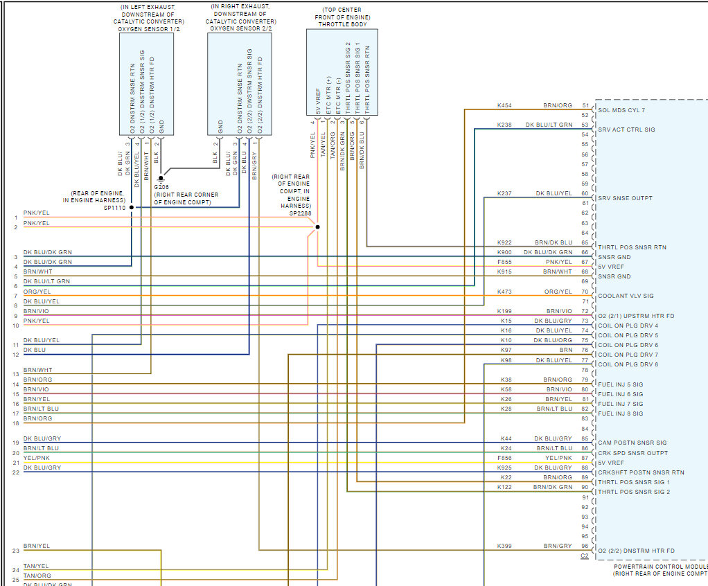
Sure, here are the wiring diagrams for the engine ignition coils and the engine PCM as well, this guide can help you test the connections:
https://www.2carpros.com/articles/how-to-check-wiring
I gave a close up of the coil wiring first to get you started. Check out the images (below). Let us know if you need anything else.
Images (Click to make bigger)
Was this
answer
helpful?
Yes
No
Monday, October 14th, 2024 AT 11:06 AM
ABIDZ05
MEMBER
7 POSTS
Thank you, Ken, that was exactly what I wanted and ended up solving my issue.
Was this
answer
helpful?
Yes
No
Wednesday, October 23rd, 2024 AT 7:28 AM
KEN L
MASTER CERTIFIED MECHANIC
54,137 POSTS
You are welcome, please use 2CarPros anytime we are here to help.
Was this
answer
helpful?
Yes
No
Wednesday, October 23rd, 2024 AT 10:50 AM
Please
login
or
register
to post a reply.
Related Engine Wiring Content
Fuel Pump Wiring Diagram
V8 Two Wheel Drive Automatic 167000 Miles. I Recently Have Had Random Shutdowns While Driving My Truck. Driving Along At Fifty Five Mph...
Asked by
tlgarrison
·
22 ANSWERS
19 IMAGES
1999
DODGE RAM
Engine Wiring Diagrams Please?
Could You Find An Engine Wiring Harness Diagram For A Dodge Ram 1500?
Asked by
Junaiya
·
1 ANSWER
6 IMAGES
1997
DODGE RAM
My Fan Directional Control Stopped Working. It Can...
My Fan Directional Control Stopped Working. It Can Shutoff Or Run A Defrost And That Is It. I Looked Under The Hood And Found A Busted Wire...
Asked by
JoshHager
·
3 ANSWERS
4 IMAGES
1999
DODGE RAM
Proper Oil Change Procedure
The Proper Oil For This Engine ( V6 3.6l Vvt ); Is It Regular, Synthetic, Or Blend? Have You Done A Video On This Oil Change For A 2013...
Asked by
PMORSEDODGE2013
·
2 ANSWERS
2013
DODGE RAM
Vacuum Diagrams?
I Just Rebuild This Motor. Starts Up But Does Not Stay On/does Not Idle. I Can Keep On If I Apply Some Gas But It Sounds Like Either A...
Asked by
2dumdum
·
40 ANSWERS
1 IMAGE
2002
DODGE RAM
VIEW MORE
Ask a Car Question. It's Free!
How to Use a Test Light
Oil Change and Filter Replacement Dodge Ram
Engine Oil Change and Filter Chevrolet