Thursday, August 25th, 2016 AT 4:28 AM
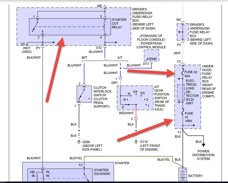
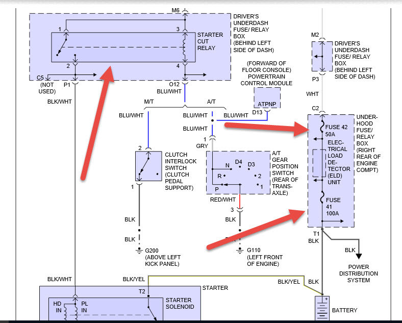
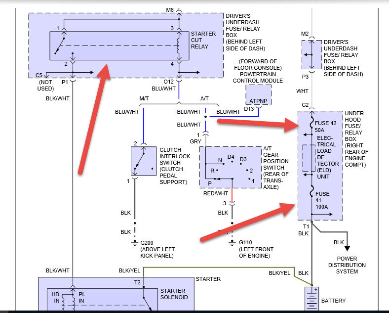
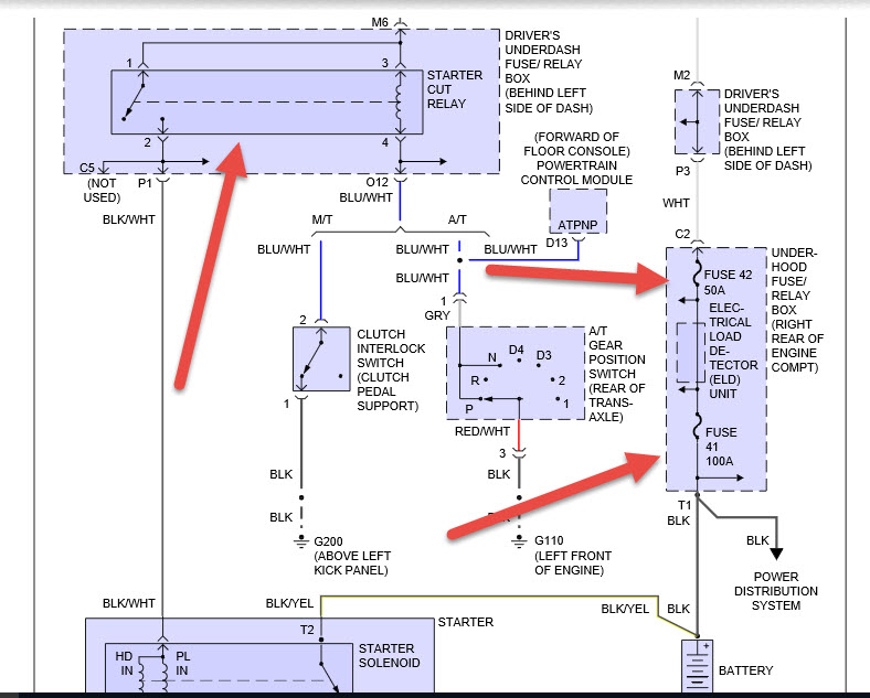
I have a 99 honda accord I have power to everything lights in side an out dash lights work an everything but I have no power going to my fuel pump or my starter but when I put a lik gas into the intake throat an jump starter off it runs perfect tell the gas I just put in runs out what would cause them 2 to lose power but nothing else


