I need TIPM wiring diagrams?

Tiny
ROMANAS
  • MEMBER
  • 2012 JEEP GRAND CHEROKEE
  • 3.6L
  • V6
  • 4WD
  • AUTOMATIC
  • 120,000 MILES
Hello. I need TIPM connectors scheme. Can't find rear defogger pin, rear stop light pins, rear turn signal pins?
Thursday, December 29th, 2022 AT 4:21 AM

3 Replies

Tiny
KEN L
  • MASTER CERTIFIED MECHANIC
  • 55,281 POSTS
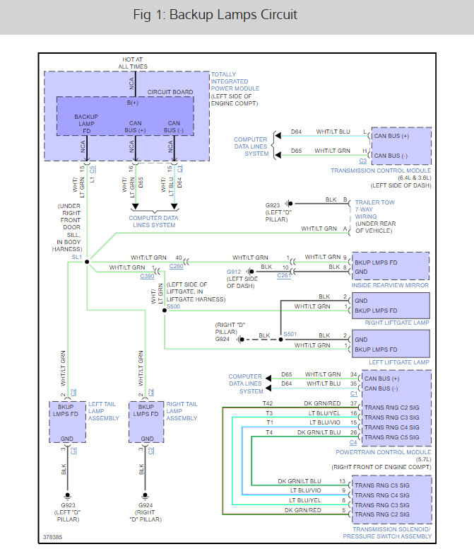
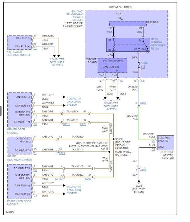
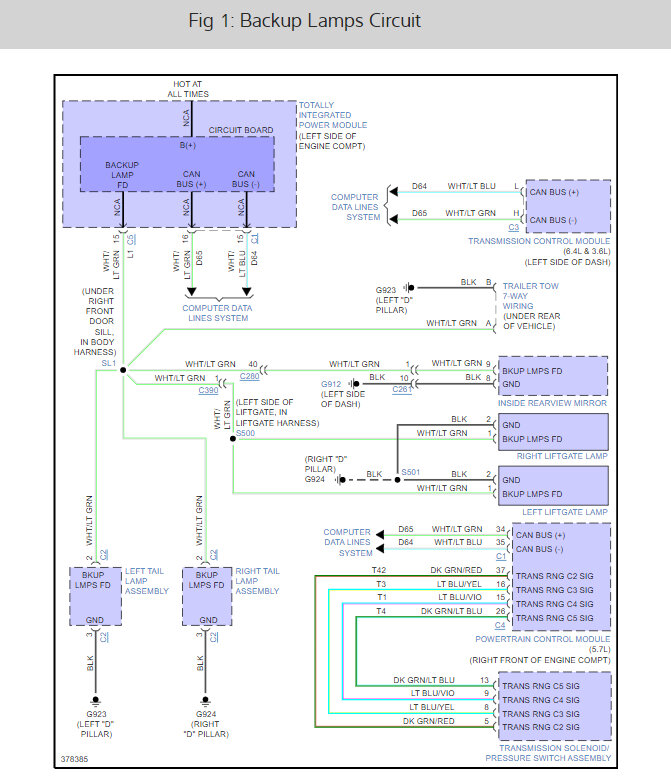
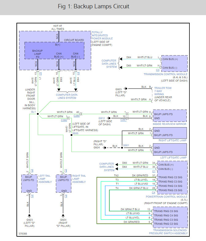
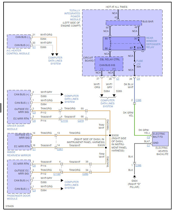
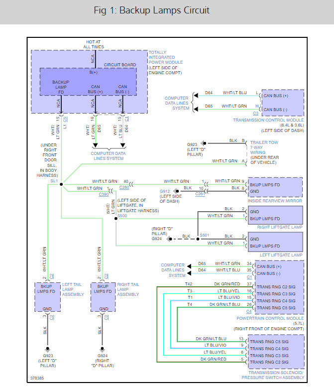
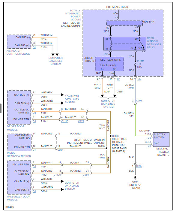
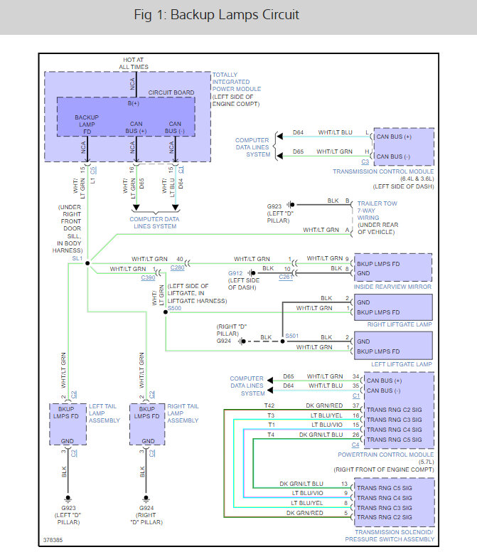
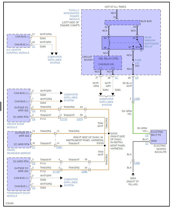
Here are the wiring diagrams for the TIPM, rear defogger and rear tail and brake lights as you have requested, and I have included a guide to help you with the testing.

https://www.2carpros.com/articles/how-to-check-wiring

Check out the images (below). Please let us know if you need anything else to get the problem fixed.

Was this
answer
helpful?
Yes
No
+1
Thursday, December 29th, 2022 AT 12:50 PM
Tiny
ROMANAS
  • MEMBER
  • 4 POSTS
Sorry, I don't need rear window defogger pin, I need rear fog light pin location in TIPM.
Was this
answer
helpful?
Yes
No
Friday, December 30th, 2022 AT 12:40 PM
Tiny
KEN L
  • MASTER CERTIFIED MECHANIC
  • 55,281 POSTS
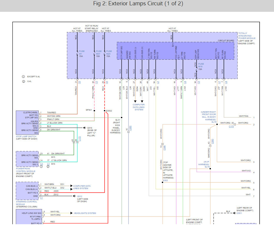
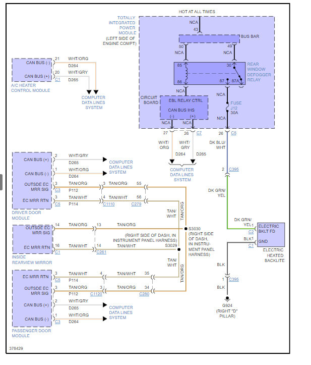
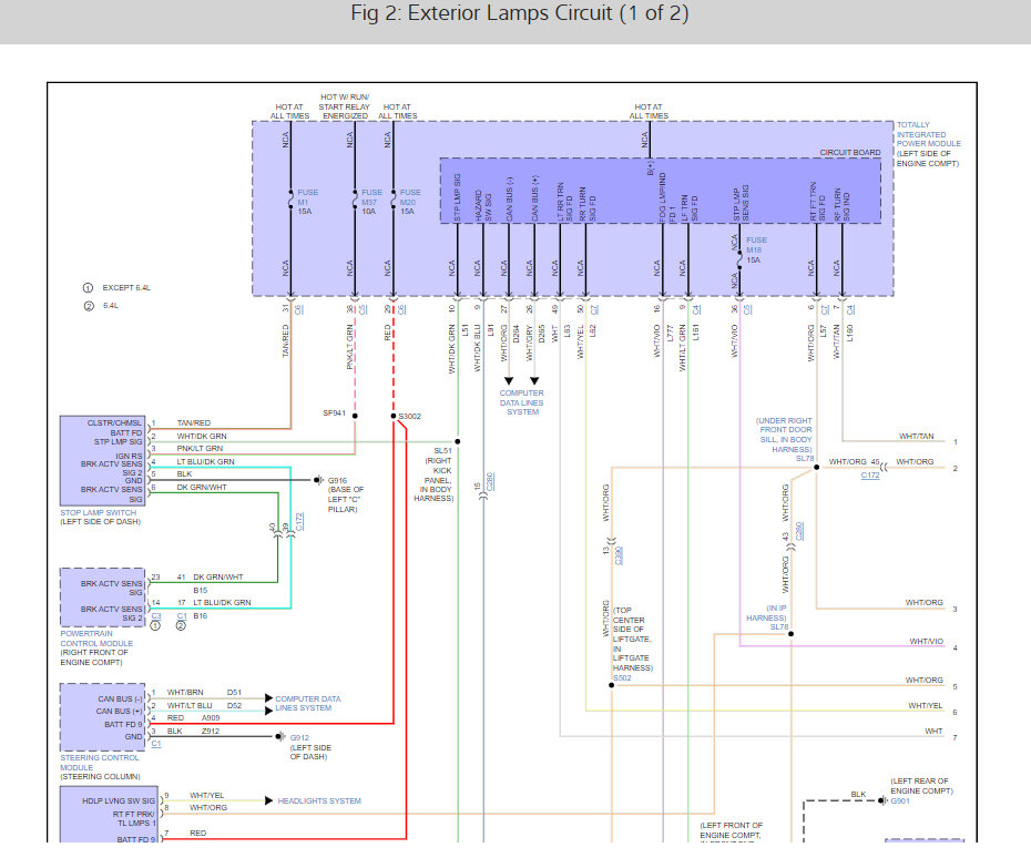
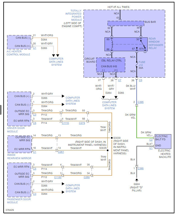
Sure, here are the wiring diagrams for the TIPM and the exterior lighting systems. Check out the images (below). Please let us know if you need anything else to get the problem fixed.
Was this
answer
helpful?
Yes
No
Saturday, December 31st, 2022 AT 12:55 PM

Please login or register to post a reply.