A/C wiring diagrams please?

Tiny
JKBARS
  • MEMBER
  • 2002 HYUNDAI ACCENT
  • 4 CYL
  • FWD
  • AUTOMATIC
  • 63,000 MILES
When I push the a/c button, it doesn't light up and the air doesn't turn on. Please help, it's hot out here!
Thursday, July 17th, 2008 AT 9:05 AM

5 Replies

Tiny
KHLOW2008
  • MECHANIC
  • 41,814 POSTS
Hi jkbars,

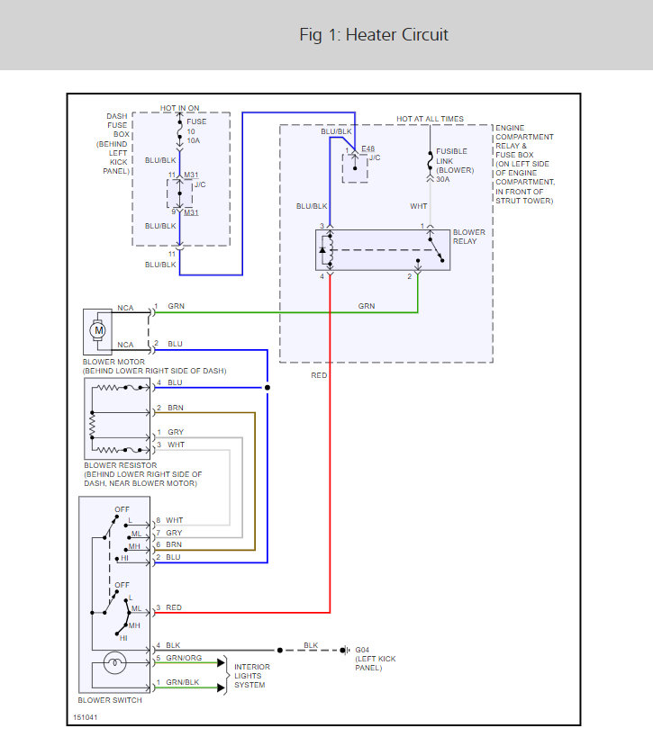
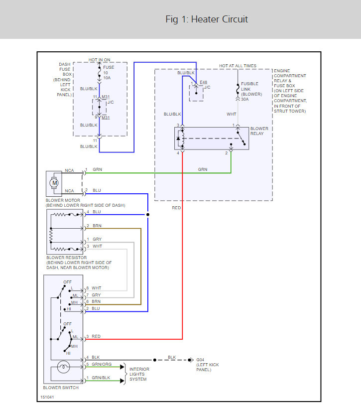
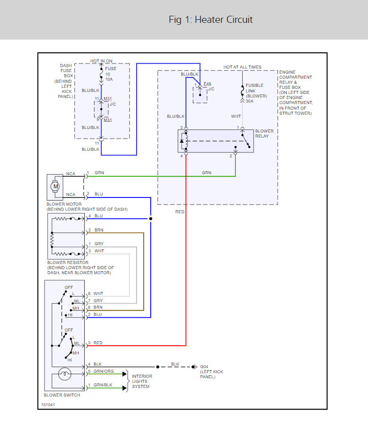
If the blower and AC compressor switch is not working, you need to check for a blown fuse #10 here is a guide to help and the fuse location along with the AC and blower motor wiring diagrams.

https://www.2carpros.com/articles/how-to-check-a-car-fuse

Check out the diagrams (Below). Please let us know what happens.
Was this
answer
helpful?
Yes
No
+3
Sunday, July 20th, 2008 AT 11:12 AM
Tiny
MARK_WHITE566
  • MEMBER
  • 2 POSTS
  • 2002 HYUNDAI ACCENT
  • 6 CYL
  • 2WD
  • AUTOMATIC
  • 38,000 MILES
I have hyundai accent had a blow out when it happened it tore some of the wires out ive got everything working except the ac. There is one wire left it is red with a yellow stripe. Could that be the one to the ac. I didnt want to try it then something go wrong incase its not it.
Was this
answer
helpful?
Yes
No
+1
Friday, February 19th, 2021 AT 12:21 PM (Merged)
Tiny
DOCFIXIT
  • MECHANIC
  • 18,828 POSTS
Wire to compressor shows Yellow is there any wire left on Comp?
Was this
answer
helpful?
Yes
No
Friday, February 19th, 2021 AT 12:21 PM (Merged)
Tiny
MARK_WHITE566
  • MEMBER
  • 2 POSTS
They put all the wires back together including the yellow wires but it still wont work
Was this
answer
helpful?
Yes
No
Friday, February 19th, 2021 AT 12:21 PM (Merged)
Tiny
DOCFIXIT
  • MECHANIC
  • 18,828 POSTS
Is there voltage on wire?
Was this
answer
helpful?
Yes
No
Friday, February 19th, 2021 AT 12:21 PM (Merged)

Please login or register to post a reply.