Hybrid Control Circuit Diagram needed?

Tiny
BLESSING EWOBOR
  • MEMBER
  • 2006 TOYOTA HIGHLANDER HYBRID
  • V6
  • AUTOMATIC
  • 210,535 MILES
Hello,
Please could you help me with the hybrid system circuit diagram?
I need to trace one route of the high voltage line.

Thank you.
Monday, September 11th, 2023 AT 2:09 PM

3 Replies

Tiny
KEN L
  • MASTER CERTIFIED MECHANIC
  • 55,254 POSTS
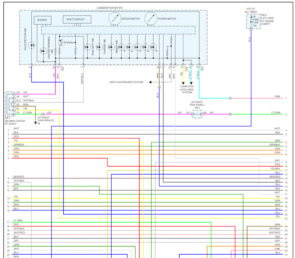
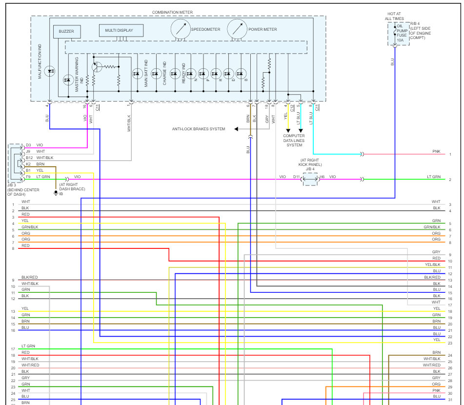
Sure, there are the hybrid and engine wiring diagrams as requested, also I have included a guide to help you test the connections. The large wires are high voltage so don't mess with those unless the hybrid battery is disabled.

https://www.2carpros.com/articles/how-to-check-wiring

Check out the images (below). Please let us know if you need anything else to get the problem fixed.
Was this
answer
helpful?
Yes
No
Tuesday, September 12th, 2023 AT 10:44 AM
Tiny
BLESSING EWOBOR
  • MEMBER
  • 754 POSTS
Thank you very much.
Was this
answer
helpful?
Yes
No
Tuesday, September 12th, 2023 AT 5:15 PM
Tiny
KEN L
  • MASTER CERTIFIED MECHANIC
  • 55,254 POSTS
You are welcome, please use 2CarPros anytime we are here to help.
Was this
answer
helpful?
Yes
No
Wednesday, September 13th, 2023 AT 11:03 AM

Please login or register to post a reply.

Related General Content