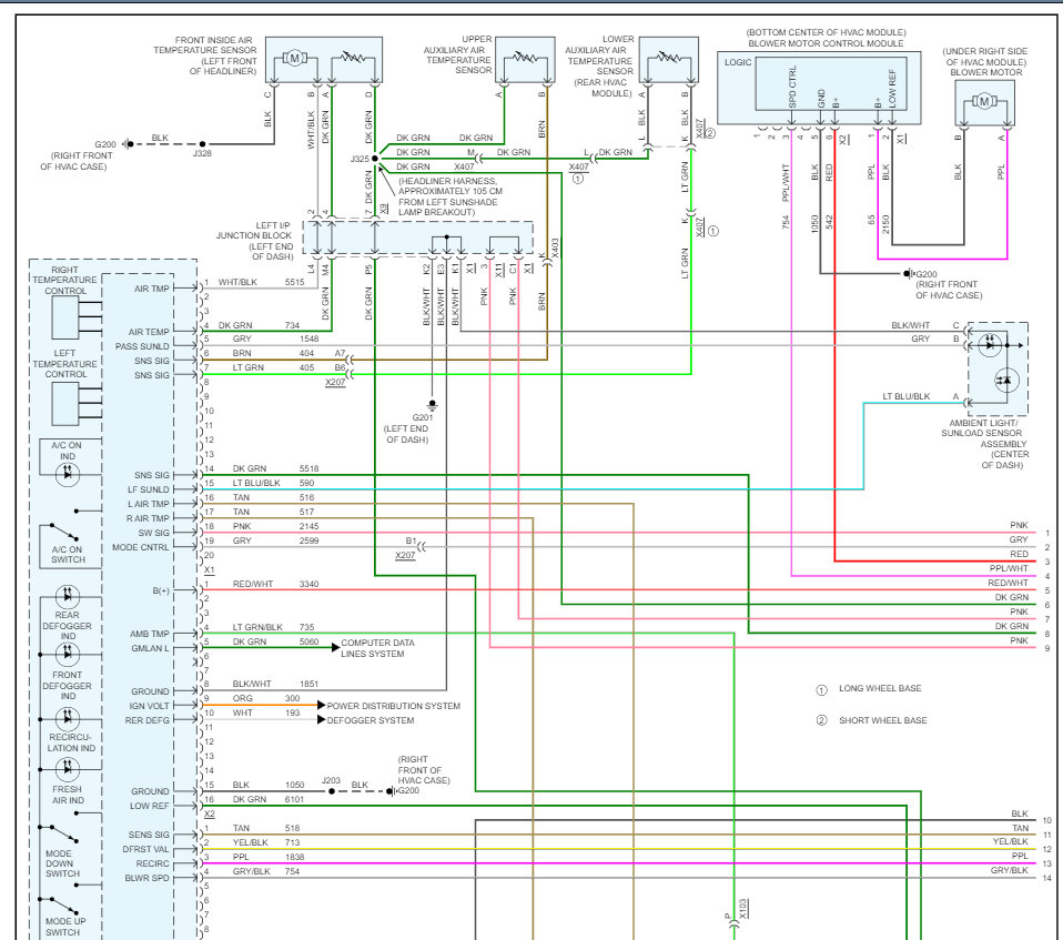
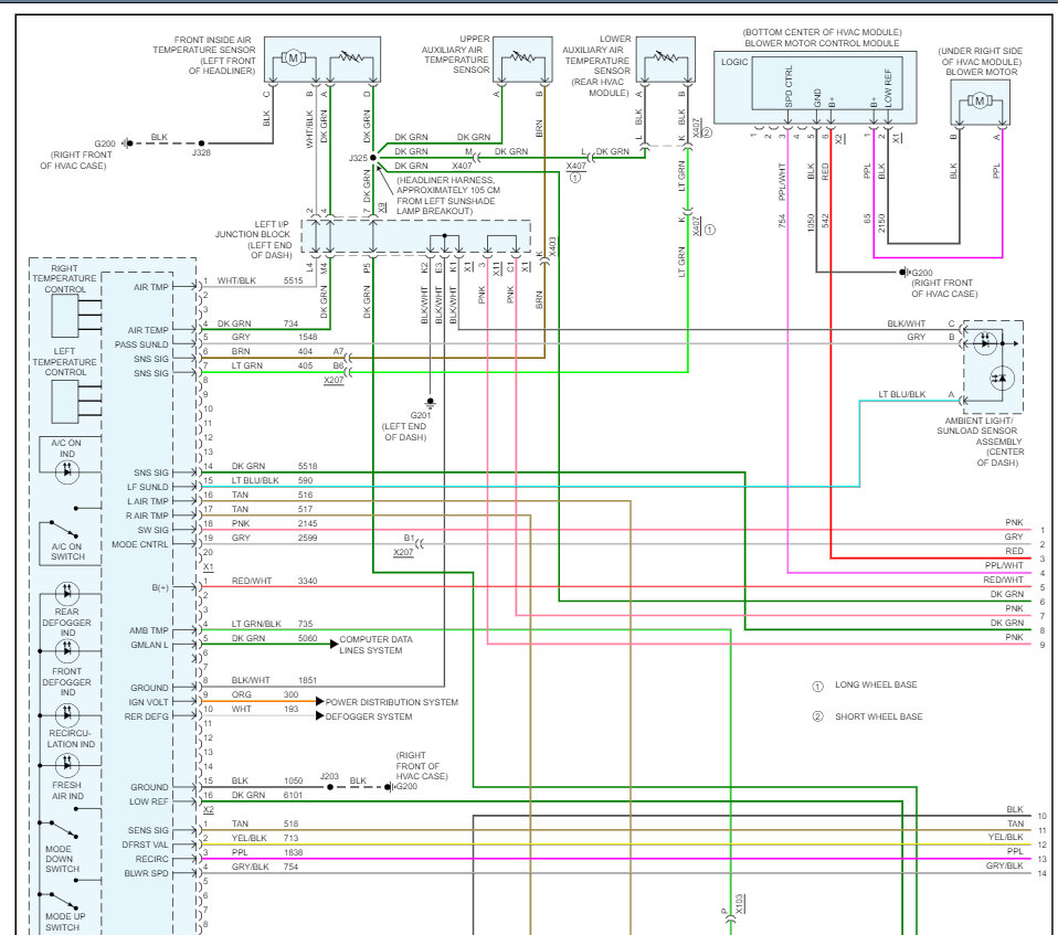
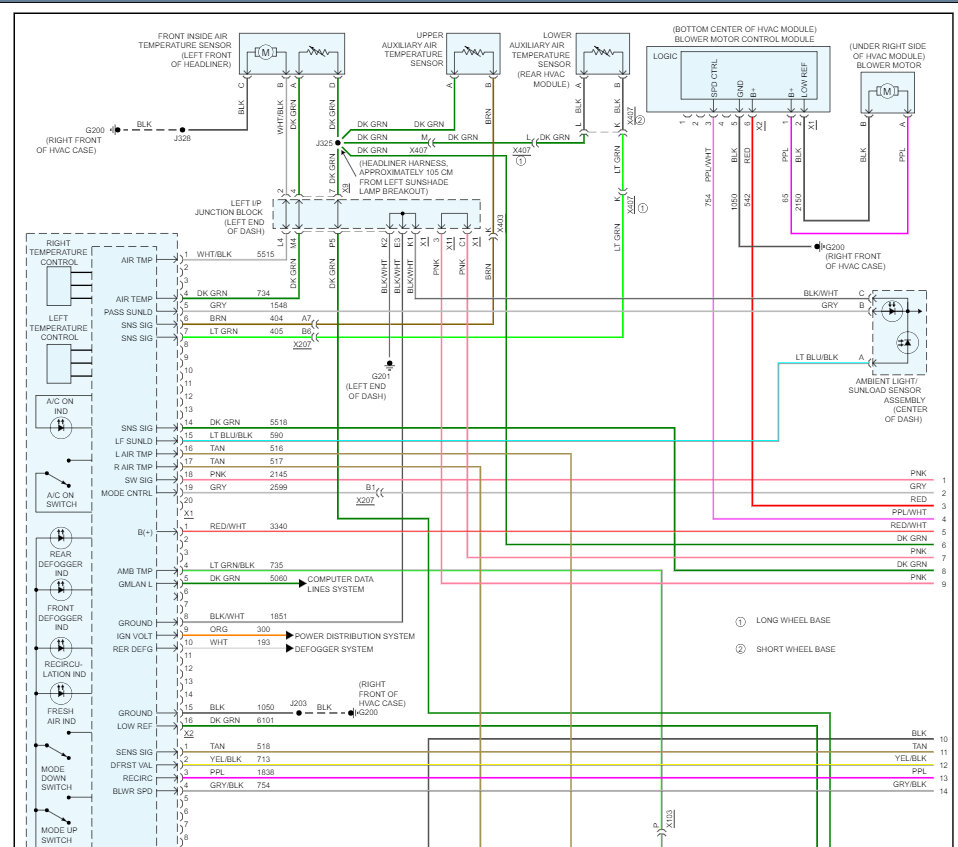
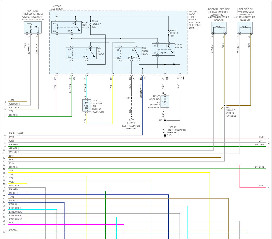
Monday, September 4th, 2023 AT 6:56 PM
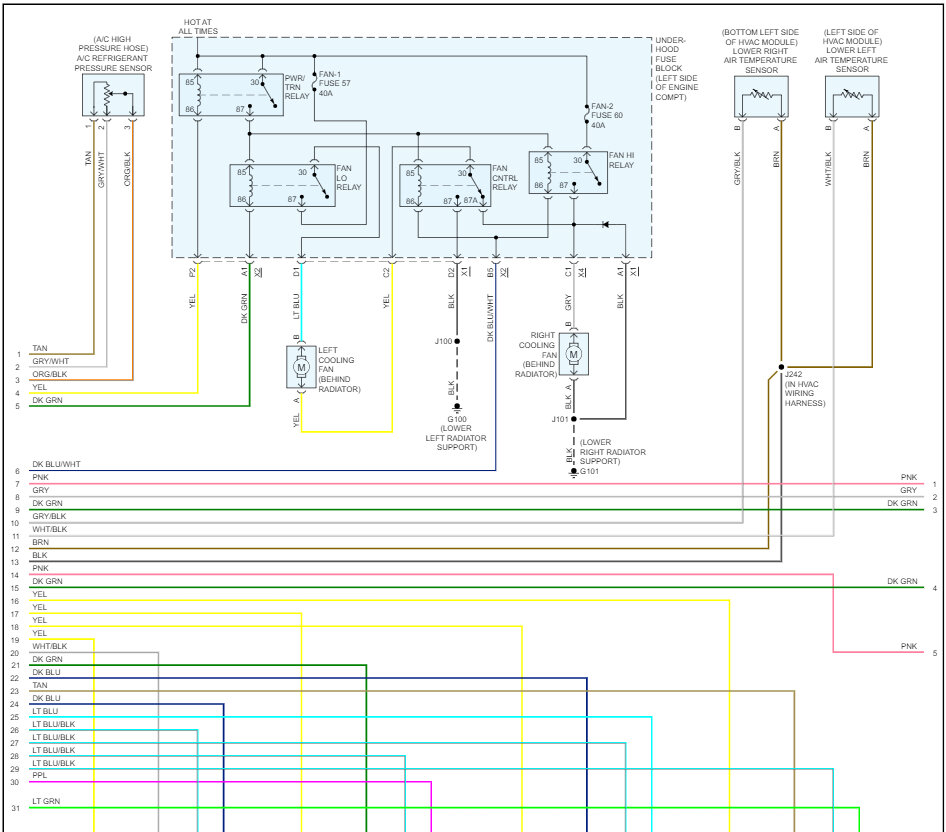
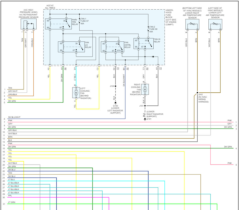
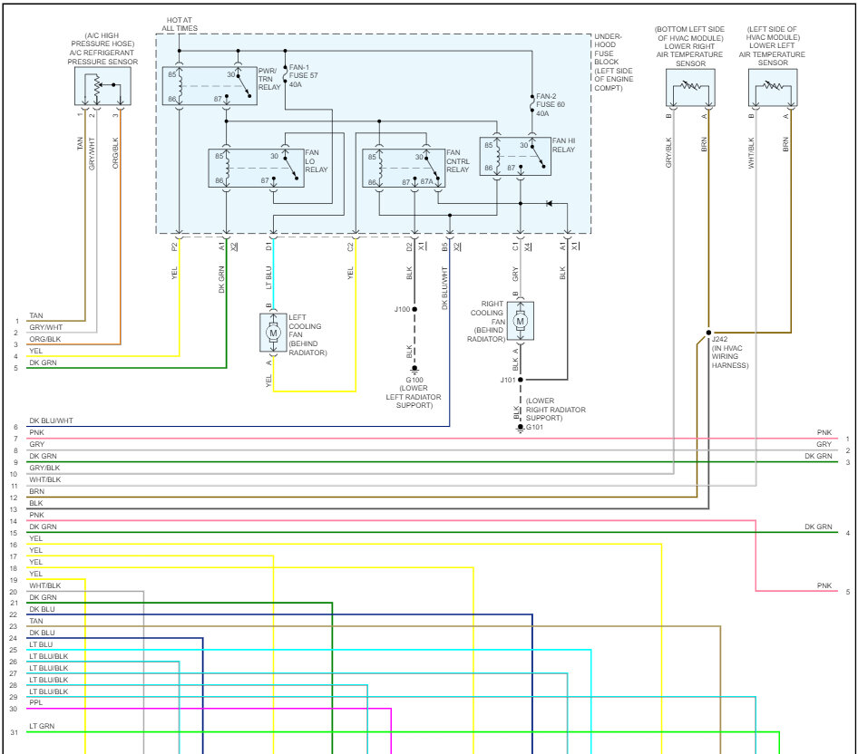
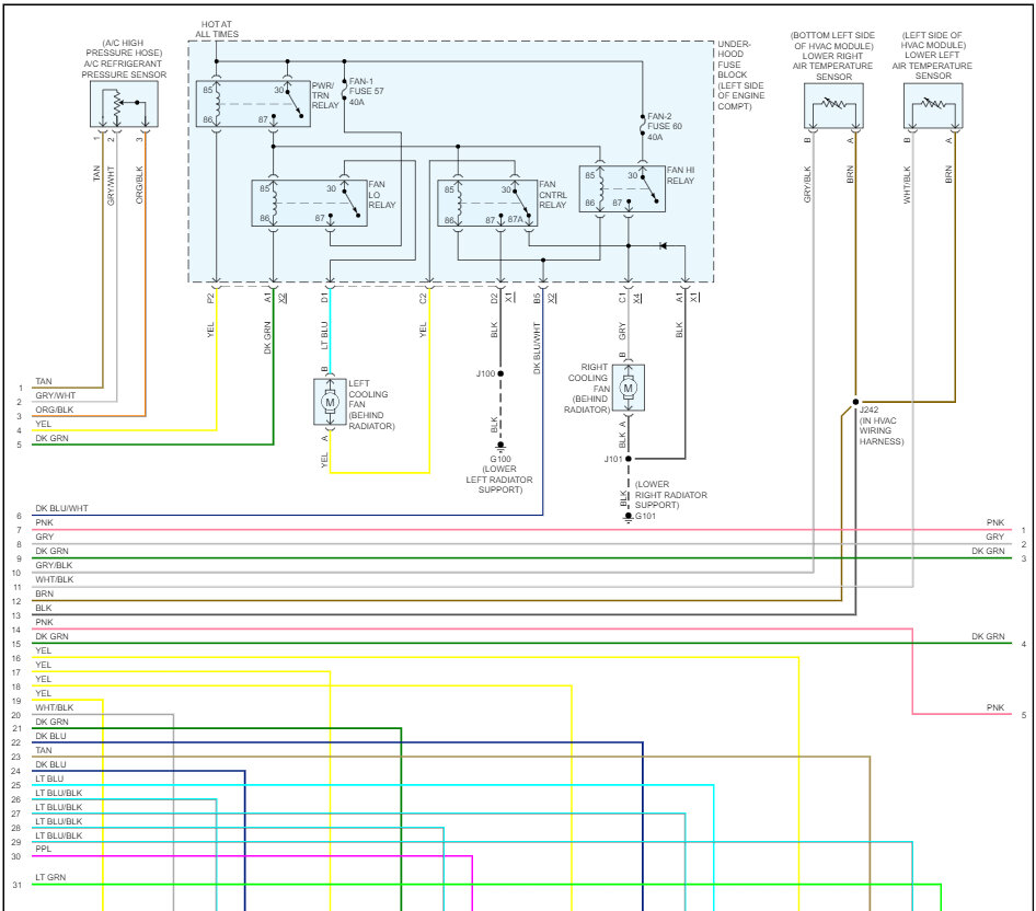
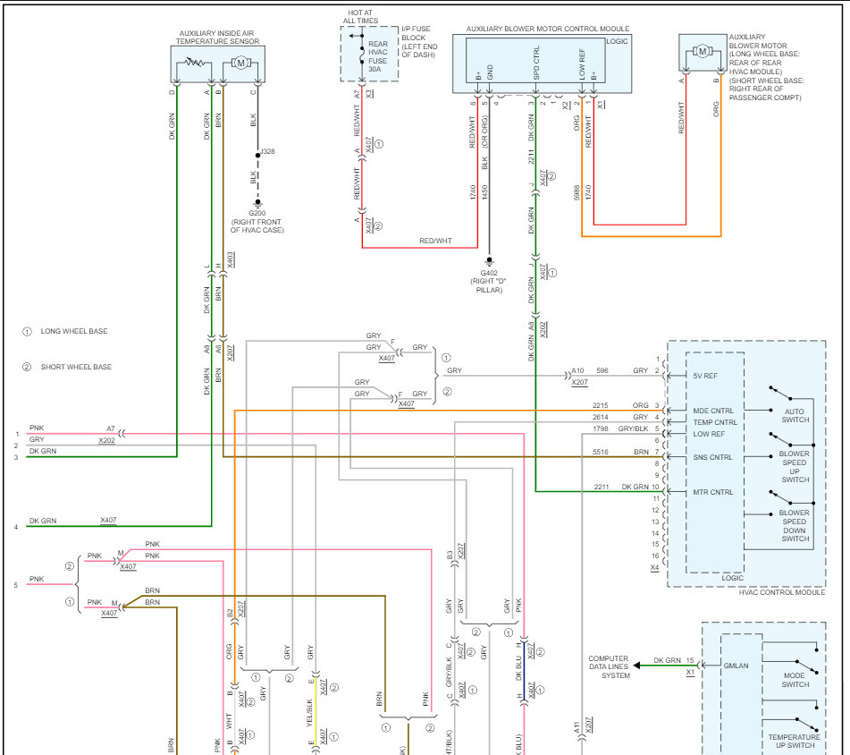
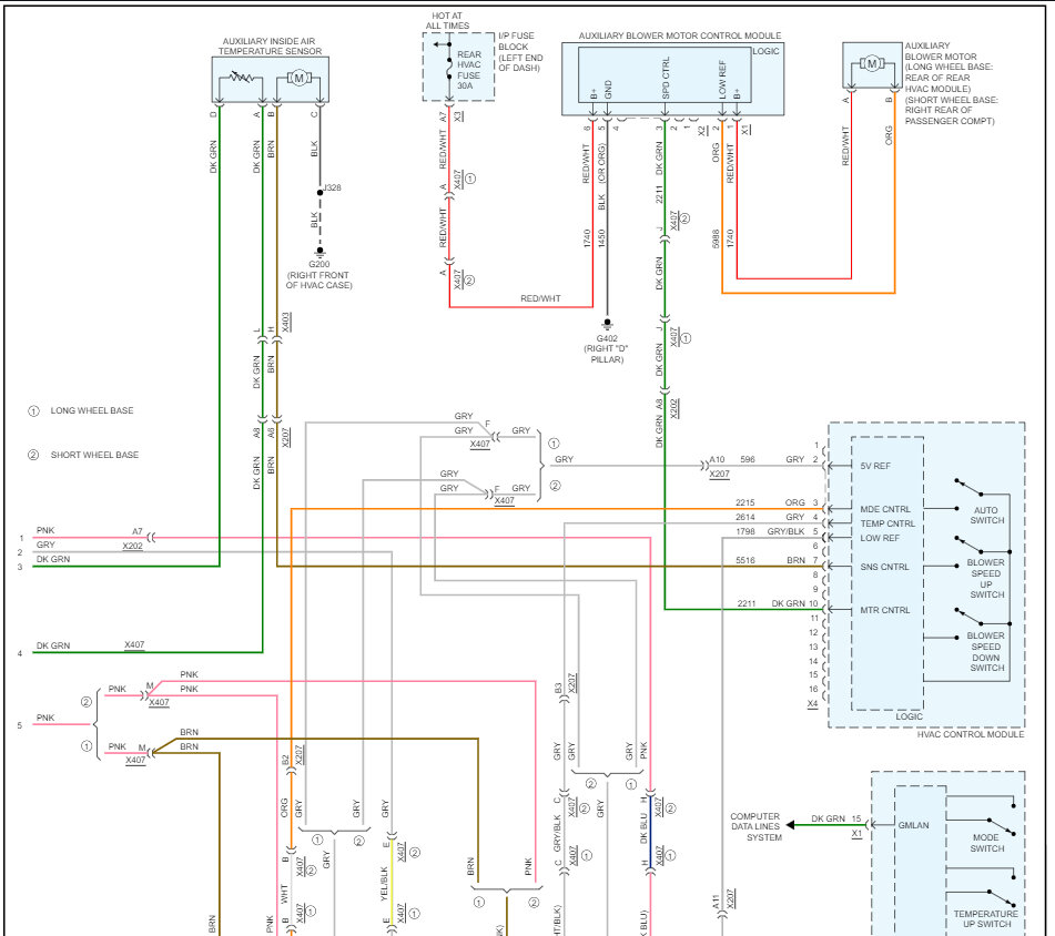
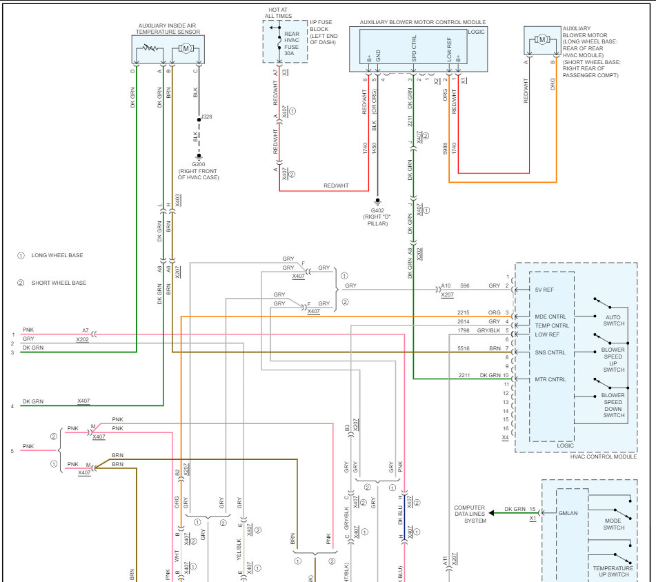
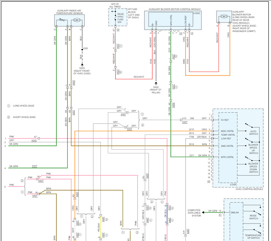
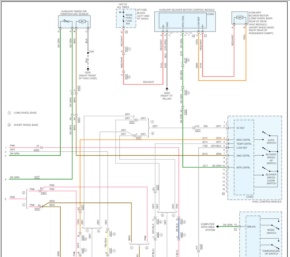
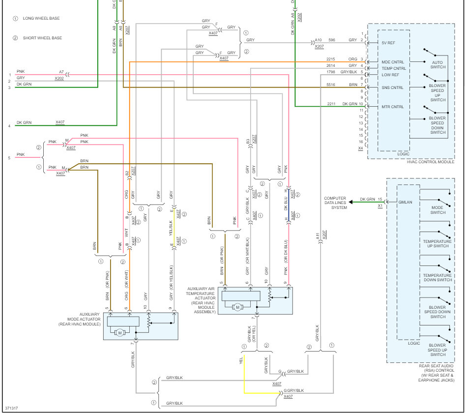
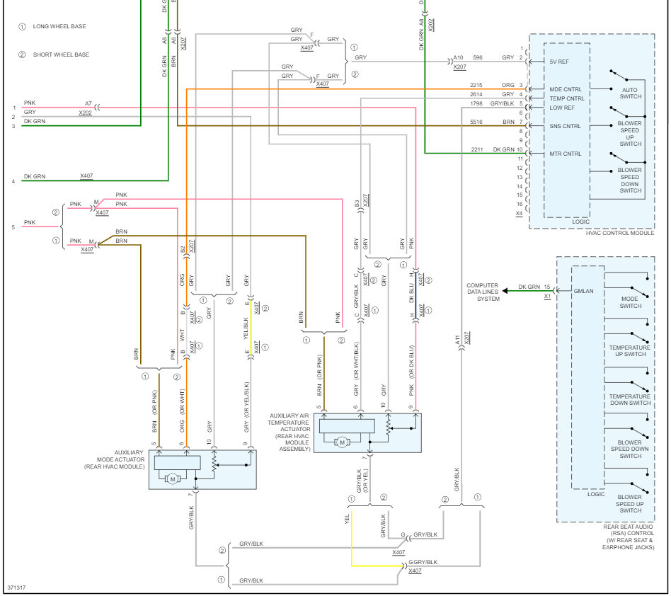
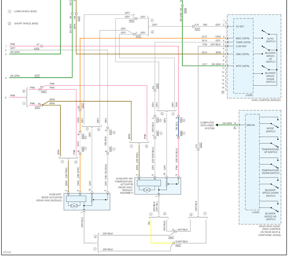
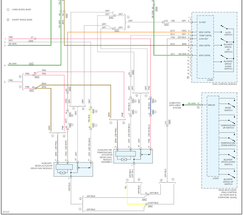
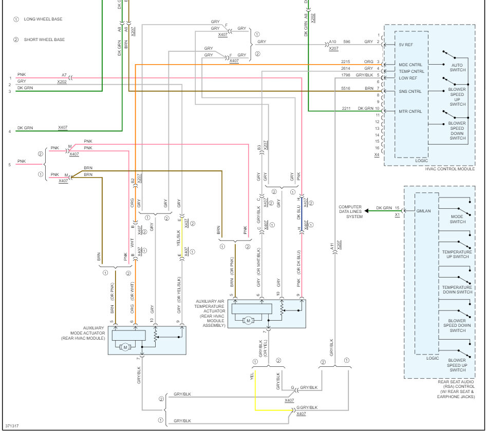
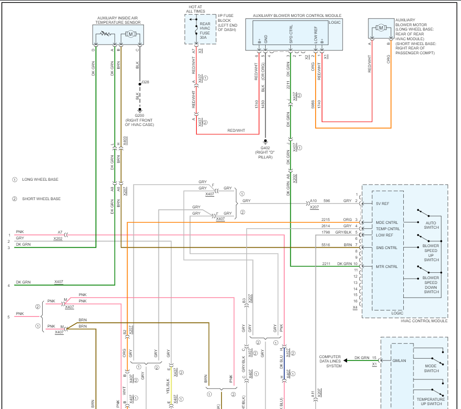
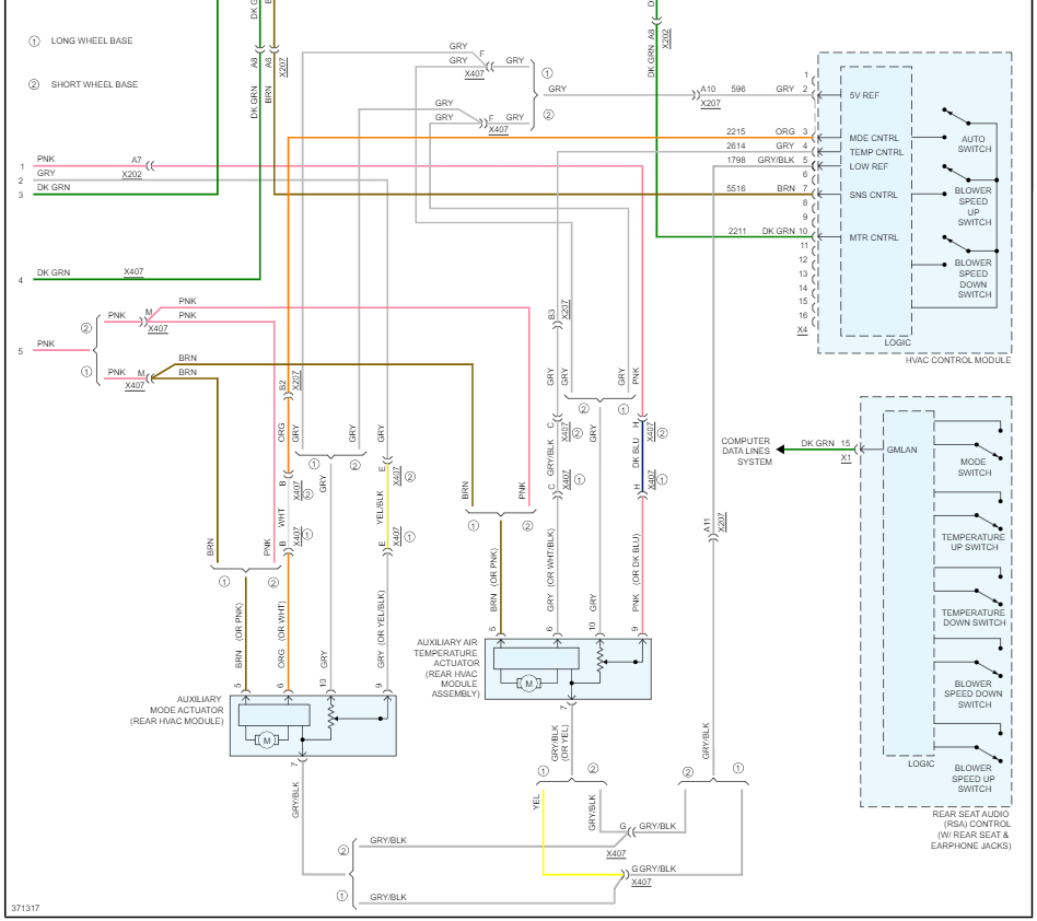
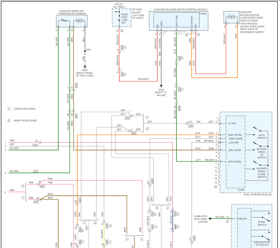
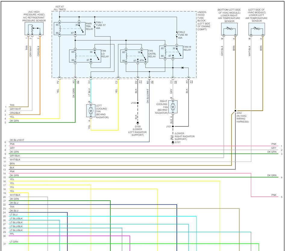
Diagnosing no front HVAC blower motor. I am looking for HVAC wiring diagram for the vehicle listed above. The control voltage wire, is it fused? Getting voltage to blower motor control module. No voltage out to motor. Module is new. Motor is new.








