HVAC control panel swap

Tiny
BLAKE101
  • MEMBER
  • 2002 CHEVROLET TAHOE
  • 5.3L
  • V8
  • 4WD
  • AUTOMATIC
  • 195,000 MILES
Hi, I recently bought an A/C manual control panel out of a 2008 GMC and was wondering if I could swap it into my vehicle listed above. I was thinking I could take each pin out and place the 2002 pins where the 2008 A/C panel controls. If anyone has done this let me know, or if someone would like to help me out.

Thanks for any help.
Saturday, April 9th, 2022 AT 1:27 PM

3 Replies

Tiny
KASEKENNY
  • MECHANIC
  • 18,907 POSTS
I have not done this, and I am not aware of anyone that has as it is unlikely going to work.

You may be able to figure out a to get just the basic options to work but the 2008 has a ton of options that the 2002 did not. In fact, the 2008 module contains logic that the 2002 vehicle will just not provide or support with the needed data.

Meaning you will not have a lot of the sensors that the module is looking for so it may power up and it may work some of the things if you wire it in, but it is unlikely going to function correctly.

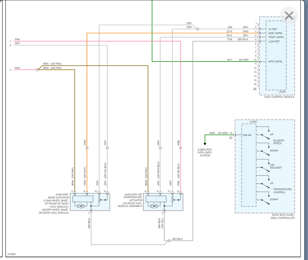
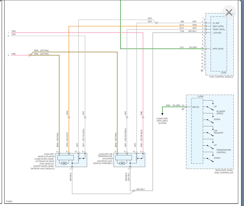
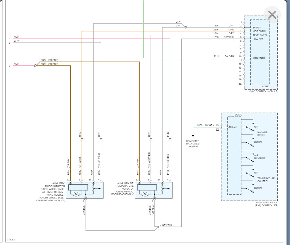
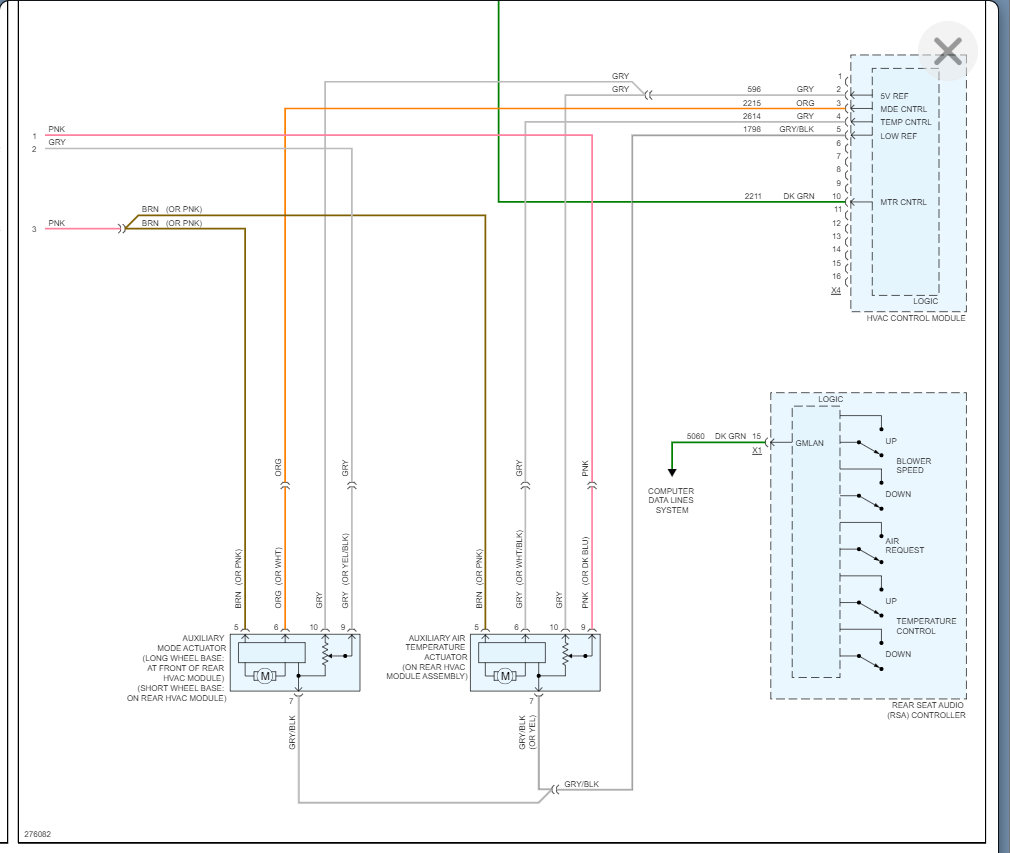
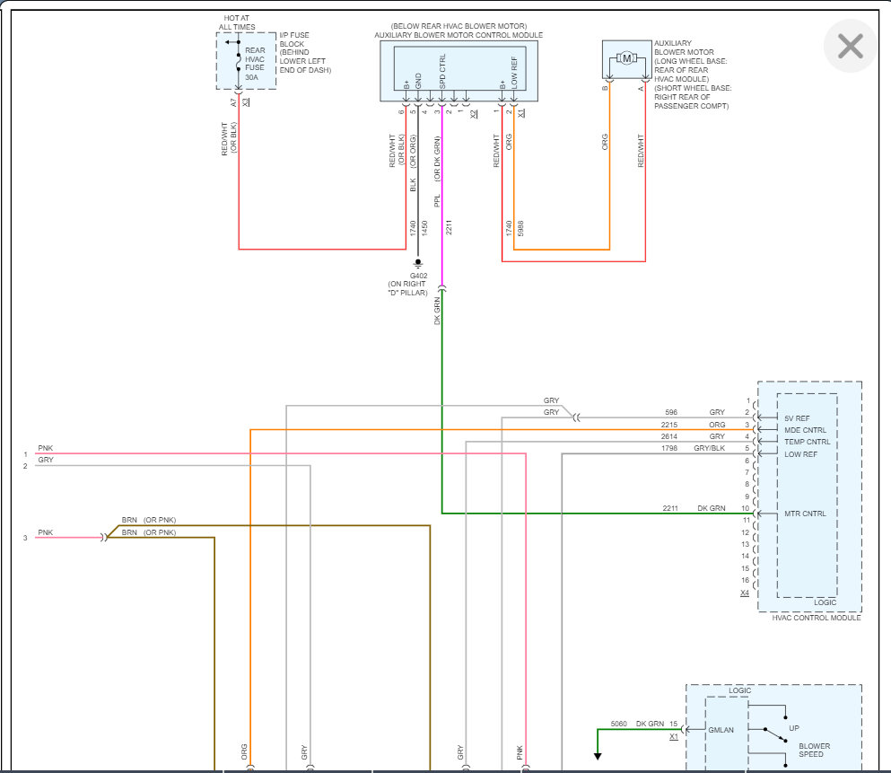
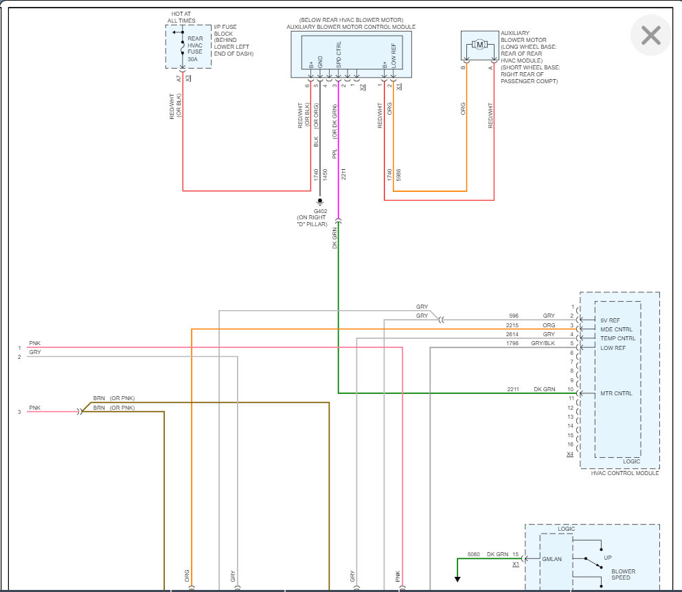
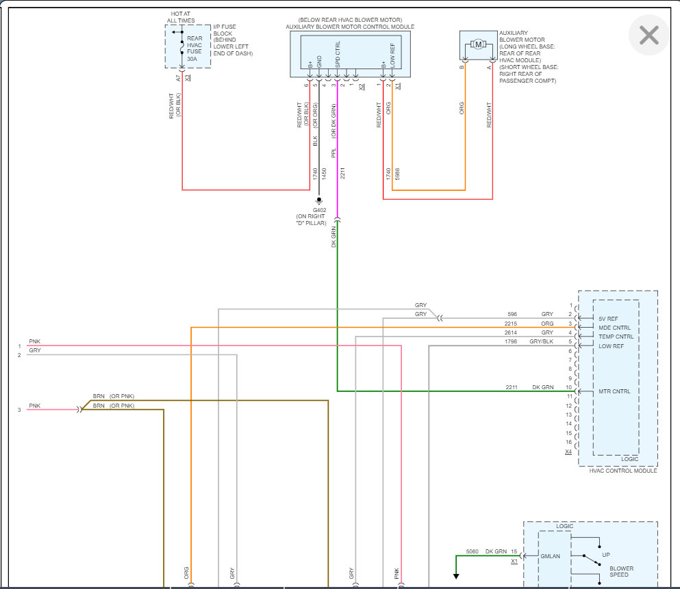
Here is a guide that will help with this testing if you need it:

https://www.2carpros.com/articles/how-to-check-wiring

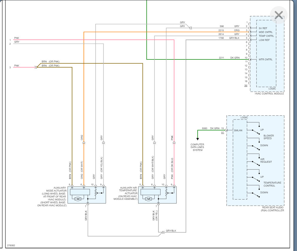
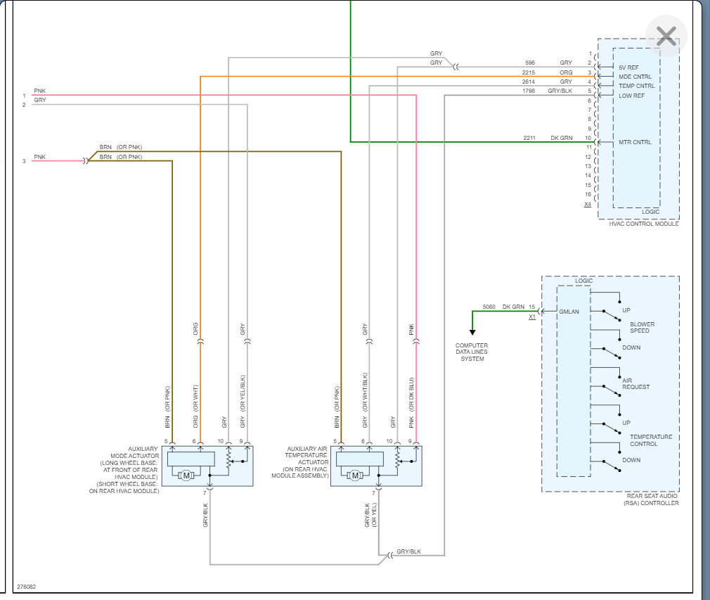
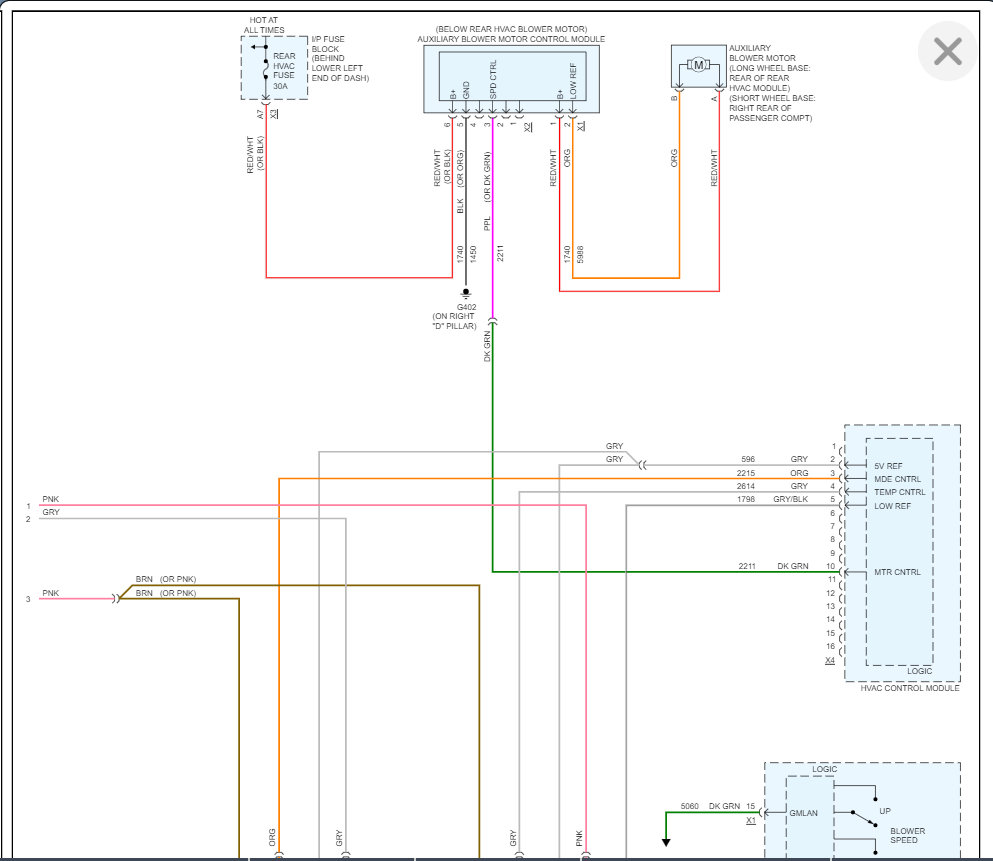
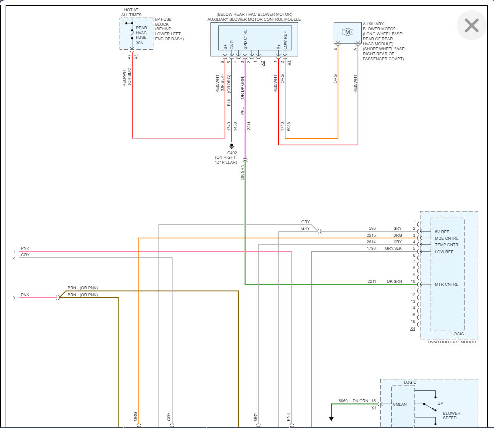
The first two attachments below are the 2002 and the rest are the 2008.

Hopefully this helps.
Was this
answer
helpful?
Yes
No
Sunday, April 10th, 2022 AT 12:08 PM
Tiny
BLAKE101
  • MEMBER
  • 2 POSTS
Thanks for the info, the 2008 control panel has the same basic options that my 2002 Tahoe has. Wouldn’t hurt to at least give it a shot because I do have a truck that I can test it on before putting it in my daily driver. I will post updates if I can get this to work or not.
Was this
answer
helpful?
Yes
No
Sunday, April 10th, 2022 AT 10:19 PM
Tiny
KASEKENNY
  • MECHANIC
  • 18,907 POSTS
Oh. Great. Then you may be the first that I know of to do it and that is great to test it out first.

Yes, please let us know what happens as this would be great info.

Thanks
Was this
answer
helpful?
Yes
No
Monday, April 11th, 2022 AT 8:13 AM

Please login or register to post a reply.